salve a tutti!
ho da poco costruito un circuito per il pilotaggio delle ventole del PC prendendo lo schema da questo sito http://www.pclaboratorio.com/myprojects/reg_pwm.htm
come mi è stato indicato. ho capito che c'è il 555 che da più o meno impulsi di corrente al transistor (l'ho sostituito da 2N1711 con un BDX54C) e così si ottiene una velocità più o meno elevata. ho capito che il potenziometro varia la quantità di impulsi prodotti dall'integrato, solo che vorrei capire il funzionamento di tutto, ovvero, non ho capito come funziona l'oscillatore e come viene regolata la quantiutà degli impulsi con il pot e i diodi.
c'è qualcuno che mi potrebbe aiutare? a me piace un macello l'elettronica e sarei felice sapere come e perché funziona il circuito.
intanto ringrazio in anticipo!
aiuto funzionamento schema con 555
Moderatori:
carloc,
g.schgor,
BrunoValente,
IsidoroKZ
10 messaggi
• Pagina 1 di 1
0
voti
Il 555 così come è collegato, fornisce in uscita un'onda quadra con duty-cycle variabile dal potenziometro a frequenza pressochè costante. Cosìffatto è un generatore PWM (v. Wikipedia) quindi è la larghezza dell'impulso (negativo in questo caso) a determinare la velocità della ventola, non la quantità degli impulsi (che è sempre la stessa nell'ordine del tempo).
L'oscillatore è sempre quello tipico astabile con NE555 e la carica e scarica del condensatore sui piedini 2-6 viene regolata dalla resistenza del potenziometro ma che viene spartita tramite i diodi a seconda della direzione della corrente (di carica o di scarica) ed è un trucchetto noto ormai da decenni per tenere costante la frequenza di oscillazione ma variabile il duty-cycle per applicazioni come queste. Ed è uno dei modi per ottenere una buona regolazione di potenza con il miglior rendimento cioè una minor perdita di potenza sotto forma di calore che si otterrebbe con un regolatore lineare.
L'oscillatore è sempre quello tipico astabile con NE555 e la carica e scarica del condensatore sui piedini 2-6 viene regolata dalla resistenza del potenziometro ma che viene spartita tramite i diodi a seconda della direzione della corrente (di carica o di scarica) ed è un trucchetto noto ormai da decenni per tenere costante la frequenza di oscillazione ma variabile il duty-cycle per applicazioni come queste. Ed è uno dei modi per ottenere una buona regolazione di potenza con il miglior rendimento cioè una minor perdita di potenza sotto forma di calore che si otterrebbe con un regolatore lineare.
0
voti
wow! grazie mille! ma gli altri terminali dell'integrato a parte il 3° che funzioni hanno? come mai è collegato al 5 e 1 piedino un condensatore?
poi non è che mi potresti spiegare un po meglio la partizione del potenziometro con i diodi?
grazie ancora
poi non è che mi potresti spiegare un po meglio la partizione del potenziometro con i diodi?
grazie ancora
1
voti
Ciao!
Mi inserisco (nonostante la perfetta risposta di Cinque) solo perché state trattando di un progettino peraltro semplice e giustamente basato su stratagemmi vecchiotti, ma pubblicato sul mio sito (
). Per questo mi permetto di dare due veloci risposte che chiedevi, lasciando semmai al buon Cinque l'onere di proseguire! (
).
Il piedino 5 del timer 555 è il "Voltage control". In pratica non viene impiegato in questo schema. E quando esso non è impiegato va necessariamente collegato a massa tramite un condensatore come da schema.
Il piedino 1 è invece il pin di alimentazione negativa dell'integrato, quindi va direttamente al negativo (senza nessun condensatore).
Per il resto la risposta di Cinque è perfetta, nulla da aggiungere. Se vuoi in rete esistono davvero centinaia di siti che descrivono funzionamenti (monostabile e astabile) e caratteristiche di questo storico integrato! Prova solo a digitare in Google "555 schemi" e vedrai...
Ciao e... grazie per aver realizzato uno schemino dal mio sito!!!

Il piedino 5 del timer 555 è il "Voltage control". In pratica non viene impiegato in questo schema. E quando esso non è impiegato va necessariamente collegato a massa tramite un condensatore come da schema.
Il piedino 1 è invece il pin di alimentazione negativa dell'integrato, quindi va direttamente al negativo (senza nessun condensatore).
Per il resto la risposta di Cinque è perfetta, nulla da aggiungere. Se vuoi in rete esistono davvero centinaia di siti che descrivono funzionamenti (monostabile e astabile) e caratteristiche di questo storico integrato! Prova solo a digitare in Google "555 schemi" e vedrai...
Ciao e... grazie per aver realizzato uno schemino dal mio sito!!!
3
voti
michael92 ha scritto:wow! grazie mille! ma gli altri terminali dell'integrato a parte il 3° che funzioni hanno? come mai è collegato al 5 e 1 piedino un condensatore?
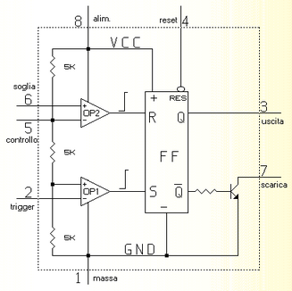
Vediamo il 555 ai raggi x
a) come vedi 1 è la massa e 8 è la Vcc, che alimenta anche un partitore costituito da 3 resistenze uguali da 5000 ohm; la tensione Vcc viene quindi divisa in 3 ... e troveremo partendo dalla massa, Vcc/3 sul primo punto e 2Vcc/3 sul secondo punto del partitore.
Questi due valori sono importanti perché costituiscono le due "soglie" del 555, e come vedi questi due livelli entrano nei due "comparatori" CP1 e CP2.
b) in questi comparatori arrivano anche i terminali 2 e 6 e quando l'ingresso 2 scende sotto Vcc/3 o quando l'ingresso 6 sale sopra i 2Vcc/3 le uscite del comparatori passano da negative a positive fornendo un fronte di salita agli ingressi S o R del Flip-Flop Settandolo o Resettandolo rispettivamente.
c) in questo modo S farà andare alta l'uscita Q del FF e quindi il pin 3 (OUT) dell'integrato,
mentre R farà andare bassa l'uscita Q del FF (e anche 3).
Il terminale
è come si suol dire "il negato" di
ed è =0 se Q=1 e viceversa.d) come vedi questo
è collegato alla base del transistor interno ... e quindi quando Q va basso
va alto -> e il transistor conduce portando il pin 7 basso, e nel nostro circuito essendo collegato al condensatore farà si che inizi a scaricarsi e) il pin 5 " Control Voltage " come vedi è collegato al punto alto del partitore ... e serve per poter fissare "le due soglie" dall'esterno
Se, per esempio, colleghiamo il 5 ad un riferimento di 6V ... le soglie diventeranno 3V e 6V (indipendentemente da Vcc
in pratica la resistenza superiore del partitore + il condensatore (typico un 0,01uF) costituiscono un filtro passa-basso.
f) e per finire il pin 4, che è collegato al RESET del FF, viene normalmente poco usato, e essendo attivo quando basso, viene normalmente "parcheggiato" collegandolo alla Vcc per renderlo inattivo.
... posto lo schema che ho trafugato nottetempo dal sito di layer ... sperando che non se ne accorga
michael92 ha scritto:poi non è che mi potresti spiegare un po meglio la partizione del potenziometro con i diodi?
grazie ancora
g)i diodi come ti ha detto cinque servono per mantenere quasi costante la frequenza (periodo) in quanto la carica del condensatore avviene attraverso il diodo sinistro e la parte sinistra del potenziometro, mentre la scarica, che come dicevamo è permessa dal pin 7 che va basso, avviene attraverso la parte destra del potenziometro e il diodo destro.... in pratica i diodi costituiscono due "sensi unici" per la corrente che può solo scendere a sinistra e salire a destra ... e quando diminuisce una ... aumentra l'altra
ma la somma rimane sempre 47chiloohm.
...
z) ci sarebbero tante altre cosse da dire, si scrivono libri interi sul 555, ... ma per paura di scrivere le mie solite "paginate stufose" mi fermo qui.
Per finire provo a farti vadere com'è veramente costruito il 555 "mescolando" transistor e resistori, dove ho indicato approssimativamente le sotto-parti delle quali abbiamo trattato.
e il documento più importante ... il suo DATASHEET
http://www.datasheetcatalog.org/datashe ... 007851.PDF
Dacci un'occhio
Se hai domande, chiedi pure, siam qui per quello
"Il circuito ha sempre ragione" (Luigi Malesani)
3
voti
Lo ho intervistato proprio due giorni fa sul 555
http://www.semiconductormuseum.com/Tran ... oClip1.mp3
... e se siete curiosi di sapere cosa Hans tenga nei suoi "cassetti " date un occhio a questo post
viewtopic.php?f=10&t=24725&p=189081&hilit=Hans+Camenzind#p189081
Per ulteriori info
http://www.semiconductormuseum.com/Tran ... _Index.htm
e
http://www.arraydesign.com/
per tutti i frequentatori di Electroportal
Da parte di Hans Camenzind un suo ebook
IMPERDIBILE
completamente FREE nella versione Elettronica .
GRAZIE Hans
Un libro leggero e profondo allo stesso tempo ... specchi di corrente, coppie differenziali, comparatori, convertitori, simulazione e una spiegazione del 555 fatta direttamente dal suo creatore
http://www.designinganalogchips.com/_co ... gchips.pdf
e ancora altro ... fra cui "Symbols, Models and Circuits for P-Spice (.zip)"
http://www.arraydesign.com/700series.html
http://www.semiconductormuseum.com/Tran ... oClip1.mp3
... e se siete curiosi di sapere cosa Hans tenga nei suoi "cassetti " date un occhio a questo post
viewtopic.php?f=10&t=24725&p=189081&hilit=Hans+Camenzind#p189081
Per ulteriori info
http://www.semiconductormuseum.com/Tran ... _Index.htm
e
http://www.arraydesign.com/
per tutti i frequentatori di Electroportal
Da parte di Hans Camenzind un suo ebook
IMPERDIBILE
completamente FREE nella versione Elettronica .
GRAZIE Hans
Un libro leggero e profondo allo stesso tempo ... specchi di corrente, coppie differenziali, comparatori, convertitori, simulazione e una spiegazione del 555 fatta direttamente dal suo creatore
http://www.designinganalogchips.com/_co ... gchips.pdf
e ancora altro ... fra cui "Symbols, Models and Circuits for P-Spice (.zip)"
http://www.arraydesign.com/700series.html
"Il circuito ha sempre ragione" (Luigi Malesani)
1
voti
Caspita, RenzoDF...
Certe cose non le sapevo neppure io che ho messo giù lo schemino...
No, scherzi a parte veramente complimenti per le spiegazioni. Il nostro Michael92 non potrà che essere soddisfattissimo! Direi che ora il 555 non ha più segreti, almeno per questa applicazione.
Non sono comunque molti i circuiti integrati che possono vantare (oltre all'"eleganza strutturale") una vita così lunga e credo un uso così diffuso in ogni campo e settore! Mi associo all'applauso virtuale al suo Progettista (P maiuscola appunto...). E Grazie a Renzo per l'Ebook, che ancora non ho guardato ma che mi sono già scaricato
Di certo molto interessante.
Ciao a tutti!
P.S. Un leggero "off topic"... Renzo, che software hai usato per "manipolare" schemi e disegni? Mi piacciono molto le trasparenze dei riquadri e lo stile di frecce e scritte... Grazie.
No, scherzi a parte veramente complimenti per le spiegazioni. Il nostro Michael92 non potrà che essere soddisfattissimo! Direi che ora il 555 non ha più segreti, almeno per questa applicazione.
Non sono comunque molti i circuiti integrati che possono vantare (oltre all'"eleganza strutturale") una vita così lunga e credo un uso così diffuso in ogni campo e settore! Mi associo all'applauso virtuale al suo Progettista (P maiuscola appunto...). E Grazie a Renzo per l'Ebook, che ancora non ho guardato ma che mi sono già scaricato
Ciao a tutti!
P.S. Un leggero "off topic"... Renzo, che software hai usato per "manipolare" schemi e disegni? Mi piacciono molto le trasparenze dei riquadri e lo stile di frecce e scritte... Grazie.
1
voti
mi piace troppo questo forum!
comunque non pensavo ci fossero tutti quei componenti dentro un'integrato così piccolo! è stato stupefacente!!! è un mito chi l'ha inventato!!!
1
voti
E' tutta la mattina che tento di piazzarmi e finire di stendere una relazione.
Invece no, finisco su ElectroPortal e matematicamente trovo una miriade di pagine come questa, dove mi accorgo di non sapere praticamente nulla, e dove l'amigdala viene super-stimolata a studiare e saperne sempre di più!
Come può da una discussione apparentemente "ordinaria" nascere un dibattito così succoso e interessante!?
Grazie a tutti, è proprio questo lo spirito che ci vuole!

Invece no, finisco su ElectroPortal e matematicamente trovo una miriade di pagine come questa, dove mi accorgo di non sapere praticamente nulla, e dove l'amigdala viene super-stimolata a studiare e saperne sempre di più!
Come può da una discussione apparentemente "ordinaria" nascere un dibattito così succoso e interessante!?
Grazie a tutti, è proprio questo lo spirito che ci vuole!

Alberto.
1
voti
Layer ha scritto:P.S. Un leggero "off topic"... Renzo, che software hai usato per "manipolare" schemi e disegni? Mi piacciono molto le trasparenze dei riquadri e lo stile di frecce e scritte... Grazie.
Con esattamente 3 mesi di ritardo
rispondo a Layer con un MEGAscusa, vedo solo ora la tua domanda FastStone è il software usato, destro mouse -> Modifica -> Strumento Disegno
"Il circuito ha sempre ragione" (Luigi Malesani)
10 messaggi
• Pagina 1 di 1
Chi c’è in linea
Visitano il forum: Nessuno e 139 ospiti

Elettrotecnica e non solo (admin)
Un gatto tra gli elettroni (IsidoroKZ)
Esperienza e simulazioni (g.schgor)
Moleskine di un idraulico (RenzoDF)
Il Blog di ElectroYou (webmaster)
Idee microcontrollate (TardoFreak)
PICcoli grandi PICMicro (Paolino)
Il blog elettrico di carloc (carloc)
DirtEYblooog (dirtydeeds)
Di tutto... un po' (jordan20)
AK47 (lillo)
Esperienze elettroniche (marco438)
Telecomunicazioni musicali (clavicordo)
Automazione ed Elettronica (gustavo)
Direttive per la sicurezza (ErnestoCappelletti)
EYnfo dall'Alaska (mir)
Apriamo il quadro! (attilio)
H7-25 (asdf)
Passione Elettrica (massimob)
Elettroni a spasso (guidob)
Bloguerra (guerra)





