Prova a leggere questo thread e tutti i link collegati.
Ci dovrebbero essere le risposte alle domande del post precedente.
https://www.diyaudio.com/forums/power-supplies/316080-meanwell-irm-60-24-a.html
Progettazione strobo LED di notevole potenza
Moderatori:
carloc,
g.schgor,
BrunoValente,
IsidoroKZ
37 messaggi
• Pagina 3 di 4 • 1, 2, 3, 4
0
voti
Ma noooo! Lasciami pensare un po’ prima di darmi dei suggerimenti! Va beh allora l’ho letto molto velocemente e di sfuggita, senza aprire nessun link in quanto ho provato ad aprire la prima foto ma non ho le credenziali per poterlo fare allora ho saltato tutti gli altri a piè pari.
Se dovessi dare una risposta rapida ti direi che la tensione non dovrebbe cambiare, ma siccome insisti con questo argomento è evidente che c'è il trabocchetto. Quindi l’unica cosa che mi viene in mente è che ci potrebbe essere un rimasuglio di ripple che col condensatore potrebbe dare tensioni leggermente più elevate. A questo punto però mi porrei dei dubbi sulla corretta lettura di un tester digitale da 5€ in presenza di ripple. Mi fiderei di più di un voltmetro analogico. Se invece la lettura è considerevolmente diversa e c’è una buona probabilità che lo sia visto che mi stai mettendo in bocca la cosa, non saprei risponderti e a dir la verità la faccenda mi delude parecchio. Sono consapevole che non sto utilizzando un alimentatore professionale da laboratorio ma un cinese da 18€ (avrei speso anche di più, a trovarli, visto che la strobo non deve animare una festa ma va su un aereo dove c’è una radio aeronautica che vorrebbe possibilmente continuare a ricevere) ma non mi aspetterei un comportamento troppo bizzarro.
Quindi preparandosi al peggio, cercherei di filtrare il più possibile tutto quello che non è corrente continua mettendo in serie una induttanza o una resistenza o entrambe le cose. Con un occhio di riguardo magari a evitare risonanze casuali con la frequenza di switching.
Ho anche dei feed through che hanno fatto il miracolo con un fottutissimo faro di atterraggio LED che non voleva smettere di disturbare la banda aeronautica! Le ho provate tutte, twistato il cavo, messo induttanze, messo condensatori, messo tutto a massa, lasciato flottante, alimentato separatamente con una batteria e 10cm di filo, niente. Alla fine un mio amico me le ha date ho fatto due fori filettati e avvitati direttamente sul case di alluminiò hanno fatto il miracolo! Terrò in canna anche quelli!
Se dovessi dare una risposta rapida ti direi che la tensione non dovrebbe cambiare, ma siccome insisti con questo argomento è evidente che c'è il trabocchetto. Quindi l’unica cosa che mi viene in mente è che ci potrebbe essere un rimasuglio di ripple che col condensatore potrebbe dare tensioni leggermente più elevate. A questo punto però mi porrei dei dubbi sulla corretta lettura di un tester digitale da 5€ in presenza di ripple. Mi fiderei di più di un voltmetro analogico. Se invece la lettura è considerevolmente diversa e c’è una buona probabilità che lo sia visto che mi stai mettendo in bocca la cosa, non saprei risponderti e a dir la verità la faccenda mi delude parecchio. Sono consapevole che non sto utilizzando un alimentatore professionale da laboratorio ma un cinese da 18€ (avrei speso anche di più, a trovarli, visto che la strobo non deve animare una festa ma va su un aereo dove c’è una radio aeronautica che vorrebbe possibilmente continuare a ricevere) ma non mi aspetterei un comportamento troppo bizzarro.
Quindi preparandosi al peggio, cercherei di filtrare il più possibile tutto quello che non è corrente continua mettendo in serie una induttanza o una resistenza o entrambe le cose. Con un occhio di riguardo magari a evitare risonanze casuali con la frequenza di switching.
Ho anche dei feed through che hanno fatto il miracolo con un fottutissimo faro di atterraggio LED che non voleva smettere di disturbare la banda aeronautica! Le ho provate tutte, twistato il cavo, messo induttanze, messo condensatori, messo tutto a massa, lasciato flottante, alimentato separatamente con una batteria e 10cm di filo, niente. Alla fine un mio amico me le ha date ho fatto due fori filettati e avvitati direttamente sul case di alluminiò hanno fatto il miracolo! Terrò in canna anche quelli!
0
voti
Ho anche cercato di barare 
0
voti
Caro Elfo, finalmente mi è arrivato il condensatore elettrolitico, 47000uF 80V, l'idea di usare la batteria di supercap in serie purtroppo ho deciso di abbandonarla. Finiranno a fare la polvere in qualche cassetto, ma è la scelta più giusta.
Adesso ho attaccato il condensatore al DCDC converter e funziona tutto perfettamente, non è successo niente di quello che mi avevi preventivato. Parte bene, per fortuna non lo vede come un corto circuito e lo carica subito. Come carico impulsivo non ho trovato niente di più veloce ed a portata di mano dell'aspirapolvere. Funziona tutto bene, con il DCDC regolato a 63V e minima corrente (mi sembra 0,9A) parte ad alto regime (non come a 220 V ovviamente) e poi si scarica fino a scendere a 13V. Quando lo stacco si ricarica fino ai 63V nell'arco di qualche secondo.
https://youtu.be/T8VDJhDeNg4
Adesso ho attaccato il condensatore al DCDC converter e funziona tutto perfettamente, non è successo niente di quello che mi avevi preventivato. Parte bene, per fortuna non lo vede come un corto circuito e lo carica subito. Come carico impulsivo non ho trovato niente di più veloce ed a portata di mano dell'aspirapolvere. Funziona tutto bene, con il DCDC regolato a 63V e minima corrente (mi sembra 0,9A) parte ad alto regime (non come a 220 V ovviamente) e poi si scarica fino a scendere a 13V. Quando lo stacco si ricarica fino ai 63V nell'arco di qualche secondo.
https://youtu.be/T8VDJhDeNg4
1
voti
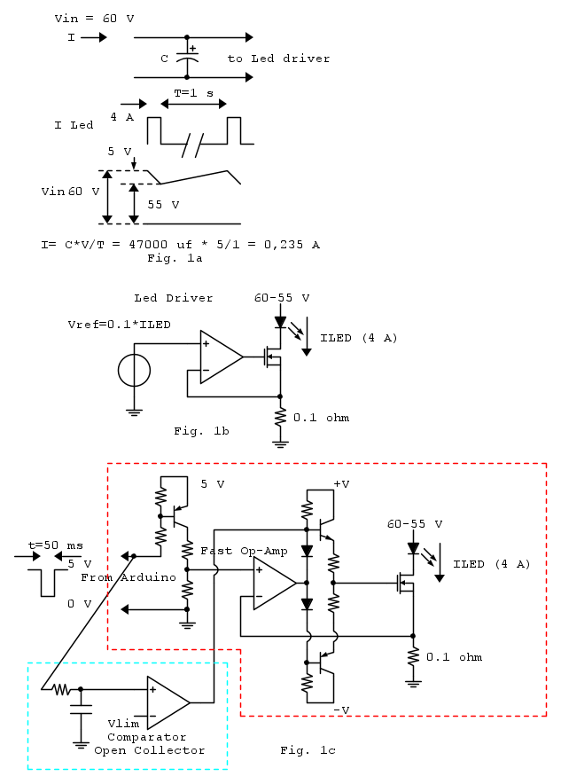
La Fig. 1 a mostra che per ricaricare un condensatore da 47.000 uF di 5 V in 1 s occorre una corrente di 0.235 A.
La Fig. 1b mostra un circuito di principio per pilotare un led a corrente costante.
La Fig.1 c e' composta da 2 sezioni
- Riquadro tratteggiato rosso: una possibile implementazione del circuito di Fig. 1b
- Riquadro tratteggiato celeste: il circuito di protezione del LED nel caso il SW (e Arduino) "fallisca"
Per una approfondita analisi dei circuiti guarda:
Load Transient Response Testing for Voltage Regulators
https://www.analog.com/media/en/technic ... an104f.pdf
A Closed-Loop, Wideband, 100A Active Load
https://www.analog.com/media/en/technic ... an133f.pdf
La Fig. 1b mostra un circuito di principio per pilotare un led a corrente costante.
La Fig.1 c e' composta da 2 sezioni
- Riquadro tratteggiato rosso: una possibile implementazione del circuito di Fig. 1b
- Riquadro tratteggiato celeste: il circuito di protezione del LED nel caso il SW (e Arduino) "fallisca"
Per una approfondita analisi dei circuiti guarda:
Load Transient Response Testing for Voltage Regulators
https://www.analog.com/media/en/technic ... an104f.pdf
A Closed-Loop, Wideband, 100A Active Load
https://www.analog.com/media/en/technic ... an133f.pdf
0
voti
elfo ha scritto:La Fig. 1 a mostra che per ricaricare un condensatore da 47.000 uF di 5 V in 1 s occorre una corrente di 0.235 A.
probabilmente i miei ricordi di elettrotecnica sono annebbiati...
ricordavo che una capacità di un farad corrisponde ad una carica di 1C ad 1V, quindi sarebbero 5C a 5V per farad, il che vi verrebbe spontaneo una corrente di 5A per 1s per farad.
Forse non ho afferrato il concetto, o magari l'età gioca brutti scherzi. Può essere.
saluti.
-

lelerelele
4.899 3 7 9 - Master

- Messaggi: 5505
- Iscritto il: 8 giu 2011, 8:57
- Località: Reggio Emilia
0
voti
lelerelele ha scritto: ...pensavo a 47F, (47000 uF)...
...penso che tu stia perseverando a confonderti coi sottomultipli
"Non farei mai parte di un club che accettasse la mia iscrizione" (G. Marx)
-

claudiocedrone
21,3k 4 7 9 - Master EY

- Messaggi: 15302
- Iscritto il: 18 gen 2012, 13:36
0
voti
Nel frattempo ho finito tutto il circuito, funziona tutto perfettamente, sono molto soddisfatto per il momento, i led sono veramente un pugno nell'occhio, questo è il set up iniziale con un solo led per i primi test:

Per rendersi conto dell'intensità della luce l'ho messo a confronto niente meno che con il sole, riflesso da uno specchio, e fotografato con la massima sottoesposizione possibile (a dire la verità è un fotogramma di uno slow motion a 240fps):

Ora vorrei ottimizzarlo perché non è ancora al massimo delle possibilità in quanto per il momento come unico dispositivo di limitazione della corrente ho usato una resistenza da 0,51 ohm. La tensione ho provato a tirarla al massimo del condensatore cioè 80V tenendo sotto controllo la temperatura dei led. L'intensità di corrente purtroppo non ho idea quanto sia perché non ho un oscilloscopio. Ma con due led che flashano insieme per 50ms, dopo un lampo, la tensione scende a 60V. Secondo i calcoli esce una corrente media di 18,8A per due led cioè quasi 10A ciascuno. Quindi la corrente è verosimile che parta tipo a 15A per decadere a 5A a fine lampo. Non so se accettare questa cosa per semplicità circuitale (le resistenze non scaldano nemmeno tanto, sono da 2W) oppure costruire un circuito per mantenere costante la corrente per tutta la durata del flash come quello da te suggerito, anzi tre circuiti di quelli. Magari alla fine il risultato non cambia.
I link che hai postato li ho letti ma sono abbastanza complessi per me.
Per quanto riguarda la protezione nel caso qualcosa rimanga impastato, in teoria non ci sarebbe bisogno perché il DCDC è limitato a 0,9A. Per sicurezza potrei mettere un interruttore termico nel caso per qualsiasi motivo il led supera una certa temperatura. Di sicuro la tua soluzione è molto più elegante ma non saprei come implementarla. Non ne ho capito bene il funzionamento. Interdice il transistor nel caso rimanga in conduzione per più di 50ms?

Per rendersi conto dell'intensità della luce l'ho messo a confronto niente meno che con il sole, riflesso da uno specchio, e fotografato con la massima sottoesposizione possibile (a dire la verità è un fotogramma di uno slow motion a 240fps):

Ora vorrei ottimizzarlo perché non è ancora al massimo delle possibilità in quanto per il momento come unico dispositivo di limitazione della corrente ho usato una resistenza da 0,51 ohm. La tensione ho provato a tirarla al massimo del condensatore cioè 80V tenendo sotto controllo la temperatura dei led. L'intensità di corrente purtroppo non ho idea quanto sia perché non ho un oscilloscopio. Ma con due led che flashano insieme per 50ms, dopo un lampo, la tensione scende a 60V. Secondo i calcoli esce una corrente media di 18,8A per due led cioè quasi 10A ciascuno. Quindi la corrente è verosimile che parta tipo a 15A per decadere a 5A a fine lampo. Non so se accettare questa cosa per semplicità circuitale (le resistenze non scaldano nemmeno tanto, sono da 2W) oppure costruire un circuito per mantenere costante la corrente per tutta la durata del flash come quello da te suggerito, anzi tre circuiti di quelli. Magari alla fine il risultato non cambia.
I link che hai postato li ho letti ma sono abbastanza complessi per me.
Per quanto riguarda la protezione nel caso qualcosa rimanga impastato, in teoria non ci sarebbe bisogno perché il DCDC è limitato a 0,9A. Per sicurezza potrei mettere un interruttore termico nel caso per qualsiasi motivo il led supera una certa temperatura. Di sicuro la tua soluzione è molto più elegante ma non saprei come implementarla. Non ne ho capito bene il funzionamento. Interdice il transistor nel caso rimanga in conduzione per più di 50ms?
37 messaggi
• Pagina 3 di 4 • 1, 2, 3, 4
Chi c’è in linea
Visitano il forum: Nessuno e 223 ospiti

Elettrotecnica e non solo (admin)
Un gatto tra gli elettroni (IsidoroKZ)
Esperienza e simulazioni (g.schgor)
Moleskine di un idraulico (RenzoDF)
Il Blog di ElectroYou (webmaster)
Idee microcontrollate (TardoFreak)
PICcoli grandi PICMicro (Paolino)
Il blog elettrico di carloc (carloc)
DirtEYblooog (dirtydeeds)
Di tutto... un po' (jordan20)
AK47 (lillo)
Esperienze elettroniche (marco438)
Telecomunicazioni musicali (clavicordo)
Automazione ed Elettronica (gustavo)
Direttive per la sicurezza (ErnestoCappelletti)
EYnfo dall'Alaska (mir)
Apriamo il quadro! (attilio)
H7-25 (asdf)
Passione Elettrica (massimob)
Elettroni a spasso (guidob)
Bloguerra (guerra)




