https://www.amazon.it/Miflex-condensato ... 178&sr=8-1 questo potrebbe essere il condensatore?
grazie
far funzionare motore da 380 V con 220 V
Moderatori:
SandroCalligaro,
mario_maggi,
fpalone
35 messaggi
• Pagina 3 di 4 • 1, 2, 3, 4
0
voti
0
voti
Il condensatore va bene però mi lascia perplesso il risultato della misura di resistenza* (bel tester vintage, che modello è ?)... puoi verificare se vi sono anellini con lettere di contrassegno anche sui conduttori serrati singolarmente sul mammuth bianco ?
*Ma per "nulla" intendi 0 ohm (lancetta tutta a destra) e per "fine scala" resistenza infinita (tutta a sinistra) ?
P.s. La luce non ti interessa... peccato, è l'unico collegamento certo
porti fase e neutro al trasformatore ed è a posto 
*Ma per "nulla" intendi 0 ohm (lancetta tutta a destra) e per "fine scala" resistenza infinita (tutta a sinistra) ?
P.s. La luce non ti interessa... peccato, è l'unico collegamento certo
"Non farei mai parte di un club che accettasse la mia iscrizione" (G. Marx)
-

claudiocedrone
21,3k 4 7 9 - Master EY

- Messaggi: 15302
- Iscritto il: 18 gen 2012, 13:36
0
voti
nulla significa che l' astina non si muove e rimane a sinistra, fondo scala significa tutto a destra
0
voti
Ah ok, quindi il fondo scala significa corto circuito, 0 ohm o comunque un valore basso di resistenza un po' difficile da stimare visto che le minime divisioni sotto il kiloohm sono da 200 ohm
quindi
(Il thread si sta allungando un po' troppo per i miei gusti... con lo schema originariamente in dotazione si sarebbe risolto in un attimo, così invece divento tedioso anche io perché cerco di avere tutte le informazioni possibili per cerare di risolverti il problema evtando al contempo di combinare casini e fumate varie... )
la mia ipotesi non sarebbe verificata e i tre avvolgimenti risultano marrone X-blu (singolo nel mammuth), nero Y-marrone (singolo nel mammuth) e blu Z-nero (singolo nel mammuth)... hai visto se ci sono anellini anche nei tre conduttori serrrati singolarmente nel mammuth con scritto U, V, W oppure X1, Y1, Z1 ?srg ha scritto: ...filo nero : con nero nulla, con marrone fine scala con blu nulla
filo marrone: con nero nulla,marrone nulla ,blu fine scala
filo blu: con nero fine scala, con marrone nulla, con blu nulla...
(Il thread si sta allungando un po' troppo per i miei gusti... con lo schema originariamente in dotazione si sarebbe risolto in un attimo, così invece divento tedioso anche io perché cerco di avere tutte le informazioni possibili per cerare di risolverti il problema evtando al contempo di combinare casini e fumate varie... )
"Non farei mai parte di un club che accettasse la mia iscrizione" (G. Marx)
-

claudiocedrone
21,3k 4 7 9 - Master EY

- Messaggi: 15302
- Iscritto il: 18 gen 2012, 13:36
2
voti
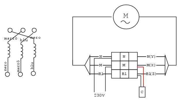
Claudio, scusami se ti do una mano. Srg devi eseguire le prove del senso di rotazione a motore disaccoppiato dalla macchina. Nel caso dovesse girare al contrario spostare il filo rosso del condensatore al morsetto filo nero.
-

StefanoSunda
2.880 3 6 10 - Master

- Messaggi: 1962
- Iscritto il: 16 set 2010, 19:29
0
voti
grazie Stefano per lo schema che sembrerebbe comprensibile anche a me, l' unica cosa è che nei fili che dalla spina entrano nel mammuth prima del motore risultano invertiti il nero che va col marrone e viceversa, la cosa non dovrebbe cambiare molto giusto?
0
voti
No dei colori dei conduttori del cavo trifase precedente non importa assolutamente nulla, segui le indicazioni di
StefanoSunda (che ringrazio per essere intervenuto nuovamente a dare una mano facendo lo schema, altro che scusarsi
) e vai tranquillo. 

"Non farei mai parte di un club che accettasse la mia iscrizione" (G. Marx)
-

claudiocedrone
21,3k 4 7 9 - Master EY

- Messaggi: 15302
- Iscritto il: 18 gen 2012, 13:36
0
voti
Peraltro ora con lo schema di Stefano risulta evidente la logica di cablaggio degli estremi degli avvolgimenti con colori diversi poiché unendo i colori uguali si ottiene proprio la connessione a triangolo...
"Non farei mai parte di un club che accettasse la mia iscrizione" (G. Marx)
-

claudiocedrone
21,3k 4 7 9 - Master EY

- Messaggi: 15302
- Iscritto il: 18 gen 2012, 13:36
0
voti
bene, ringrazio tutti per il prezioso aiuto, giovedi, arrivera' il condensatore e faro' il test , vi faro' sapere i risultati,un' ultima cosa che riguarda il condensatore , i due fili sono uguali o c'è un piu e un meno o qualche cosa di simile ?
grazie ancora Sergio
grazie ancora Sergio
0
voti
No no, i fili sono uguali, non è polarizzato altrimenti non potrebbe essere usato in alternata.
"Non farei mai parte di un club che accettasse la mia iscrizione" (G. Marx)
-

claudiocedrone
21,3k 4 7 9 - Master EY

- Messaggi: 15302
- Iscritto il: 18 gen 2012, 13:36
35 messaggi
• Pagina 3 di 4 • 1, 2, 3, 4
Chi c’è in linea
Visitano il forum: Nessuno e 49 ospiti

Elettrotecnica e non solo (admin)
Un gatto tra gli elettroni (IsidoroKZ)
Esperienza e simulazioni (g.schgor)
Moleskine di un idraulico (RenzoDF)
Il Blog di ElectroYou (webmaster)
Idee microcontrollate (TardoFreak)
PICcoli grandi PICMicro (Paolino)
Il blog elettrico di carloc (carloc)
DirtEYblooog (dirtydeeds)
Di tutto... un po' (jordan20)
AK47 (lillo)
Esperienze elettroniche (marco438)
Telecomunicazioni musicali (clavicordo)
Automazione ed Elettronica (gustavo)
Direttive per la sicurezza (ErnestoCappelletti)
EYnfo dall'Alaska (mir)
Apriamo il quadro! (attilio)
H7-25 (asdf)
Passione Elettrica (massimob)
Elettroni a spasso (guidob)
Bloguerra (guerra)

