Aiuto per circuito elettrico "scolastico"
Moderatori:
carloc,
g.schgor,
BrunoValente,
IsidoroKZ
50 messaggi
• Pagina 2 di 5 • 1, 2, 3, 4, 5
1
voti
Forse meglio così
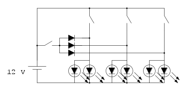
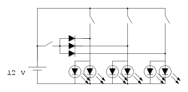
La batteria dovrebbe essere da 12V visto che i LED sono dati a 12V... quelle da 9V durano niente e i LED saranno poco luminosi.
Se i LED saranno tanti (sembra possano arrivare a 50) potrebbero assorbire in totale circa 50x0,02=1A, sarebbe senz'altro meglio usare un alimentatore 12V in grado di fornire quella corrente.
Oppure 8 stilo NiMH ricaricabili in serie
La batteria dovrebbe essere da 12V visto che i LED sono dati a 12V... quelle da 9V durano niente e i LED saranno poco luminosi.
Se i LED saranno tanti (sembra possano arrivare a 50) potrebbero assorbire in totale circa 50x0,02=1A, sarebbe senz'altro meglio usare un alimentatore 12V in grado di fornire quella corrente.
Oppure 8 stilo NiMH ricaricabili in serie
0
voti
Grazie a tutti per le indicazioni, stasera dovrei riuscire a fare qualche prova e vi saprò dire.
Ciao
Marco
Ciao
Marco
0
voti
Stavo ristudiando il disegno e mi sono reso conto, forte della mia totale ignoranza in materia, che mi manca qualcosa...
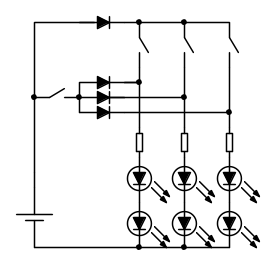
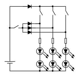
Oltre a batteria, interruttori e led, cosa sono quei 3 "triangolini" posizionati subito dopo l'interruttore che dovrebbe accendere tutti i led?
Ciao
Marco
Oltre a batteria, interruttori e led, cosa sono quei 3 "triangolini" posizionati subito dopo l'interruttore che dovrebbe accendere tutti i led?
Ciao
Marco
0
voti
Puoi darmi indicazioni sulle caratteristiche, cosi domattina li vado a comprare?
Considerando 3 "gruppi" di led ne bastano 3, giusto?
Ciao
Marco
Considerando 3 "gruppi" di led ne bastano 3, giusto?
Ciao
Marco
0
voti
Ho perso un po' il conto di quanti LED piloterà ogni interruttore...detto n tale numero, e ipotizzando y mA per LED (ma questo solo tu puoi saperlo) moltiplicando n per y ricavi quanti mA attraversano ogni diodo che deve reggere.
Se per te è arabo procurati diodi generici ma di potenza, es in package TO220
Se per te è arabo procurati diodi generici ma di potenza, es in package TO220
1
voti
Mah... a mio parere ognuno di quei LED è già tanto se assorbe 20 mA (probabilmente meno), essendo 31 risultano nel caso peggiore poco più di 600 mA (inoltre la caduta di tensione sui diodi diminuisce ulteriormente la tensione quindi l'assorbimento) quindi come diodi sono sufficienti dei comuni 1N4007;
richiurci, ritieni ridondanti i diodi in serie ad ogni interruttore "singolo" dei precedenti schemi ?
"Non farei mai parte di un club che accettasse la mia iscrizione" (G. Marx)
-

claudiocedrone
21,3k 4 7 9 - Master EY

- Messaggi: 15303
- Iscritto il: 18 gen 2012, 13:36
0
voti
I diodi led saranno 31, suddivisi in questo modo per ognuno dei 5 interruttori: 10, 6, 3, 2, 10
Come richiesta 5 interruttori.
-

StefanoSunda
2.885 3 6 10 - Master

- Messaggi: 1965
- Iscritto il: 16 set 2010, 19:29
50 messaggi
• Pagina 2 di 5 • 1, 2, 3, 4, 5
Chi c’è in linea
Visitano il forum: Nessuno e 43 ospiti

Elettrotecnica e non solo (admin)
Un gatto tra gli elettroni (IsidoroKZ)
Esperienza e simulazioni (g.schgor)
Moleskine di un idraulico (RenzoDF)
Il Blog di ElectroYou (webmaster)
Idee microcontrollate (TardoFreak)
PICcoli grandi PICMicro (Paolino)
Il blog elettrico di carloc (carloc)
DirtEYblooog (dirtydeeds)
Di tutto... un po' (jordan20)
AK47 (lillo)
Esperienze elettroniche (marco438)
Telecomunicazioni musicali (clavicordo)
Automazione ed Elettronica (gustavo)
Direttive per la sicurezza (ErnestoCappelletti)
EYnfo dall'Alaska (mir)
Apriamo il quadro! (attilio)
H7-25 (asdf)
Passione Elettrica (massimob)
Elettroni a spasso (guidob)
Bloguerra (guerra)






