Sì.
Consideriamo che originariamente i 2 campanelli vengono battuti alternativamente da un unico battacchio esterno che viene mosso dall'alternatore fatto girare a manovella; ad ogni mezzo giro del rotore si vede il battacchio che va da una parte e seguente altra con il secondo mezzo giro.
Nel mio caso, usando l'EN555 astabile, ho solo picchi di tensione positivi e di conseguenza mi par di notare che il battacchio batte energicamente solo da una parte e poi, per effetto frusata, va dall'altra.
Potendo generare sia il picco positivo che quello negativo, sia pur non sinusaidale, potrei avre una movimentazione più energica del battacchio.
Gtrazie e saluti.
Osvaldo
Semplice inverter con ne555
Moderatori:
carloc,
g.schgor,
BrunoValente,
IsidoroKZ
29 messaggi
• Pagina 2 di 3 • 1, 2, 3
0
voti
0
voti
Se passa da un trasformatore, il segnale esce sicuramente privato della componente continua, probabilmente il tuo oscillatore genera un'onda rettangolare con un duty cycle molto diverso da 50/
-

SediciAmpere
4.187 5 5 8 - Master

- Messaggi: 4847
- Iscritto il: 31 ott 2013, 15:00
0
voti
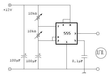
Ecco qua; spero di aver disegnato sufficientemente bene, considerato che è la prima volta che utilizzo FidoCadJ.
Grazie e saluti.
Osvaldo
Errata corrige .. gli schemi/disegni con FidocadJ vanno inseriti fra i tag [fcd]..
Grazie e saluti.
Osvaldo
Errata corrige .. gli schemi/disegni con FidocadJ vanno inseriti fra i tag [fcd]..
Ultima modifica di
mir il 5 mag 2019, 22:05, modificato 2 volte in totale.
Motivazione: Inserito schema con FidocadJ fra i tag [fcd]
Motivazione: Inserito schema con FidocadJ fra i tag [fcd]
0
voti
Prova così
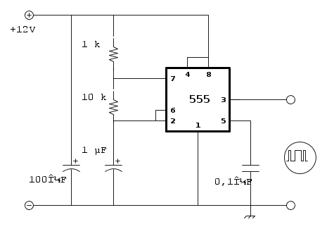
non avendo mai usato un 555 e non volendo impelagarmi in calcoli ho utilizzato un calculator on-line e mi sono messo a goicherellare coi valori... imitando quelli del tuo schema, col condensatore da 100 uF mi risultavano frequenze ben inferiori all'hertz (!) quindi ne ho ridotto il valore di cento volte e con i valori che ho indicato il calculator restituisce una frequenza prossima ai 60 Hz con un duty cicle prossimo al 50% ...
non avendo mai usato un 555 e non volendo impelagarmi in calcoli ho utilizzato un calculator on-line e mi sono messo a goicherellare coi valori... imitando quelli del tuo schema, col condensatore da 100 uF mi risultavano frequenze ben inferiori all'hertz (!) quindi ne ho ridotto il valore di cento volte e con i valori che ho indicato il calculator restituisce una frequenza prossima ai 60 Hz con un duty cicle prossimo al 50% ...
"Non farei mai parte di un club che accettasse la mia iscrizione" (G. Marx)
-

claudiocedrone
21,3k 4 7 9 - Master EY

- Messaggi: 15302
- Iscritto il: 18 gen 2012, 13:36
0
voti
"Non farei mai parte di un club che accettasse la mia iscrizione" (G. Marx)
-

claudiocedrone
21,3k 4 7 9 - Master EY

- Messaggi: 15302
- Iscritto il: 18 gen 2012, 13:36
0
voti
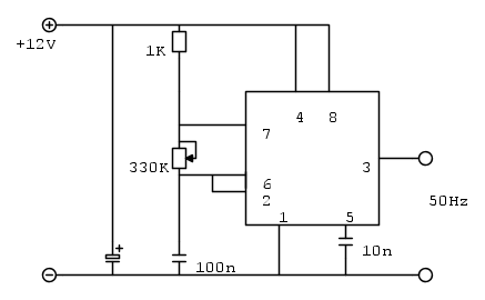
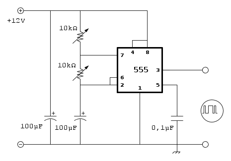
se vogliamo avere una frequenza di 50 Hz con un duty cicle pari al 50 % bisogna fare questo circuito(se il condensatore da 100n è preciso,bisogna regolare il potenziometro per avere una resistenza pari a 144Kohm):
0
voti
Ah bene, quindi col condensatore da ben 100 uF la frequenza risultava davvero di valore infimo (a menoche il valore fosse errato nello schema... però lo ha pure indicato come elettrolitico)...
"Non farei mai parte di un club che accettasse la mia iscrizione" (G. Marx)
-

claudiocedrone
21,3k 4 7 9 - Master EY

- Messaggi: 15302
- Iscritto il: 18 gen 2012, 13:36
0
voti
claudiocedrone ha scritto:Ah bene, quindi col condensatore da ben 100 uF la frequenza risultava davvero di valore infimo ....
ad onor del vero ciò che determina il valore della frequenza è anche la resistenza collegata fra il pin 7 ed i pin 6 e 2;il valore di quella R era di 10K per cui diventava piu grande la capacita del condensatore; ma a parte ciò se vogliamo avere un duty cicle del 50% ,la suddetta resistenza deve avere valori alti in modo tale che quando il condensatore si carica ,a questa carica deve influire poco la resistenza che sta fra alimentazione e pin 7,i manuali consigliano di mettere una R di 1K in modo tale che,quando il condensatore si scarica dal pin 7,la corrente non danneggi l'IC; se mettiamo invece valori che fra queste 2 resistenze si avvicinano o addirittura si eguagliano,è chiaro che il duty cicle non è simmetrico; in particolare con le due resistenze uguali abbiamo che ,durante la carica del condensatore ci vuole un tempo doppio ,rispetto a quando invece questo condensatore si scarica ;infatti esso si scarica solo attraverso la resistenza fra pin 7 e pin 6/2 e ci mette meno tempo a scaricarsi, esattamente la metà,da ciò ne consegue che la forma d'oda in uscita non è simmetrica
29 messaggi
• Pagina 2 di 3 • 1, 2, 3
Chi c’è in linea
Visitano il forum: Nessuno e 191 ospiti

Elettrotecnica e non solo (admin)
Un gatto tra gli elettroni (IsidoroKZ)
Esperienza e simulazioni (g.schgor)
Moleskine di un idraulico (RenzoDF)
Il Blog di ElectroYou (webmaster)
Idee microcontrollate (TardoFreak)
PICcoli grandi PICMicro (Paolino)
Il blog elettrico di carloc (carloc)
DirtEYblooog (dirtydeeds)
Di tutto... un po' (jordan20)
AK47 (lillo)
Esperienze elettroniche (marco438)
Telecomunicazioni musicali (clavicordo)
Automazione ed Elettronica (gustavo)
Direttive per la sicurezza (ErnestoCappelletti)
EYnfo dall'Alaska (mir)
Apriamo il quadro! (attilio)
H7-25 (asdf)
Passione Elettrica (massimob)
Elettroni a spasso (guidob)
Bloguerra (guerra)






