Ciao a tutti,
in casa di mia madre , purtroppo neglia anni nel seminterrato ci sono stati diversi allagamenti. In più il posto è soggetto spesso a disservizi nella fornitura di corrente elettrica durante i temporali. In parole povere c'è bisogno di una pompa e di un soccorrorritore che garantisca continuità anche quando va via la corrente di linea.
Ho dato un 'occhiata a cose già fatte ma visti i coti piuttosto alti mi è venuto in mente di progettarmelo e difare un'istallazione "casalinga "con l'aiuto di una di un amico che ha una ditta abilitata sia per lavori idraulici che elettrici (ai sensi del dm37/08).
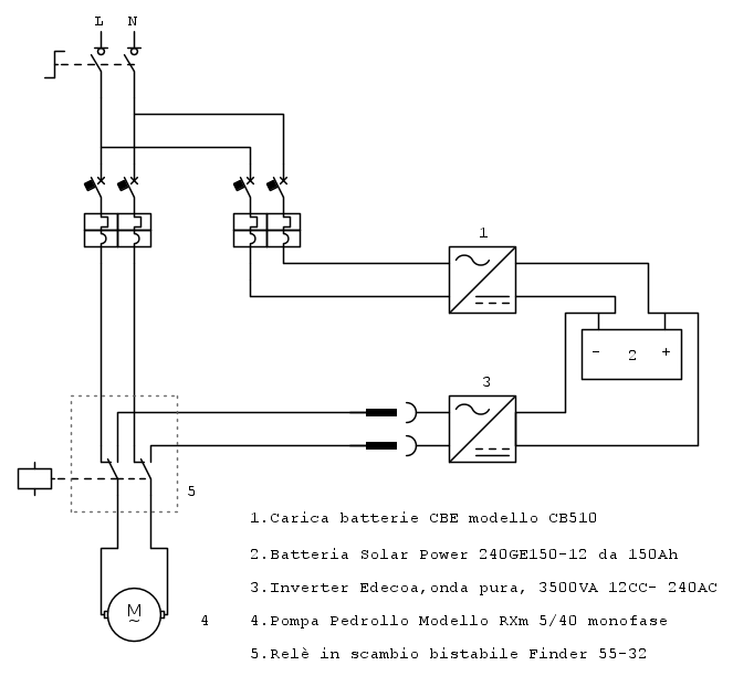
Lo schema che avrei scelto è questo:
Premetto che il carico della pompa è 230V - 6.5A (una pompa piuttosto grande da mandare in c.c. con una batteria e un'inverter... ma questo è dovuto alla portata e la prevalenza che deve avere a causa delle precipitazioni nella zona in questione e del dislivello che deve superare).
Sulla linea della batteria vorrei installare un sistema che mi permetta di evitare scariche profonde, in altre che la tuteli permettendomi di scollegare il carico prima che la tensione scenda sotto i 10,5 V. Ho dato un'occhiata dei relè di soglia voltmetrica ma mi ritrovo convari dubbi:
1)conviene che lo monto sulla parte in continua tra batteria e inverter?
2) conviene che lo monto in c.a. tra inverter e carico?
Il dubbio mi nasce da questa costatazione:
I dispositivi che ho trovato tipo questi:
http://www.parcostoricomontesole.it/test/rele-monitoraggio-tensione/
e piu o meno tutti mi dicono che aprono contatti fino a 5 A... il problema che io ho:
6.5 A 230V oppure circa 125A a 12V... Mi sa che devo trovare qualcos'altro...questi dispositivi mi friggono!
Qualcuno può darmi qualche dritta o indirizzarmi a qualche prodotto compatibile?
Grazie a tutti
dubbi per soccorritore antiallagamento fatto in casa
Moderatori:
sebago,
MASSIMO-G,
lillo,
Mike
18 messaggi
• Pagina 1 di 2 • 1, 2
0
voti
Posso chiederti come mai hai scartato l'opzione G.E. endotermico?
Ognuno sta solo sul cuor della terra
trafitto da un raggio di sole:
ed è subito sera
Salvatore Quasimodo
trafitto da un raggio di sole:
ed è subito sera
Salvatore Quasimodo
0
voti
domanda mirata quella di attilio.
lo schema postato ha due grossi difetti: costa di piu' di un generatore ed ha un'autonomia limitata, oltre alla durata relativamente limitata della vita delle batterie.
lo schema postato ha due grossi difetti: costa di piu' di un generatore ed ha un'autonomia limitata, oltre alla durata relativamente limitata della vita delle batterie.
0
voti
E direttamente una motopompa ?
"Non farei mai parte di un club che accettasse la mia iscrizione" (G. Marx)
-

claudiocedrone
21,3k 4 7 9 - Master EY

- Messaggi: 15300
- Iscritto il: 18 gen 2012, 13:36
0
voti
Installare una motopompa significa andare abitualmente a gasolio invece che limitarsi alle poche volte in cui ci sia la assenza di energia elettrica: in più con il gruppo ci può alimentare anche altri carichi.
0
voti
Immagino che in caso di allagamenti/alluvioni la pompa venga messa in funzione almeno per 48/72 ore continuative. Difficile immaginare una batteria adeguata a un impiego del genere: nel migliore dei casi ti abbandona dopo due ore.
Sono anche io a favore del gruppo elettrogeno a motore.
Sono anche io a favore del gruppo elettrogeno a motore.
Alberto.
0
voti
Goofy ha scritto:Installare una motopompa significa andare abitualmente a gasolio invece che limitarsi alle poche volte in cui ci sia la assenza di energia elettrica: in più con il gruppo ci può alimentare anche altri carichi.
Presumo si riferisca a un gruppo elettrogeno più che una motopompa. Per avere un'autonomia decente a basso costo è la soluzione migliore a mio avviso.
--
Michele Lysander Guetta
--
"Non pensare mai al dolore, al pericolo o ai nemici un momento più lungo del necessario per combatterli." — Ayn Rand
Michele Lysander Guetta
--
"Non pensare mai al dolore, al pericolo o ai nemici un momento più lungo del necessario per combatterli." — Ayn Rand
-

Mike
55,6k 7 10 12 - G.Master EY

- Messaggi: 17003
- Iscritto il: 1 ott 2004, 18:25
- Località: Conegliano (TV)
0
voti
Allora vi racconto tutta la storia...ma poi promettete di darmi una mano invece di fare solo "salotto"...sto scherzando
...la storia è questa:
La casa in questione è stata costruita nell'86 assieme ad altre 4 villettine. Il geometra che l'aveva progettata pur amando i seminterrati non si era posto il minimo problema relativamente agli scarichi e ai livelli.
Poco prima di essere terminata visto, che emersero da subito i problemi, insieme alle altre tre case, venne dotata di pompa con gruppo elettrogeno a gasolio (a spese del costruttore del geometra che avevano sbagliato) Il fatto è che in poco più di trenta anni l'acqua è comunque entrata varie volte,anche 50 cm,alcune delle quali perché il gruppo pur essendo sottoposto a revisione annuale ha fatto cilecca. Per questa ragione ho scartato il GE endotermico.
Ora vorrei dotarmi di sistema singolo visto che i vicini non c'è verso di coordinarci per arrivare ad una soluzione comune. Per inciso a causa della configurazione spaziale e dei livelli che c'era mi sono accorto che prendevo parte dell'acqua dei confinanti. Intanto mi sono isolato (ora prendo solo l'acqua che piove su casa mia).da diversi mesi sto pensando al soccorritore.Ho fatto il calcolo del volume di acqua che cade in un ora ,
in base alle precipitazioni degli ultimi trent'anni .Ho dimensionato e scelto la pompa per portata e prevalenza.Ho cercato delle batterie che potesso essere utlizzate a tale scopo (non quelle delle auto che si usurano prima)ho cercato capire l'inverter da utilizzare (potenza , tipo di onda, ecc) ora so che il punto debole del sistema sono le batterie e per questo chiedo consiglio per trovare un sistema efficace per disattivarle sotto una certa soglia di carica. Inoltre vorrei inforamarvi che la corrente di linea, statisticamente, se ne va via mediamente da mezz'ora ad un ora durante i temporali....Per questo ho messo una batteria da 140Ah che dovrebbe avere autonomia di circa 3/4 d'ora - 1 ora con quella pompa installata.
Qualcuno può aiutarmi co la disattivazione del carico dall'alimentazione a batteria quando essa scende sotto la soglia dei 10.5V ?
La casa in questione è stata costruita nell'86 assieme ad altre 4 villettine. Il geometra che l'aveva progettata pur amando i seminterrati non si era posto il minimo problema relativamente agli scarichi e ai livelli.
Poco prima di essere terminata visto, che emersero da subito i problemi, insieme alle altre tre case, venne dotata di pompa con gruppo elettrogeno a gasolio (a spese del costruttore del geometra che avevano sbagliato) Il fatto è che in poco più di trenta anni l'acqua è comunque entrata varie volte,anche 50 cm,alcune delle quali perché il gruppo pur essendo sottoposto a revisione annuale ha fatto cilecca. Per questa ragione ho scartato il GE endotermico.
Ora vorrei dotarmi di sistema singolo visto che i vicini non c'è verso di coordinarci per arrivare ad una soluzione comune. Per inciso a causa della configurazione spaziale e dei livelli che c'era mi sono accorto che prendevo parte dell'acqua dei confinanti. Intanto mi sono isolato (ora prendo solo l'acqua che piove su casa mia).da diversi mesi sto pensando al soccorritore.Ho fatto il calcolo del volume di acqua che cade in un ora ,
in base alle precipitazioni degli ultimi trent'anni .Ho dimensionato e scelto la pompa per portata e prevalenza.Ho cercato delle batterie che potesso essere utlizzate a tale scopo (non quelle delle auto che si usurano prima)ho cercato capire l'inverter da utilizzare (potenza , tipo di onda, ecc) ora so che il punto debole del sistema sono le batterie e per questo chiedo consiglio per trovare un sistema efficace per disattivarle sotto una certa soglia di carica. Inoltre vorrei inforamarvi che la corrente di linea, statisticamente, se ne va via mediamente da mezz'ora ad un ora durante i temporali....Per questo ho messo una batteria da 140Ah che dovrebbe avere autonomia di circa 3/4 d'ora - 1 ora con quella pompa installata.
Qualcuno può aiutarmi co la disattivazione del carico dall'alimentazione a batteria quando essa scende sotto la soglia dei 10.5V ?
Il blog degli impianti
di enea pacini - firenze
di enea pacini - firenze
1
voti
Non ti basta forzare il rele di scambio verso la rete quando la tensione della batteria va sotto soglia? Il guppo elettrogeno comunque deve essere messo in funzione e controllato a intervalli molto più brevi che un anno. Direi di fare un avviamento a intervalli non maggiori di 15 giorni
0
voti
@goof veramente il relè 5 doveva essere orientato verso la linea dal contatore quando era eccitato e quando la bobina si diseccittava per mancanza di corrente doveva commutarsi verso la linea della batteria...
riguardo al gruppo elettrogeno so che è delicato e dovrebbe essere controllato spesso...solo che io sono lontano 50 km e non posso andarci. L'incaricato per venire una /due volte l'anno mi sembra che voglia 300-400 euro...e gli altri condomini non sono disposti a pagare in più per avere controlli più frequenti, per questo vorrei organizzarmi da solo...
riguardo al gruppo elettrogeno so che è delicato e dovrebbe essere controllato spesso...solo che io sono lontano 50 km e non posso andarci. L'incaricato per venire una /due volte l'anno mi sembra che voglia 300-400 euro...e gli altri condomini non sono disposti a pagare in più per avere controlli più frequenti, per questo vorrei organizzarmi da solo...
Il blog degli impianti
di enea pacini - firenze
di enea pacini - firenze
18 messaggi
• Pagina 1 di 2 • 1, 2
Torna a Impianti, sicurezza e quadristica
Chi c’è in linea
Visitano il forum: Nessuno e 70 ospiti

Elettrotecnica e non solo (admin)
Un gatto tra gli elettroni (IsidoroKZ)
Esperienza e simulazioni (g.schgor)
Moleskine di un idraulico (RenzoDF)
Il Blog di ElectroYou (webmaster)
Idee microcontrollate (TardoFreak)
PICcoli grandi PICMicro (Paolino)
Il blog elettrico di carloc (carloc)
DirtEYblooog (dirtydeeds)
Di tutto... un po' (jordan20)
AK47 (lillo)
Esperienze elettroniche (marco438)
Telecomunicazioni musicali (clavicordo)
Automazione ed Elettronica (gustavo)
Direttive per la sicurezza (ErnestoCappelletti)
EYnfo dall'Alaska (mir)
Apriamo il quadro! (attilio)
H7-25 (asdf)
Passione Elettrica (massimob)
Elettroni a spasso (guidob)
Bloguerra (guerra)






