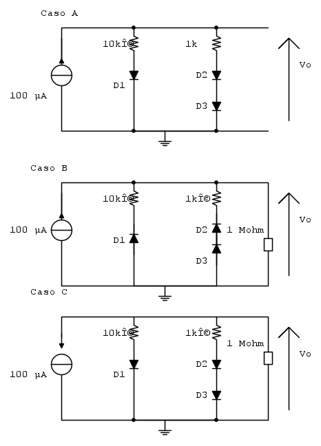
Non capisco perché il circuito con i tre diodi interdetti è un assurdo, mi sfugge qualcosa..
Se esiste un generatore di corrente ( 100 uA), la corrente si deve chiudere da qualche parte, quindi almeno un diodo è in conduzione.
Moderatori:
g.schgor,
IsidoroKZ
Non capisco perché il circuito con i tre diodi interdetti è un assurdo, mi sfugge qualcosa..
MarcoD ha scritto:Non capisco perché il circuito con i tre diodi interdetti è un assurdo, mi sfugge qualcosa..![]()
Se esiste un generatore di corrente ( 100 uA), la corrente si deve chiudere da qualche parte, quindi almeno un diodo è in conduzione.


MarcoD ha scritto:Ricamo un poco sull'argomento:![]()
I generatori ideali sono ideali e non esistono.
Tutti i generatori reali hanno una resistenza interna ( in serie per quelli di tensione, in parallelo per quelli di corrente).
siamo più abituati ai generatori ideali di tensione rispetto a quelli di corrente.
Se ti tranquillizza, pensa a un generatore di corrente di 100 uA come a un generatore di tensione
da 100 V con in serie un resistore da 1Mohm.( oppure 1000 V con R = 10Mohm).
Si suppone anche che l'esercizio non sia "bastardostrano" ossia sia risolvibile con un valore finito e ragionevole.
Nello schema del 3D, se i diodi fossero tutti montati invertiti, sarebbero tutti interdetti e allo
la risposta corretta sarebbe " tensione infinita", ma si suppone che un esercizio così "strano" non venga dato, oppure che sia fatto affinchè lo studente chieda il valore della tensione di " breakdown " ossia di tensione zener dei diodi.

No, forse non hai compreso quanto ho scritto, oppure non sono stato chiaro.allora la tensione anodo-catodo dei diodi è anch'essa infinita ed è impossibile perché non rispetta l'ipotesi iniziali che i diodi fossero spenti, cioè che Vd < 0.6V => Inf < 0.6V falso.
MarcoD ha scritto:No, forse non hai compreso quanto ho scritto, oppure non sono stato chiaro.
Ti pongo due nuovi esercizi ( Casi B e C).
Una mia curiosità/domande:
fino ad ora hai studiato elettrotecnica esclusivamente sui libri?
Hai mai montato un circuito elettrico?
Possiedi un multimetro?
Con meno di 10 Euro (5 per il multimetro cinese al mercato , pochi altri per pila 9V, resistori e diodi 1N4004) potresti replicare gli esercizi ed acquistare confidenza e cosapevolezza con l'elettrotecnica didattica.
MarcoD ha scritto:Nel caso B è 100 V.
nel caso C è -100 V , la polarità è importante !
prova ad alimentare un'autoradio con polarità invertita !!
Torna a Elettrotecnica generale
Visitano il forum: Nessuno e 95 ospiti