Salve,
Sto realizzando un DCDC (step-up) per un piccolo progetto che ho in mente. Devo semplicemente alimentare 3 scaldini (delle resistenze sostanzialmente).
Ora il mio dubbio è sul collegamento, ovviamente li posso collegare sia in serie che in parallelo, ma quale è il modo più efficiente per il DCDC.
Mi spiego meglio: è più conveniente collegarli in parallelo e avere una tensione Vout più vicina alla Vin oppure è meglio collegarli in serie per minimizzare la corrente?
Come è meglio far lavorare il DCDC? Grazie in anticipo.
FM
Massimizzare efficienza DCDC
Moderatori:
carloc,
g.schgor,
BrunoValente,
IsidoroKZ
11 messaggi
• Pagina 1 di 2 • 1, 2
2
voti
La potenza dissipata dal carico è sempre la stessa, ma il DCDC dissipa meno se la corrente è più bassa, per cui, se puoi, ti conviene salire in tensione.
-

PietroBaima
90,7k 7 12 13 - G.Master EY

- Messaggi: 12206
- Iscritto il: 12 ago 2012, 1:20
- Località: Londra
3
voti
Pero` non bisogna salire troppo, altrimenti il convertitore comincia a patire per il duty cycle troppo piccolo, e quindi il rendimento scende di nuovo 
Bisogna avere dei numeri per fare una valutazione.
Bisogna avere dei numeri per fare una valutazione.
Per usare proficuamente un simulatore, bisogna sapere molta più elettronica di lui
Plug it in - it works better!
Il 555 sta all'elettronica come Arduino all'informatica! (entrambi loro malgrado)
Se volete risposte rispondete a tutte le mie domande
Plug it in - it works better!
Il 555 sta all'elettronica come Arduino all'informatica! (entrambi loro malgrado)
Se volete risposte rispondete a tutte le mie domande
0
voti
Scusate per la risposta in ritardo ma non mi arrivano le notifiche mail.
Comunque, gli scaldini hanno una resistenza di 40 ohm e vanno alimentati tra i 5 e i 6 volt.
La tensione di alimentazione Vin del DCDC viene da una batteria e a seconda del modello va dai 3.3 ai 5 volt.
Comunque, gli scaldini hanno una resistenza di 40 ohm e vanno alimentati tra i 5 e i 6 volt.
La tensione di alimentazione Vin del DCDC viene da una batteria e a seconda del modello va dai 3.3 ai 5 volt.
-

federicomassimi
5 4 - Messaggi: 29
- Iscritto il: 18 dic 2018, 10:39
0
voti
Guarda la tabella seguente:
Con 3 scaldini a:
5 V hai 1.9 W
6 V hai 2.7 W
3.3 V hai 0.8 W
Supponendo di volere 2.3 W (valore di Potenza medio tra 5 V e 6 V)
ti occorrono:
- 4 scaldini a 5 V
- 8 scaldini a 3.3 V
In questo modo l'efficienza del sistema e' il 100% (non hai bisogno del DC/DC converter)
Puoi variare il numero degli scaldini?
Con 3 scaldini a:
5 V hai 1.9 W
6 V hai 2.7 W
3.3 V hai 0.8 W
Supponendo di volere 2.3 W (valore di Potenza medio tra 5 V e 6 V)
ti occorrono:
- 4 scaldini a 5 V
- 8 scaldini a 3.3 V
In questo modo l'efficienza del sistema e' il 100% (non hai bisogno del DC/DC converter)
Puoi variare il numero degli scaldini?
2
voti
Provo a fare due conti in croce per vedere l'efficienza mettendo in serie i carichi.
Servono 18V e 150mA, partendo da una tensione di caso peggiore di 3.3V, che vuol dire un guadagno di tensione di circa 6 volte, e quindi la corrente media di ingresso viene circa di 900mA. Il duty cycle per ottenere una moltiplicazione di tensione di 6 volte vale circa 83%. che vuol dire che l'interruttore vede una corrente media (in modo continuo, con poco ripple) di circa 750mA e una corrente di picco media di 900mA ed efficace di circa 820mA.
Se non si vuole uccidere il rendimento bisogna usare un diodo di uscita Schottky, che dara` una perdita di circa una ottantina di milliwat.
Per l'ingresso bisogna usare un induttore a bassa resistenza: se si sceglie una con resistenza DC da 100mohm o meno, la potenza dissipata e` dell'ordine di nuovo di una ottantina di milliwatt. Per il MOS ci vuole qualcosa di analogo, ad esempio una Rdson a caldo di 120mΩ. Poi ci sono le perdite di commutazione, che dipendono dalla frequenza di commutazione e da come si pilota il MOS. Totale direi almeno 300mW di perdite che fanno un redimento dalle parti del 90%. Se la tensione di ingresso sale, le cose migliorano.
Poi bisogna scegliere bene il circuito di controllo, che riesca a far partire il boost con soli 3.3V: potrebbe essere complicato trovare un MOS adatto. Una volta partito si puo` usare la stessa tensione di uscita per pilotare il MOS.
Servono 18V e 150mA, partendo da una tensione di caso peggiore di 3.3V, che vuol dire un guadagno di tensione di circa 6 volte, e quindi la corrente media di ingresso viene circa di 900mA. Il duty cycle per ottenere una moltiplicazione di tensione di 6 volte vale circa 83%. che vuol dire che l'interruttore vede una corrente media (in modo continuo, con poco ripple) di circa 750mA e una corrente di picco media di 900mA ed efficace di circa 820mA.
Se non si vuole uccidere il rendimento bisogna usare un diodo di uscita Schottky, che dara` una perdita di circa una ottantina di milliwat.
Per l'ingresso bisogna usare un induttore a bassa resistenza: se si sceglie una con resistenza DC da 100mohm o meno, la potenza dissipata e` dell'ordine di nuovo di una ottantina di milliwatt. Per il MOS ci vuole qualcosa di analogo, ad esempio una Rdson a caldo di 120mΩ. Poi ci sono le perdite di commutazione, che dipendono dalla frequenza di commutazione e da come si pilota il MOS. Totale direi almeno 300mW di perdite che fanno un redimento dalle parti del 90%. Se la tensione di ingresso sale, le cose migliorano.
Poi bisogna scegliere bene il circuito di controllo, che riesca a far partire il boost con soli 3.3V: potrebbe essere complicato trovare un MOS adatto. Una volta partito si puo` usare la stessa tensione di uscita per pilotare il MOS.
Per usare proficuamente un simulatore, bisogna sapere molta più elettronica di lui
Plug it in - it works better!
Il 555 sta all'elettronica come Arduino all'informatica! (entrambi loro malgrado)
Se volete risposte rispondete a tutte le mie domande
Plug it in - it works better!
Il 555 sta all'elettronica come Arduino all'informatica! (entrambi loro malgrado)
Se volete risposte rispondete a tutte le mie domande
0
voti
@elfo:
Purtroppo il numero di scaldini è fisso, hanno dei fissaggi specifici sul case e c'è posto solo per 3.
@IsidoroKZ:
Ho capito il ragionamento che hai fatto. Potrebbe essere una soluzione usare 3 DCDC separati, uno per ogni scaldino? Dovrei vedere a cosa si arriva in temperini di costi e area, vale la pena pensare anche a questa soluzione per migliorare l'efficienza?
Purtroppo il numero di scaldini è fisso, hanno dei fissaggi specifici sul case e c'è posto solo per 3.
@IsidoroKZ:
Ho capito il ragionamento che hai fatto. Potrebbe essere una soluzione usare 3 DCDC separati, uno per ogni scaldino? Dovrei vedere a cosa si arriva in temperini di costi e area, vale la pena pensare anche a questa soluzione per migliorare l'efficienza?
-

federicomassimi
5 4 - Messaggi: 29
- Iscritto il: 18 dic 2018, 10:39
0
voti
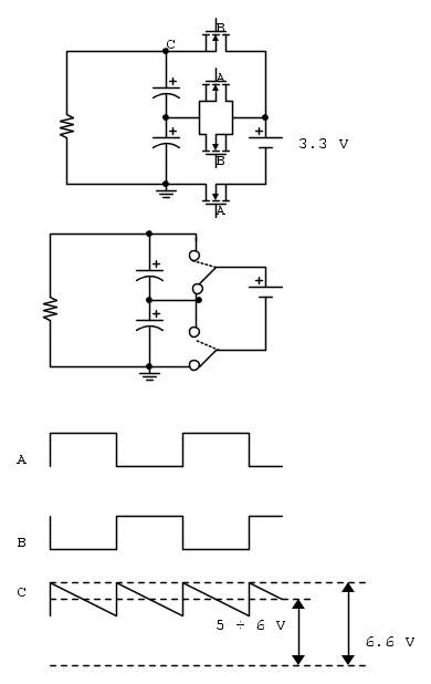
Qual e' il rendimento del circuito di figura, supponendo la resistenza dei mosfet (switch) trascurabile?
La frequenza di switching conviene tenerla piu' bassa possibile (compatibilmente con avere capacita' di valore "umano")?
La tensione di uscita puo' essere impostata "giocando" sul ripple (valore di condensatori).
La frequenza di switching conviene tenerla piu' bassa possibile (compatibilmente con avere capacita' di valore "umano")?
La tensione di uscita puo' essere impostata "giocando" sul ripple (valore di condensatori).
1
voti
elfo ha scritto:Qual e' il rendimento del circuito di figura...
Basso, dipende dal ripple. Le capacità commutata sono delle resistenze, anche con interruttori ideali
Per usare proficuamente un simulatore, bisogna sapere molta più elettronica di lui
Plug it in - it works better!
Il 555 sta all'elettronica come Arduino all'informatica! (entrambi loro malgrado)
Se volete risposte rispondete a tutte le mie domande
Plug it in - it works better!
Il 555 sta all'elettronica come Arduino all'informatica! (entrambi loro malgrado)
Se volete risposte rispondete a tutte le mie domande
0
voti
Nel circuito reale, inoltre, bisognerebbe tener conto anche degli effetti parassiti presenti nel circuito, in quanto all'aumentare del duty cycle il voltage transfer ratio si abbassa notevolmente rispetto alla medesima caratteristica ideale.
Il Conte di Montecristo
Se non studio un giorno, me ne accorgo io. Se non studio due giorni, se ne accorge il pubblico.
Io devo studiare sodo e preparare me stesso perché prima o poi verrà il mio momento.
Abraham Lincoln
Se non studio un giorno, me ne accorgo io. Se non studio due giorni, se ne accorge il pubblico.
Io devo studiare sodo e preparare me stesso perché prima o poi verrà il mio momento.
Abraham Lincoln
-

EdmondDantes
11,9k 8 11 13 - Disattivato su sua richiesta
- Messaggi: 3619
- Iscritto il: 25 lug 2009, 22:18
- Località: Marsiglia
11 messaggi
• Pagina 1 di 2 • 1, 2
Chi c’è in linea
Visitano il forum: Nessuno e 33 ospiti

Elettrotecnica e non solo (admin)
Un gatto tra gli elettroni (IsidoroKZ)
Esperienza e simulazioni (g.schgor)
Moleskine di un idraulico (RenzoDF)
Il Blog di ElectroYou (webmaster)
Idee microcontrollate (TardoFreak)
PICcoli grandi PICMicro (Paolino)
Il blog elettrico di carloc (carloc)
DirtEYblooog (dirtydeeds)
Di tutto... un po' (jordan20)
AK47 (lillo)
Esperienze elettroniche (marco438)
Telecomunicazioni musicali (clavicordo)
Automazione ed Elettronica (gustavo)
Direttive per la sicurezza (ErnestoCappelletti)
EYnfo dall'Alaska (mir)
Apriamo il quadro! (attilio)
H7-25 (asdf)
Passione Elettrica (massimob)
Elettroni a spasso (guidob)
Bloguerra (guerra)
pigreco]=π

