Cos'è ElectroYou | Login Iscriviti

ElectroYou - la comunità dei professionisti del mondo elettrico

Circuito con 2 Generatori(Sinusoidale e Costante)

Elettronica lineare e digitale: didattica ed applicazioni

Moderatori: Foto Utentecarloc, Foto Utenteg.schgor, Foto UtenteBrunoValente, Foto UtenteIsidoroKZ

0
voti

[1] Circuito con 2 Generatori(Sinusoidale e Costante)

Messaggioda Foto UtenteDavide9792 » 1 lug 2019, 16:52

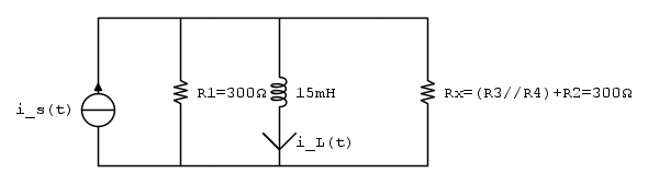
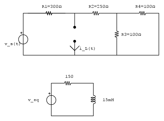
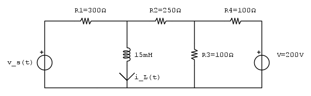
Un altro esercizio molto simpatico, questo è lo schema:


Sapendo che
v_s(t)= 100cos(10^4t) V
i_L(0)= -1 A
Calcola i_L(t)

Ho pensato come 1° step di applicare la sovrapposizione degli effetti(spengo il generatore v_s(t) dopodiché applico Thevenin ai capi dell'induttore e mi trovo la Req e la Veq, stesso procedimento per l'altro generatore(in questo caso vado a cercare La Veq del generatore Sinusoidale dato che la Req è sempre la stessa).

Consigli su come impostare l'esercizio o altre strade più semplici? :D
Avatar utente
Foto UtenteDavide9792
30 5
 
Messaggi: 32
Iscritto il: 25 apr 2018, 9:00

0
voti

[2] Re: Circuito con 2 Generatori(Sinusoidale e Costante)

Messaggioda Foto UtenteIsidoroKZ » 1 lug 2019, 17:08

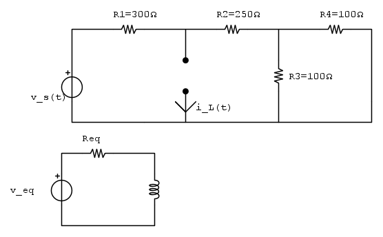
Visto che in continua l'induttore e` un cortocircuito, puoi semplificare il tutto cosi`



e non serve piu` Thevenin, basta la legge di Ohm e un partitore di corrente. Invece per il contributo della sorgente sinusoidale direi che ci voglia Thevenin.
Per usare proficuamente un simulatore, bisogna sapere molta più elettronica di lui
Plug it in - it works better!
Il 555 sta all'elettronica come Arduino all'informatica! (entrambi loro malgrado)
Se volete risposte rispondete a tutte le mie domande
Avatar utente
Foto UtenteIsidoroKZ
121,2k 1 3 8
G.Master EY
G.Master EY
 
Messaggi: 21059
Iscritto il: 17 ott 2009, 0:00

0
voti

[3] Re: Circuito con 2 Generatori(Sinusoidale e Costante)

Messaggioda Foto UtenteDavide9792 » 1 lug 2019, 17:54

Grazie per la risposta Isodoro :-)
Ho una domanda, per applicare il partitore di corrente in questo caso non dovrei prima far uso della trasformazione di una sorgente?
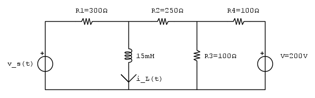
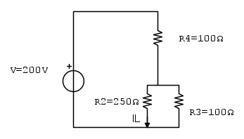
Se applico il partitore di tensione sulla R3 trovo V_{R3}= 200\frac{100}{100+100}=100 V e infine mi trovo il valore della corrente facendo i_L(t) = \frac{V_{R3}}{250} = \frac{2}{5} = 0,4 A

Provo a calcolare la parte del circuito in regime sinusoidale.
Rettifico il primo post: Calcola la corrente i_L(t>0)
Avatar utente
Foto UtenteDavide9792
30 5
 
Messaggi: 32
Iscritto il: 25 apr 2018, 9:00

0
voti

[4] Re: Circuito con 2 Generatori(Sinusoidale e Costante)

Messaggioda Foto UtenteDavide9792 » 1 lug 2019, 19:32

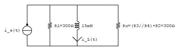
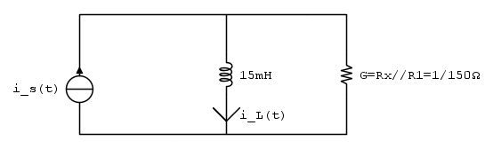
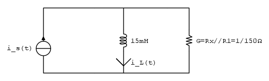
Schema del circuito in regime sinusoidale(sotto l'applicazione della sovrapposizione):



Nello schema ho semplificato facendo il parallelo delle due resistenze da 100 ohm più la resistenza in serie da 250 Ohm.
Adesso applico la trasformazione di una sorgente e trovo il seguente circuito:


i_s(t) = \frac{v_s(t)}{300} = \frac{100cos(10^4t)}{300} = \frac{cos(10^4t)}{3} A

Sommo le due resistenze in parallelo da 300 Omh:


Passo ai fasori e applico il transitorio per calcolcarmi la corrente i_L(t>0):

i_s(t)=I_scos(wt+\phi_s)

|I^{P}_{L}| = \frac{I_s}{\sqrt{1+w^2G^2L^2}} = \frac{\frac{1}{3}}{\sqrt{1+(10^4)^2\cdot(\frac{1}{200})^2\cdot(15x10^{-3})^2}}=\frac{\frac{1}{3}}{\frac{5}{4}}

|I^{P}_{L}| =\frac{4}{15}=0,266 A

\phi^{P}_{L} = \phi_{s} - tang^{-1}(wGL) = 0-36,9 = -36,9

i^{P}_{L}(t) = |I^{P}_{L}|cos(wt+\phi^{P}_{L}) = \frac{4}{15}cos(10^4t - 36,9)

Per t>0

\tau_L=  G \cdot L = \frac{1}{200}\cdot(15x10^{-3}) = 7,5x10^{-5}

i_L(t) = (i_L(0) - |I^{P}_{L}|cos(\phi^{P}_{L}))e^{-\frac{t}{\tau_L}} + |I^{P}_{L}|cos(wt+\phi^{P}_{L})

i_L(t) = (-1-\frac{4}{15}cos(-36,9))e^{-\frac{t}{7,5x10^{-5}}} +\frac{4}{15}cos(10^4t - 36,9)

Non sono del tutto sicuro di questi calcoli, per cui sarei molto grato a chi potesse supervisionarli :cool:
Avatar utente
Foto UtenteDavide9792
30 5
 
Messaggi: 32
Iscritto il: 25 apr 2018, 9:00

0
voti

[5] Re: Circuito con 2 Generatori(Sinusoidale e Costante)

Messaggioda Foto UtenteIsidoroKZ » 1 lug 2019, 23:21

Davide9792 ha scritto:Grazie per la risposta Isodoro :-)
Ho una domanda, per applicare il partitore di corrente in questo caso non dovrei prima far uso della trasformazione di una sorgente?


No, guarda lo schema, solo per la continua, quando l'induttanza e` un cortocircuito. Devi trovare IL in questo schema


Non serve nessuna trasformazione. Per la parte in AC invece puoi fare un eq. Thevenin della sorgente e di tutte le resistenze in questo modo



Da come hai scritto il problema sembra che il circuito sia a regime: entrambi i segnali sono cominciati a t dalle parti di meno infinito, quindi niente transitori, basta usare i fasori per trovare la corrente in L, in modulo e fase.
Per usare proficuamente un simulatore, bisogna sapere molta più elettronica di lui
Plug it in - it works better!
Il 555 sta all'elettronica come Arduino all'informatica! (entrambi loro malgrado)
Se volete risposte rispondete a tutte le mie domande
Avatar utente
Foto UtenteIsidoroKZ
121,2k 1 3 8
G.Master EY
G.Master EY
 
Messaggi: 21059
Iscritto il: 17 ott 2009, 0:00

0
voti

[6] Re: Circuito con 2 Generatori(Sinusoidale e Costante)

Messaggioda Foto UtenteDavide9792 » 2 lug 2019, 10:33



Ti ringrazio adesso è molto più chiaro il concetto, purtroppo sono alle prime armi per cui molte cose non riesco a vederle ad occhio. Applico il partitore di corrente e la legge di Ohm:

i_L(t) = \frac{100}{100+250} \frac{7}{6}= \frac{1}{3}A.

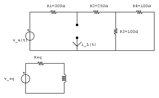
Per il circuito in regime sinusoidale applico Thevenin ai capi dell'induttore e mi calcolo la Req e la veq:



R_{eq}= 150 Omh
v_{eq}= \frac{300}{300+300}v_s(t)= 50cos(10^4t) V

Dato che il testo mi da la condizione iniziale di i_L(0) e la funzione di ingresso, e mi chiede di calcolare i_L(t>0) in questo caso per quanto riguarda il circuito in regime sinusoidale non dovrei calcolare la soluzione particolare tramite il passaggio del transitorio??
Purtroppo non ho altri dettagli, di solito ci tocca calcolare i transitori, quindi ti chiedo se riesci a darmi qualche informazione in più o se devo semplicemente passare ai fasori, calcolarmi la corrente e sommare i due contributi ottenuti con la sovrapposizione.
Grazie per l'aiuto! :D
Avatar utente
Foto UtenteDavide9792
30 5
 
Messaggi: 32
Iscritto il: 25 apr 2018, 9:00


Torna a Elettronica generale

Chi c’è in linea

Visitano il forum: Nessuno e 238 ospiti