Guarda, se riuscirai a farmi capire come fare dovrò davvero dedicarti un piccolo altare a casa mia. Comunque, se hai questa grande pazienza domani mattina mi fiondo a seguire i punti che mi hai indicato e posto piano piano i risultati che ottengo e vediamo di arrivare alla matrice di stato.
L'esame sarà giorno 23, ho ancora tempo per esercitarmi al meglio. Grazie di cuore Renzo
Consigli sulla risoluzione del transitorio
Moderatori:
g.schgor,
IsidoroKZ
1
voti
Ultima modifica di
MrEngineer il 9 lug 2019, 19:20, modificato 3 volte in totale.
-

MrEngineer
144 1 7 - Frequentatore

- Messaggi: 190
- Iscritto il: 18 mag 2019, 12:02
0
voti
Buongiorno, tra un po' mi metto all'opera. Il metodo del circuito resistivo associato è un metodo dalla portata generale, o funziona solo in certi casi?
-

MrEngineer
144 1 7 - Frequentatore

- Messaggi: 190
- Iscritto il: 18 mag 2019, 12:02
1
voti
Buongiorno anche a te.
Il metodo è generalmente applicabile a tutte le reti lineari,... almeno per quanto possa ricordare.
Il metodo è generalmente applicabile a tutte le reti lineari,... almeno per quanto possa ricordare.
"Il circuito ha sempre ragione" (Luigi Malesani)
0
voti
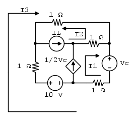
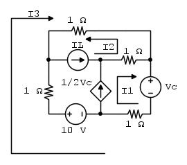
Allora, tanto per iniziare ho trasformato la rete in questo modo.
Mi avvio verso la ricerca della
e della
. Tutte le grandezze sono ovviamente espresse in termini fasoriali.
Mm.. ma allora come mai non ne ho sentito parlare?
Ok, dov'è la magagna? Quando una cosa sembra semplice, c'è sempre la magagna
Mi avvio verso la ricerca della
e della
. Tutte le grandezze sono ovviamente espresse in termini fasoriali.RenzoDF ha scritto:Il metodo è generalmente applicabile a tutte le reti lineari,... almeno per quanto possa ricordare.
Mm.. ma allora come mai non ne ho sentito parlare?
Ok, dov'è la magagna? Quando una cosa sembra semplice, c'è sempre la magagna
-

MrEngineer
144 1 7 - Frequentatore

- Messaggi: 190
- Iscritto il: 18 mag 2019, 12:02
1
voti
MrEngineer ha scritto: ...Mm.. ma allora come mai non ne ho sentito parlare?![]()
Ok, dov'è la magagna? Quando una cosa sembra semplice, c'è sempre la magagna
Se pensi ci sia una "magagna", magari hai ragione; ... lascia perdere questo metodo.
"Il circuito ha sempre ragione" (Luigi Malesani)
1
voti
RenzoDF ha scritto:Ok, poi dalla stessa rete per t=0+, determina anche le condizioni iniziali per![]()
e.
Ovvero ti riferisci a questo punto, giusto?
2) Vai a ricavarti la correnteentrante nel condensatore e la tensione
ai morsetti dell'induttore (convenzione utilizzatori), usando un metodo qualsiasi.
RenzoDF ha scritto:... lascia perdere questo metodo.
Comunque, sto impostando un sistema 3x3, vediamo dove arrivo.
Prese le seguenti maglie, il sistema diviene:

dove
è la tensione ai capi del generatore pilotato e
quella ai capi del generatore di corrente
. Fin qui va bene?Forse no. Devo considerare la corrente entrante dal morsetto "+" del generatore
, giusto? E la tensione ai capi del generatore
deve avere verso contrario? Ho applicato la convenzione del generatore per
, quindi non va bene. A questo punto ti chiedo, col metodo delle maglie la tensione va considerata positiva se la corrente entra dal morsetto negativo. Per i versi che ho scelto, la corrente effettivamente entra dal morsetto negativo del generatore
, ma se impongo la tensione al contrario, basta scambiare di segno?-

MrEngineer
144 1 7 - Frequentatore

- Messaggi: 190
- Iscritto il: 18 mag 2019, 12:02
0
voti
Sempre per la scelta fatta, si ha che
e che
.
e che
.-

MrEngineer
144 1 7 - Frequentatore

- Messaggi: 190
- Iscritto il: 18 mag 2019, 12:02
1
voti
No, mi sono spiegato male, ripartiamo
Nell'ultimo circuito disegnato, la corrente iL e la tensione vC lasciale con quel verso, mentre per vL e iC (come ti dicevo) usa la convenzione degli utilizzatori.
Quel circuito usalo anche per t=0+, al fine di determinare il valore della vL(0+) e della iC(0+).
Usa invece il circuito con interruttore chiuso e con le impedenze XL e XC (al del GIC e del GIT) per determinare la vL(t) e la iC/t)
a regime, via metodo fasoriale, come hai fatto per l'interruttore aperto.
Nell'ultimo circuito disegnato, la corrente iL e la tensione vC lasciale con quel verso, mentre per vL e iC (come ti dicevo) usa la convenzione degli utilizzatori.
Quel circuito usalo anche per t=0+, al fine di determinare il valore della vL(0+) e della iC(0+).
Usa invece il circuito con interruttore chiuso e con le impedenze XL e XC (al del GIC e del GIT) per determinare la vL(t) e la iC/t)
a regime, via metodo fasoriale, come hai fatto per l'interruttore aperto.
"Il circuito ha sempre ragione" (Luigi Malesani)
Torna a Elettrotecnica generale
Chi c’è in linea
Visitano il forum: Nessuno e 139 ospiti

Elettrotecnica e non solo (admin)
Un gatto tra gli elettroni (IsidoroKZ)
Esperienza e simulazioni (g.schgor)
Moleskine di un idraulico (RenzoDF)
Il Blog di ElectroYou (webmaster)
Idee microcontrollate (TardoFreak)
PICcoli grandi PICMicro (Paolino)
Il blog elettrico di carloc (carloc)
DirtEYblooog (dirtydeeds)
Di tutto... un po' (jordan20)
AK47 (lillo)
Esperienze elettroniche (marco438)
Telecomunicazioni musicali (clavicordo)
Automazione ed Elettronica (gustavo)
Direttive per la sicurezza (ErnestoCappelletti)
EYnfo dall'Alaska (mir)
Apriamo il quadro! (attilio)
H7-25 (asdf)
Passione Elettrica (massimob)
Elettroni a spasso (guidob)
Bloguerra (guerra)



.
entrante nel condensatore e la tensione
ai morsetti dell'induttore (convenzione utilizzatori), usando un metodo qualsiasi.