Ciao,
devo pilotare una pompa (su una barca a vela) da 12V, da 100Watt. Visto il carico, mi consigliate di restare comunque con un semplice interruttore (ovviamente che regga almeno gli 8A) o di mettere un piccolo circuito?
Consiglio: Semplice interruttore o circuito?
Moderatori:
carloc,
g.schgor,
BrunoValente,
IsidoroKZ
8 messaggi
• Pagina 1 di 1
0
voti
0
voti
Dipende dalla distanza fra batteria e pompa, dalla sezione del cavo e da dove vuoi mettere l'interruttore ?
Cosa intendi per " un piccolo circuito " ?
Cosa intendi per " un piccolo circuito " ?
0
voti
Distanza pompa e batteria sono circa 5 mt di cavo. I primi 2 metri sono 8mm², il resto 2mm².
Non capisco cosa intendi "dove vuoi mettere l'interruttore", cosa incide sulla decisione?
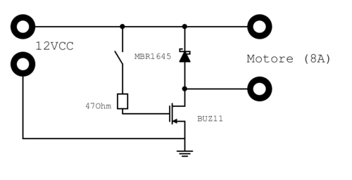
Per "circuito" intendevo una cosa simile (accetto volentieri suggerimenti di correzione):
Non capisco cosa intendi "dove vuoi mettere l'interruttore", cosa incide sulla decisione?
Per "circuito" intendevo una cosa simile (accetto volentieri suggerimenti di correzione):
0
voti
Interruttore meccanico e vivi felice: 8A non sono tanti, un interruttore meccanico ben dimensionato, magari anche ermetico, li gestisce facilmente, a bordo di una barca è meglio non ci siano troppi fronzoli e soprattutto parti elettriche sensibili all'umidità e all'ossido ecc.
In ogni caso, trattandosi di un motore, si dovrà tenere conto del valore di spunto della corrente che potrebbe essere molto maggiore di 8A
In ogni caso, trattandosi di un motore, si dovrà tenere conto del valore di spunto della corrente che potrebbe essere molto maggiore di 8A
-

BrunoValente
39,6k 7 11 13 - G.Master EY

- Messaggi: 7796
- Iscritto il: 8 mag 2007, 14:48
0
voti
BrunoValente ha scritto:In ogni caso, trattandosi di un motore, si dovrà tenere conto del valore di spunto della corrente che potrebbe essere molto maggiore di 8A
Come faccio a sapere quant'è questo valore di spunto?
0
voti
Come faccio a sapere quant'è questo valore di spunto?
Non è facile.
Se il motore a corrente continua ha le spazzole ( e forse anche se non le ha.
misura la resistenza ai morsetti con un multimetro, magari ruotando a mano il motore.
Individia il valore minimo Rmin
La corrente massima allo spunto sarà 12V / Rmin.
Un modo migliore, con misure più precise è:
bloccarlo meccanicamente affinchè non ruoti,
alimentarlo con una tensione più bassa (dell'ordine di 2 oppure 4 V)
mettere un amperometro in serie e misurare la corrente.
La Rinterna (circa Rmin) = V/corrente con motore bloccato.

0
voti
..mi sa che faccio prima a metterci un'interruttore da 16A (trovato tra le mie cose) 
8 messaggi
• Pagina 1 di 1
Chi c’è in linea
Visitano il forum: Nessuno e 37 ospiti

Elettrotecnica e non solo (admin)
Un gatto tra gli elettroni (IsidoroKZ)
Esperienza e simulazioni (g.schgor)
Moleskine di un idraulico (RenzoDF)
Il Blog di ElectroYou (webmaster)
Idee microcontrollate (TardoFreak)
PICcoli grandi PICMicro (Paolino)
Il blog elettrico di carloc (carloc)
DirtEYblooog (dirtydeeds)
Di tutto... un po' (jordan20)
AK47 (lillo)
Esperienze elettroniche (marco438)
Telecomunicazioni musicali (clavicordo)
Automazione ed Elettronica (gustavo)
Direttive per la sicurezza (ErnestoCappelletti)
EYnfo dall'Alaska (mir)
Apriamo il quadro! (attilio)
H7-25 (asdf)
Passione Elettrica (massimob)
Elettroni a spasso (guidob)
Bloguerra (guerra)




