Ciao a tutti
Ho un raddrizzatore trifase a diodi, e lo voglio alimentare in monofase. Come fare per avere una tensione continua in uscita migliore possibile? Attacco due morsetti alla tensione monofase e lascio il terzo a vuoto?
Grazie
Raddrizzatore trifase su monofase
Moderatori:
carloc,
g.schgor,
BrunoValente,
IsidoroKZ
10 messaggi
• Pagina 1 di 1
0
voti
Può darsi.Attacco due morsetti alla tensione monofase e lascio il terzo a vuoto?
Ma il raddrizzatore è composto da tre diodi o da sei?
E il carico dove lo colleghi ?
Uno schema elettrico non guasterebbe.
0
voti
mi viene il dubbio che i diodi trifase lavorino sulla tensione di fase-fase, (senza neutro), quindi 380 V, se ci colleghi la 220, in uscita del ponte non trovi la tensione corretta, puoi avere problemi.
quanti fili hai sulla alimentazione trifase dei diodi?
quanti fili hai sulla alimentazione trifase dei diodi?
-

lelerelele
4.899 3 7 9 - Master

- Messaggi: 5505
- Iscritto il: 8 giu 2011, 8:57
- Località: Reggio Emilia
0
voti
Innanzitutto grazie a tutti
Ho un'alimentazione monofase e un carico monofase.
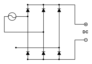
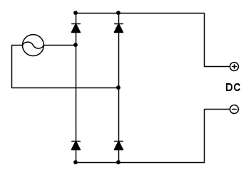
Volevo sapere se può cambiare qualcosa se ho un circuito così:
O così:
Altre info forse inutili:
Il fatto è che mi è arrivato un componente sbagliato, ho chiesto monofase e mi è arrivato trifase.
C'è da aggiungere che ho una tensione in ingresso sinusoidale non pura, ma parzializzata a tiristori.
In uscita ho un motore universale, probabilmente metterò un condensatore in parallelo al motore.
Ho un'alimentazione monofase e un carico monofase.
Volevo sapere se può cambiare qualcosa se ho un circuito così:
O così:
Altre info forse inutili:
Il fatto è che mi è arrivato un componente sbagliato, ho chiesto monofase e mi è arrivato trifase.
C'è da aggiungere che ho una tensione in ingresso sinusoidale non pura, ma parzializzata a tiristori.
In uscita ho un motore universale, probabilmente metterò un condensatore in parallelo al motore.
1
voti
Vedi anche questa discussione. 

"Non farei mai parte di un club che accettasse la mia iscrizione" (G. Marx)
-

claudiocedrone
21,3k 4 7 9 - Master EY

- Messaggi: 15302
- Iscritto il: 18 gen 2012, 13:36
0
voti
Ho un'alimentazione monofase e un carico monofase.
Volevo sapere se può cambiare qualcosa se ho un circuito così:
Non cambia nulla, Dallo schema va bene, funziona come raddrizzatore monofase doppia semionda.
0
voti
RLC ha scritto:Altre info forse inutili:
Il fatto è che mi è arrivato un componente sbagliato, ho chiesto monofase e mi è arrivato trifase.
C'è da aggiungere che ho una tensione in ingresso sinusoidale non pura, ma parzializzata a tiristori.
In uscita ho un motore universale, probabilmente metterò un condensatore in parallelo al motore.
Se ci devi alimentare un motore tradizionale a spazzole, tipo trapano, flessibile, ecc.(se in origine questo è alimentato in alternata), puoi tranquillamente eliminare il ponte diodi, andare direttamente a tiristori, se il motore è un classico DC forse è meglio che lasci il ponte, il funzionamento a tiristori potrebbe causare qualche problema.
resta il problema come ti dicevo, che il circuito che ti hanno inviato trifase ti da 530V in DC, mentre alimentato a 220 V ti da 310V in DC, (con Dc ovviamente intendo monodirezionale raddrizzata, non pura DC).
La funzionalità o meno dipende dal motore.
saluti.
-

lelerelele
4.899 3 7 9 - Master

- Messaggi: 5505
- Iscritto il: 8 giu 2011, 8:57
- Località: Reggio Emilia
0
voti
resta il problema come ti dicevo, che il circuito che ti hanno inviato trifase ti da 530V in DC, mentre alimentato a 220 V ti da 310V in DC, (con Dc ovviamente intendo monodirezionale raddrizzata, non pura DC).
Mi, pare di no, vado a mente, ricordi che affiorano dopo lustri
Il valore efficace vale 0,707 la tensione massima della sinusoide
Il valore medio della tensione raddrizzata a doppia semionda vale 0,636 (2/pigreco) la tensione massima.
Applicando in ingresso 220 Vac in uscita avrei:
(230/0,707) x 0,636 = 206 V valore medio pulsante raddrizzata a doppia semionda.
Se la tensione in ingresso NON è sinusoidale, o il carico non è resistivo, i calcoli semplificati non valgono e i valori cambiano.
Ma potrei sbagliarmi

0
voti
MarcoD ha scritto:Applicando in ingresso 220 Vac in uscita avrei:
(230/0,707) x 0,636 = 206 V valore medio pulsante raddrizzata a doppia semionda.
Vado a memoria, però mi pare che il valore di picco di una sinusoide valga

magari ricordo male?
saluti.
-

lelerelele
4.899 3 7 9 - Master

- Messaggi: 5505
- Iscritto il: 8 giu 2011, 8:57
- Località: Reggio Emilia
10 messaggi
• Pagina 1 di 1
Chi c’è in linea
Visitano il forum: Google [Bot] e 68 ospiti

Elettrotecnica e non solo (admin)
Un gatto tra gli elettroni (IsidoroKZ)
Esperienza e simulazioni (g.schgor)
Moleskine di un idraulico (RenzoDF)
Il Blog di ElectroYou (webmaster)
Idee microcontrollate (TardoFreak)
PICcoli grandi PICMicro (Paolino)
Il blog elettrico di carloc (carloc)
DirtEYblooog (dirtydeeds)
Di tutto... un po' (jordan20)
AK47 (lillo)
Esperienze elettroniche (marco438)
Telecomunicazioni musicali (clavicordo)
Automazione ed Elettronica (gustavo)
Direttive per la sicurezza (ErnestoCappelletti)
EYnfo dall'Alaska (mir)
Apriamo il quadro! (attilio)
H7-25 (asdf)
Passione Elettrica (massimob)
Elettroni a spasso (guidob)
Bloguerra (guerra)





