Scusate se riprendo questo topic e non ne apro uno nuovo , anche se l'argomento è un po' off.
Ho due domande :
1° In un comparatore , che idealmente ha un resistenza di ingresso infinita , quanta corrente deve scorrere per il suo funzionamento? Mi spiego meglio , ipotizzando di avere un partitore di tensione in uno degli ingressi , quanto mi posso spingere in là per ridurre la corrente al minimo? Dove trovo questo paramentro nell datasheet del LM393?
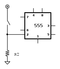
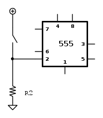
2° In un ne555 , con un circuito simile a questo , quante corrente devo far scorrere nell'ingresso? Su datasheet ho trovato la voce TRIGcurren a pagina 3 , è quello il valore minimo di corrente ?
Semplice Circuito RC Time Delay
Moderatori:
carloc,
g.schgor,
BrunoValente,
IsidoroKZ
23 messaggi
• Pagina 3 di 3 • 1, 2, 3
0
voti
Anche se non sono un esperto, provo a rispondere indicandoti quello che farei io...
Dal datasheet del LM393 guardo la Corrente di Bias che nel caso specifico mi da 250 nA massimi.
Se non voglio falsare troppo la lettura, in base anche all'errore voluto, potrei tenere una corrente massima nel partitore di almeno 10 volte quella corrente (quindi 2,25 uA).
Se considero una tensione di alimentazione di 12V, devo stare sotto i 5 MOhm sul gruppo partitore.
Per l'NE555: Si la corrente è quella. Vale lo stesso discorso fatto sopra (sopratutto se usi una tensione da un partitore).
Spero di essere nel giusto ...
Dal datasheet del LM393 guardo la Corrente di Bias che nel caso specifico mi da 250 nA massimi.
Se non voglio falsare troppo la lettura, in base anche all'errore voluto, potrei tenere una corrente massima nel partitore di almeno 10 volte quella corrente (quindi 2,25 uA).
Se considero una tensione di alimentazione di 12V, devo stare sotto i 5 MOhm sul gruppo partitore.
Per l'NE555: Si la corrente è quella. Vale lo stesso discorso fatto sopra (sopratutto se usi una tensione da un partitore).
Spero di essere nel giusto ...

23 messaggi
• Pagina 3 di 3 • 1, 2, 3
Chi c’è in linea
Visitano il forum: Nessuno e 44 ospiti

Elettrotecnica e non solo (admin)
Un gatto tra gli elettroni (IsidoroKZ)
Esperienza e simulazioni (g.schgor)
Moleskine di un idraulico (RenzoDF)
Il Blog di ElectroYou (webmaster)
Idee microcontrollate (TardoFreak)
PICcoli grandi PICMicro (Paolino)
Il blog elettrico di carloc (carloc)
DirtEYblooog (dirtydeeds)
Di tutto... un po' (jordan20)
AK47 (lillo)
Esperienze elettroniche (marco438)
Telecomunicazioni musicali (clavicordo)
Automazione ed Elettronica (gustavo)
Direttive per la sicurezza (ErnestoCappelletti)
EYnfo dall'Alaska (mir)
Apriamo il quadro! (attilio)
H7-25 (asdf)
Passione Elettrica (massimob)
Elettroni a spasso (guidob)
Bloguerra (guerra)





