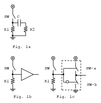
Consideriamo il circuito di Fig. 1a
SW e C sono ovvi.
R2 e' la resistenza di ingresso del circuito che comanda il buzzer
R1 e' la resistenza che insieme a R2 scarica il condensatore quando SW e' aperto
La costante di tempo di carica vale

La costante di tempo di scarica vale

Se vogliamo che
occorre che R1 << R2Questo comporta una resistenza R1 (relativamente) piccola e quindi un consumo (relativamente) elevato quando SW e' chiuso.
Per ovviare a questo prroblema ed avere le due costanti di tempo
e
uguali occorre che i percorsi di carica e di scarica del condensatore abbiano la stessa resistenza.Questo puo' essere realizzato interponendo un buffer tra il circuito con SW e R1 e il circuito che comanda il buzzer.
Il buffer puo' essere un CMOS es CD4050
- Corrente di alimentazione 1 uA max
- Corrente di ingresso 0.1 uA max
In questo modo la resistenza R1 puo' essere > 1 Mohm con un assorbimento di corrente dell'ordine dei uA
Il circuito con il buffer e' disegnato in Fig. 1b (ed il suo equivalente "a swiìtch" in Fig. 1c)

Elettrotecnica e non solo (admin)
Un gatto tra gli elettroni (IsidoroKZ)
Esperienza e simulazioni (g.schgor)
Moleskine di un idraulico (RenzoDF)
Il Blog di ElectroYou (webmaster)
Idee microcontrollate (TardoFreak)
PICcoli grandi PICMicro (Paolino)
Il blog elettrico di carloc (carloc)
DirtEYblooog (dirtydeeds)
Di tutto... un po' (jordan20)
AK47 (lillo)
Esperienze elettroniche (marco438)
Telecomunicazioni musicali (clavicordo)
Automazione ed Elettronica (gustavo)
Direttive per la sicurezza (ErnestoCappelletti)
EYnfo dall'Alaska (mir)
Apriamo il quadro! (attilio)
H7-25 (asdf)
Passione Elettrica (massimob)
Elettroni a spasso (guidob)
Bloguerra (guerra)








