MOTORE TRIFASE ASINCRONO 260V A MONOFASE..
Moderatori:
SandroCalligaro,
mario_maggi,
fpalone
47 messaggi
• Pagina 2 di 5 • 1, 2, 3, 4, 5
0
voti
grazie a tutti per le risposte, la foto del coperchio dei collegamenti la faccio e ve la posto
-

osservatore83
0 3 - Messaggi: 16
- Iscritto il: 28 ago 2019, 19:04
2
voti
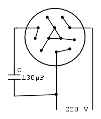
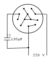
Salve, io proverei il motore con i collegamenti come sono ora, usando un condensatore come schema N1 – se non dovesse funzionare, usa lo schema N2 – fai sapere.
-

StefanoSunda
2.885 3 6 10 - Master

- Messaggi: 1965
- Iscritto il: 16 set 2010, 19:29
0
voti
che condensatore consigli? avendo 3cv penso 150uf, ma a 400/450v o anche a meno essendo il motore di base 260?
-

osservatore83
0 3 - Messaggi: 16
- Iscritto il: 28 ago 2019, 19:04
0
voti
Considerando la potenza del motore di 3 CV= 2,2 kW il condensatore può andar bene da 130 uF 400V.
Un motore così alimentato non potrà mai fornire la potenza di targa, con il valore qui calcolato la potenza si riduce al 60-70% ed é un compromesso per il funzionamento con carichi limitati e medi.
Un motore così alimentato non potrà mai fornire la potenza di targa, con il valore qui calcolato la potenza si riduce al 60-70% ed é un compromesso per il funzionamento con carichi limitati e medi.
-

StefanoSunda
2.885 3 6 10 - Master

- Messaggi: 1965
- Iscritto il: 16 set 2010, 19:29
0
voti
ciao, ho fatto una nuova foto al coperchio dei collegamenti elettrici ed é saltata fuori una cosa molto interessante, lo schema dei collegamenti.
I collegamenti che ho già impostati corrispondono a quelli del primo caso, 445 50hz, 380 42hz, in questo caso il mio motore sarebbe a tutti gli effetti un 380, corretto?
Se impostassi i collegamenti come segnalati nello schema in basso a sinistra che riporta 220 50hz, 190 42hz, potrebbe andare bene per essere poi allacciato alla linea 220 V tradizionale? In questo caso immagino debba fare qualcosa perché sarebbe comunque una 220 trifase (dallo schema escono 3 linee che vanno alla rete).
Cosa mi consigliate come metodo più facile per collegarlo alla 220 mono? partire dal 380 e aggiungere dei condensatori o impostarlo a 220 e poi fare eventuali ulteriori modifiche del caso?
grazie a tutti per l'aiuto fino ad ora ricevuto!
I collegamenti che ho già impostati corrispondono a quelli del primo caso, 445 50hz, 380 42hz, in questo caso il mio motore sarebbe a tutti gli effetti un 380, corretto?
Se impostassi i collegamenti come segnalati nello schema in basso a sinistra che riporta 220 50hz, 190 42hz, potrebbe andare bene per essere poi allacciato alla linea 220 V tradizionale? In questo caso immagino debba fare qualcosa perché sarebbe comunque una 220 trifase (dallo schema escono 3 linee che vanno alla rete).
Cosa mi consigliate come metodo più facile per collegarlo alla 220 mono? partire dal 380 e aggiungere dei condensatori o impostarlo a 220 e poi fare eventuali ulteriori modifiche del caso?
grazie a tutti per l'aiuto fino ad ora ricevuto!
-

osservatore83
0 3 - Messaggi: 16
- Iscritto il: 28 ago 2019, 19:04
0
voti
Oh, ed ecco spiegato l'arcano del funzionamento a 380 V; il cablaggio attuale è una connessione a stella per i 380 V a 42 Hz quindi il precedente proprietario lo faceva funzionare a 380 50 Hz il che fa girare il motore a una velocità superiore a quella nominale... per il resto lascio la parola agli altri utenti più esperti. 

"Non farei mai parte di un club che accettasse la mia iscrizione" (G. Marx)
-

claudiocedrone
21,3k 4 7 9 - Master EY

- Messaggi: 15303
- Iscritto il: 18 gen 2012, 13:36
3
voti
Visto lo schema originale, devi porre le piastrine come schema per 220 V – per facilitarti il compito ti allego lo schema.
-

StefanoSunda
2.885 3 6 10 - Master

- Messaggi: 1965
- Iscritto il: 16 set 2010, 19:29
0
voti
StefanoSunda quindi mi consigli di usare lo schema a stella 220 V 50 Hz trifase e aggiungere il condensatore? Per curiositá che differenza c'é con lo schema a triangolo 220 V 42 Hz trifase (a parte gli Hz)?
-

osservatore83
0 3 - Messaggi: 16
- Iscritto il: 28 ago 2019, 19:04
2
voti
osservatore83 ha scritto: ...schema a stella 220 V 50 Hz...
Quel collegamento non è a stella ma a doppia stella;
osservatore83 ha scritto: ...che differenza c'é con lo schema a triangolo 220 V 42 Hz trifase (a parte gli Hz)?...
Praticamente la stessa differenza che si aveva con la alimentazione 380 V 50 Hz con cui era stato usato precedentemente, ovvero il motore tende a ruotare con maggior velocità a causa della frequenza più elevata ma d'altro canto si trova notevolmente sottoalimentato (se noti il collegamento precedente per i 50 Hz prevedeva una tensione di 445 V) perdendo quindi in termini di coppia e potenza; se in quel caso ciò non risultava un grosso problema per il funzionamento della macchina (visto che è stata usata così per anni) invece potrebbe esserlo nel tuo caso in cui già si riducono pesantemente le prestazioni a causa dell'adattamento al funzionamento in monofase con condensatore.
"Non farei mai parte di un club che accettasse la mia iscrizione" (G. Marx)
-

claudiocedrone
21,3k 4 7 9 - Master EY

- Messaggi: 15303
- Iscritto il: 18 gen 2012, 13:36
0
voti
grazie claudio, sei stato molto chiaro. Ora ordino i condensatori online poi quando arrivano faccio il collegamento e vi aggiorno.
-

osservatore83
0 3 - Messaggi: 16
- Iscritto il: 28 ago 2019, 19:04
47 messaggi
• Pagina 2 di 5 • 1, 2, 3, 4, 5
Chi c’è in linea
Visitano il forum: Nessuno e 38 ospiti

Elettrotecnica e non solo (admin)
Un gatto tra gli elettroni (IsidoroKZ)
Esperienza e simulazioni (g.schgor)
Moleskine di un idraulico (RenzoDF)
Il Blog di ElectroYou (webmaster)
Idee microcontrollate (TardoFreak)
PICcoli grandi PICMicro (Paolino)
Il blog elettrico di carloc (carloc)
DirtEYblooog (dirtydeeds)
Di tutto... un po' (jordan20)
AK47 (lillo)
Esperienze elettroniche (marco438)
Telecomunicazioni musicali (clavicordo)
Automazione ed Elettronica (gustavo)
Direttive per la sicurezza (ErnestoCappelletti)
EYnfo dall'Alaska (mir)
Apriamo il quadro! (attilio)
H7-25 (asdf)
Passione Elettrica (massimob)
Elettroni a spasso (guidob)
Bloguerra (guerra)
