Buongiorno a tutti, sta guardando il circuito di un modulatore am presentato su http://www.salvorosta.it/low/sk.php?TP=1&TI=Mini%20TX%20in%20AM&MH=Mhor0&MV=Mele00&FR=&CP=electr/minitxam.php . Mi piace l'idea del generatore a cristallo per generare la portante ma mi chiedevo se fosse possibile costruite questo TX sostituendo il trasformatore con un altro componente tipo un j-fet (o comunque fet). Ho pensato ai fet per una questione di risonanza delle varie armoniche superiori e inferiori. Volevo contattare l'autore ma non trovo nessun riferimento per farlo.
Grazie per la gentile risposta.
Modifica microTX AM da con trasf. a senza trasformatore
Moderatori:
carloc,
g.schgor,
BrunoValente,
IsidoroKZ
20 messaggi
• Pagina 1 di 2 • 1, 2
3
voti
Ci sono alcune cose che mi lasciano perplesso: quegli oscillatori mi pare funzionino solo a 5V o almeno sulle specifiche mi pare che così sia dichiarato, non escludo che possano oscillare anche a 9V e oltre ma credo che non gradiscano.
Con il trasformatore in discesa come proposto la profondità di modulazione credo sia piuttosto bassa, che da una parte è un bene perché così la tensione di alimentazione non si alza molto rispetto al valore a riposo che è già alto e che da un'altra parte è un male perché bassa profondità di modulazione significa basso livello di segnale in ricezione.
Per togliere il trasformatore si potrebbe provare ad alimentarlo con l'uscita di un inseguitore polarizzato in modo che la tensione a riposo sia dalle parti di 4V e a modularlo applicando il segnale in ingresso all'inseguitore facendo attenzione a non esagerare con l'ampiezza per evitare che la tensione di alimentazione superi molto i 5V e per evitare anche che scenda sotto il limite minimo, che non ho idea di dove sia, oltre il quale l'oscillatore si spegnerebbe: si otterrebbe comunque una bassa profondità di modulazione ma almeno la tensione di alimentazione resterebbe confinata intorno al valore corretto.
Considerando che quegli oscillatori mi pare assorbono una ventina di mA il seguente circuito dovrebbe andare bene.
Per il transistor dovrebbe andare bene qualsiasi tipo NPN piccolo.
Con il trasformatore in discesa come proposto la profondità di modulazione credo sia piuttosto bassa, che da una parte è un bene perché così la tensione di alimentazione non si alza molto rispetto al valore a riposo che è già alto e che da un'altra parte è un male perché bassa profondità di modulazione significa basso livello di segnale in ricezione.
Per togliere il trasformatore si potrebbe provare ad alimentarlo con l'uscita di un inseguitore polarizzato in modo che la tensione a riposo sia dalle parti di 4V e a modularlo applicando il segnale in ingresso all'inseguitore facendo attenzione a non esagerare con l'ampiezza per evitare che la tensione di alimentazione superi molto i 5V e per evitare anche che scenda sotto il limite minimo, che non ho idea di dove sia, oltre il quale l'oscillatore si spegnerebbe: si otterrebbe comunque una bassa profondità di modulazione ma almeno la tensione di alimentazione resterebbe confinata intorno al valore corretto.
Considerando che quegli oscillatori mi pare assorbono una ventina di mA il seguente circuito dovrebbe andare bene.
Per il transistor dovrebbe andare bene qualsiasi tipo NPN piccolo.
-

BrunoValente
39,6k 7 11 13 - G.Master EY

- Messaggi: 7796
- Iscritto il: 8 mag 2007, 14:48
1
voti
Condivido quanto scritto da Bruno.
Forse volendo aumentare il punto di lavoro da circa 4 V a circa 4,5V, per rendere il campo di modulazione più simmetrica potresti cambiare il valore del resistore superiore da 4,7 K a 3,9 kohm. E' solo una miglioria marginale.
Riguardo alla frase:
Non ho capito bene cosa intendi, ma non credo che i fet riducano apprezzabilmente la distorsione rispetto ai BJT.

Forse volendo aumentare il punto di lavoro da circa 4 V a circa 4,5V, per rendere il campo di modulazione più simmetrica potresti cambiare il valore del resistore superiore da 4,7 K a 3,9 kohm. E' solo una miglioria marginale.
Riguardo alla frase:
Ho pensato ai fet per una questione di risonanza delle varie armoniche superiori e inferiori.
Non ho capito bene cosa intendi, ma non credo che i fet riducano apprezzabilmente la distorsione rispetto ai BJT.

0
voti
Anch'io come Marco non ho capito cosa intendevi dire con quella frase, potresti spiegarti meglio?
-

BrunoValente
39,6k 7 11 13 - G.Master EY

- Messaggi: 7796
- Iscritto il: 8 mag 2007, 14:48
0
voti
Ma non si usano più i clipper con tensione di clipping costituita dalla modulante amplificata?
Bisogna per forza variare l’alimentazione ottenendo un risultato non garantito?
Bisogna per forza variare l’alimentazione ottenendo un risultato non garantito?
-

PietroBaima
90,7k 7 12 13 - G.Master EY

- Messaggi: 12206
- Iscritto il: 12 ago 2012, 1:20
- Località: Londra
0
voti
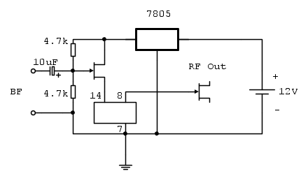
Innanzitutto grazie a tutti per le risposte. Per la tensione di alimentazione si potrebbe mettere un regolatore tipo un 7805 che stabilizzerebbe la tensione in modo abbastanza ottimale. Ma al posto del transistor posso mettere un j-fet? Chiedo questo perché il j-fet in teoria dovrebbe essere più sensibile del transistor e garantirebbe una sensibilità maggiore del segnale in ingresso quando è molto basso. poi se possibile in uscita mettere un altro jfet facendolo lavorare a una tensione più alta diciamo 12volt (ovviamente un jfet che permetta di lavorare con tale tensione) . Per il discorso delle armoniche , sapevo che il jfet si comporta diversamente dal transistor. supponendo che la frequenza di base sia 1000hz ,nel jfet ( ma anche un mosfet) le armoniche superiori sarebbero 2000,4000,8000,16000,32000hz e via dicendo mentre le sub armoniche sarebbero 500,250,125hz ecc. Il transistor non seguirebbe questo preciso schema di moltiplicazione e divisione ma nelle armoniche superiori e inferiori restituirebbe frequenza un po' diverse ma fuori armonica. Questo lo lessi tanti anni fa su una rivista di elettronica che proponeva un finale a valvole ma le valvole si comportano come in mosfet.Forse ho ancora quella rivista da qualche parte magari potrei fare la foto del testo ma mi ci vuole un po per cercarla. Allego lo schema con le modifiche che ho pensato sopra. Il secondo jfet sull'uscita rf non è completamente collegato perché non sapevo come collegarlo completamente. Grazie.
0
voti
No, con lo schema siamo completamente fuori strada e la storia delle armoniche dei fet è una stupidaggine che veniva raccontata un po' di tempo fa e comunque l'idea che ti sei fatto è ancora più assurda della stupidaggine originale, mi spiace ma questo è quanto 
-

BrunoValente
39,6k 7 11 13 - G.Master EY

- Messaggi: 7796
- Iscritto il: 8 mag 2007, 14:48
0
voti
Prova lo schema di Bruno, poi il tuo schema, verifica quale funziona meglio.
Intendi adoperare un Jfet a canale p o a canale n ? metti il source in alto o in basso?
Quanto è l'ampiezza del segnale di b.f che hai disponibile ? esempio 100 mVpp ? 1 Vpp? 5Vpp ?
Vuoi trasmettere musica o un segnale campione ? Sinusoidale ? Quadra, triangolare ?
Hai un oscilloscopio ?
Che ricevitore adoperi?
Potresti modulare con l'uscita PWM di Arduino, e potresti scrivere un programmino che genera e temporizza
il segnale come una serie di " - - - ---- " , trasmettendo una sequenza di lettere " V " in morse.

Intendi adoperare un Jfet a canale p o a canale n ? metti il source in alto o in basso?
Quanto è l'ampiezza del segnale di b.f che hai disponibile ? esempio 100 mVpp ? 1 Vpp? 5Vpp ?
Vuoi trasmettere musica o un segnale campione ? Sinusoidale ? Quadra, triangolare ?
Hai un oscilloscopio ?
Che ricevitore adoperi?
Potresti modulare con l'uscita PWM di Arduino, e potresti scrivere un programmino che genera e temporizza
il segnale come una serie di " - - - ---- " , trasmettendo una sequenza di lettere " V " in morse.

0
voti
Ciao MarcoD ,dunque:
lo schema di bruno lo provo sicuramente ma era per capire se era possibile in quale modo aumentare il segnale di uscita. Segnale campione comunque in BF , sinusoidale o quadro.L'ampiezza è bassa dell'ordine di 100mv o forse meno. Si ho un oscilloscopio da 60mhz ma per provare il circuito pensavo appunto di stare sul MHz cosi posso riceverlo in AM. Poi al limite per fare altre prove posso anche andare più sì ma per il semplice motivo che con il tipo di segnale in entrata utilizzato, proferirei se possibile usare una portante più alta ma purtroppo con il DSO arrivo a 60mhz e non di più. Fet NPN . Perlomeno negli schemi visti fino ad ora erano NPN.
Ho scritto tutto?
lo schema di bruno lo provo sicuramente ma era per capire se era possibile in quale modo aumentare il segnale di uscita. Segnale campione comunque in BF , sinusoidale o quadro.L'ampiezza è bassa dell'ordine di 100mv o forse meno. Si ho un oscilloscopio da 60mhz ma per provare il circuito pensavo appunto di stare sul MHz cosi posso riceverlo in AM. Poi al limite per fare altre prove posso anche andare più sì ma per il semplice motivo che con il tipo di segnale in entrata utilizzato, proferirei se possibile usare una portante più alta ma purtroppo con il DSO arrivo a 60mhz e non di più. Fet NPN . Perlomeno negli schemi visti fino ad ora erano NPN.
Ho scritto tutto?
Ultima modifica di
settembre il 8 set 2019, 16:20, modificato 1 volta in totale.
0
voti
Quindi Bruno puoi confermarmi che le armoniche superiori e inferiori amplificate con un transistor sono esattamente dei multipli e sottomultipli precisi come nei fet?
Ne parlano anche qui delle armoniche su https://it.hobby.elettronica.narkive.co ... sfet-e-fet
anche su https://musicainfinita.altervista.org/a ... t2187.html
Ne parlano anche qui delle armoniche su https://it.hobby.elettronica.narkive.co ... sfet-e-fet
anche su https://musicainfinita.altervista.org/a ... t2187.html
20 messaggi
• Pagina 1 di 2 • 1, 2
Chi c’è in linea
Visitano il forum: Nessuno e 126 ospiti

Elettrotecnica e non solo (admin)
Un gatto tra gli elettroni (IsidoroKZ)
Esperienza e simulazioni (g.schgor)
Moleskine di un idraulico (RenzoDF)
Il Blog di ElectroYou (webmaster)
Idee microcontrollate (TardoFreak)
PICcoli grandi PICMicro (Paolino)
Il blog elettrico di carloc (carloc)
DirtEYblooog (dirtydeeds)
Di tutto... un po' (jordan20)
AK47 (lillo)
Esperienze elettroniche (marco438)
Telecomunicazioni musicali (clavicordo)
Automazione ed Elettronica (gustavo)
Direttive per la sicurezza (ErnestoCappelletti)
EYnfo dall'Alaska (mir)
Apriamo il quadro! (attilio)
H7-25 (asdf)
Passione Elettrica (massimob)
Elettroni a spasso (guidob)
Bloguerra (guerra)




pigreco]=π