Cos'è ElectroYou | Login Iscriviti

ElectroYou - la comunità dei professionisti del mondo elettrico

Problemi con OPAMP in cascata

Elettronica lineare e digitale: didattica ed applicazioni

Moderatori: Foto Utentecarloc, Foto Utenteg.schgor, Foto UtenteBrunoValente, Foto UtenteIsidoroKZ

0
voti

[11] Re: Problemi con OPAMP in cascata

Messaggioda Foto UtenteDarwinNE » 9 set 2019, 22:20

EdmondDantes ha scritto:manca la riga
Codice: Seleziona tutto
FJC B 0.5



E' vero, ma non dovrebbe essere indispensabile (il FidoCAD originale non la metteva, per esempio).

Se qualcuno ha voglia di investigare e trovasse un comportamento riproducibile, apra pure una issue qui: https://github.com/DarwinNE/FidoCadJ/issues
Follow me on Mastodon: @davbucci@mastodon.sdf.org
Avatar utente
Foto UtenteDarwinNE
31,0k 7 11 13
G.Master EY
G.Master EY
 
Messaggi: 4420
Iscritto il: 18 apr 2010, 9:32
Località: Grenoble - France

0
voti

[12] Re: Problemi con OPAMP in cascata

Messaggioda Foto Utentepatter » 10 set 2019, 9:25

MarcoD ha scritto:A livello di schema dovrebbe funzionare.
Un carico di 47k non dovrebbe influire anche se fosse 10 volte minore.
Forse le oscillazioni sono causate da un accoppiamento tramite le alimentazioni. Le connessioni sono corrette ?
Vicino ai piedini, esistono condensatori ceramici da 1uF fra V+, V- e massa?
Hai misurato le tensioni proprio sui piedini dell'integrato?
O_/

Le connessioni sono corrette, anche perché separatamente i due stadi lavorano correttamente.
Le alimentazioni sono corrette sui piedini filtrate con C da 100nF verso massa.
Ho provato anche a disaccoppiare ingressi e uscite con C 10uF, ma il risultato non cambia.
Ovviamente ho sostituito anche il TL072, pensando che fosse difettoso.
Avatar utente
Foto Utentepatter
20 2
 
Messaggi: 10
Iscritto il: 8 set 2019, 21:35

0
voti

[13] Re: Problemi con OPAMP in cascata

Messaggioda Foto Utentepatter » 11 set 2019, 13:17

Grazie a tutti per la collaborazione (poca per la verità).
Mi rispondo da solo e lascio a testimonianza.
Purtroppo sono incappato, attraverso il mio fornitore, in una partita di fake
TL072 (saranno probabilmente così anche i TL074), regolarmente marchiati Texas con tanto di logo.
Oggi glieli butterò in faccia, non tanto per il costo, ma per il tempo perso a scervellarmi.
Convinto della regolarità del mio circuito, ho smontato da una scheda di risulta, un TL072 usato ma di sicura provenienza e sostituito nel circuito.
Magicamente il problema è scomparso.
A questo punto ho fatto una ricerca per verificare se ci fossero partite scadenti o addirittura difettose
di questi opamp. Mi si è aperto un mondo di siti in cui si ragguaglia sull'ondata di falsi opamp
rimarcati, provenienti dalla solita Cina e India. Pensa che ero rimasto alle fake news.
Il TL074 pare corrisponda perfettamente ad un LM324, non proprio adatto all'audio.
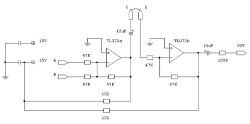
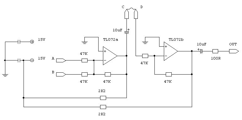
In ogni caso è possibile correggere la distorsione , interponendo una resistenza di 2k2 tra il
ramo negativo di alimentazione e l'uscita, ovviamente inserendo anche i condensatori di disaccoppiamento.
Ciò a quanto dicono, porterebbe al funzionamento in classe A del chip.
Alcuni argomenti correlati:
https://www.audioasylum.com/messages/tweaks/31186/re-op-amps-running-class-a
https://tangentsoft.net/audio/opamp-bias.html

Schema corretto e funzionante, alla luce dei nuovi fatti:
Allegati
fido.jpg
Avatar utente
Foto Utentepatter
20 2
 
Messaggi: 10
Iscritto il: 8 set 2019, 21:35

2
voti

[14] Re: Problemi con OPAMP in cascata

Messaggioda Foto UtentePietroBaima » 11 set 2019, 13:27

Beh, io credo che l’errore sia tuo, non loro.
I componenti si acquistano da rivenditori specializzati e certificati, quali ad esempio rs, farnell, digikey, mouser, distrelec ecc... e non dalla cina, su ebay o su amazon.

Noto che continui a non attenerti alle regole del forum per quanto riguarda gli schemi fidocadj.

Per ultimo non capisco una cosa: c’è una ragione specifica per la quale hai realizzato un sommatore invertente seguito da un amplificatore invertente a guadagno unitario? Non potevi realizzare un sommatore non invertente?
Fra l’altro usando un solo opamp il rumore si riduce.
Generatore codice per articoli:
nomi
Sul forum:
[pigreco]=π
[ohm]=Ω
[quadrato]=²
[cubo]=³
Avatar utente
Foto UtentePietroBaima
90,7k 7 12 13
G.Master EY
G.Master EY
 
Messaggi: 12206
Iscritto il: 12 ago 2012, 1:20
Località: Londra

0
voti

[15] Re: Problemi con OPAMP in cascata

Messaggioda Foto Utentepatter » 11 set 2019, 16:49

Forse non hai letto bene. [-X
Parlavo di un rivenditore con negozio reale in Italia, da cui mi rifornisco da anni.
Continui a non leggere bene [-X , ponendo un nuovo quesito al mio, senza però essermi stato d'aiuto.
Se noti, sono due stadi invertenti separati. Il primo mi serve invertente. Il secondo, all'occorrenza,
va collegato al primo per rimettere in fase il segnale. Non mi serve guadagno.

p.s. ho aggiornato la foto dello schema con le modifiche, solo per far capire quali sono, pensando che non fosse importante allegare la sorgente.
Grazie pure a te, caro.
Avatar utente
Foto Utentepatter
20 2
 
Messaggi: 10
Iscritto il: 8 set 2019, 21:35

0
voti

[16] Re: Problemi con OPAMP in cascata

Messaggioda Foto UtenteMarcoD » 11 set 2019, 17:02

Quindi, se ho ben capito, hai messo sotto pull-down (sotto tiro verso il basso) l' uscita di ogni stadio di operazionale.
Con ingresso a zero, hai 15 V /2,2 k = circa 7 mA di assorbimento verso il -15 V.
Se l'uscita scende a -10 V, saranno (-10 - (-15))/2,2k = almeno 2 mA di "tiraggio"
Il resistore di carico di 47K è almeno 20 volte maggiore di 2,2 k.
Si direbbe che il transistor di pull-down interno all'operazionale non sia funzionante.
Curioso :ok: , complimenti per avere diagnosticato e rattoppato il problema.

O_/
Avatar utente
Foto UtenteMarcoD
12,2k 5 9 13
Master EY
Master EY
 
Messaggi: 6696
Iscritto il: 9 lug 2015, 16:58
Località: Torino

0
voti

[17] Re: Problemi con OPAMP in cascata

Messaggioda Foto UtentePietroBaima » 11 set 2019, 17:31

MarcoD ha scritto:Si direbbe che il transistor di pull-down interno all'operazionale non sia funzionante.

Tutto l’OPAMP non è funzionante :D
Generatore codice per articoli:
nomi
Sul forum:
[pigreco]=π
[ohm]=Ω
[quadrato]=²
[cubo]=³
Avatar utente
Foto UtentePietroBaima
90,7k 7 12 13
G.Master EY
G.Master EY
 
Messaggi: 12206
Iscritto il: 12 ago 2012, 1:20
Località: Londra

1
voti

[18] Re: Problemi con OPAMP in cascata

Messaggioda Foto UtentePietroBaima » 11 set 2019, 17:39

patter ha scritto:Forse non hai letto bene. [-X
Parlavo di un rivenditore con negozio reale in Italia, da cui mi rifornisco da anni.

Credo di aver letto bene.
Il problema è che i rivenditori stessi spesso comprano dalla Cina, ne parlava il buon Foto Utenteboiler qui.


patter ha scritto:Continui a non leggere bene [-X , ponendo un nuovo quesito al mio, senza però essermi stato d'aiuto.

Francamente credo sia proprio impossibile riuscire ad immaginare che l’OPAMP da te acquistato sia un LM324 (o chissà cos’altro) ritimbrato come un TL072.
Inoltre esserti d’aiuto non è un obbligo, ci si prova, alcune volte ci si riesce, altre no.

patter ha scritto:p.s. ho aggiornato la foto dello schema con le modifiche, solo per far capire quali sono, pensando che non fosse importante allegare la sorgente.

Non devi pensare, devi seguire le regole del forum che hai accettato iscrivendoti.

patter ha scritto:Grazie pure a te, caro.

Prego, ma io non sono caro, sono a buon prezzo. :mrgreen:
Generatore codice per articoli:
nomi
Sul forum:
[pigreco]=π
[ohm]=Ω
[quadrato]=²
[cubo]=³
Avatar utente
Foto UtentePietroBaima
90,7k 7 12 13
G.Master EY
G.Master EY
 
Messaggi: 12206
Iscritto il: 12 ago 2012, 1:20
Località: Londra

0
voti

[19] Re: Problemi con OPAMP in cascata

Messaggioda Foto Utentepatter » 11 set 2019, 17:57

Amici, io ho solo tratto da quello che ho letto nei siti che ho anche allegato.
Non ho certo la preparazione tale per spiegarvi cosa accade .
Fatto resta che adesso, con le varianti apportate, il problema è sparito. Questo è innegabile.
Se avete l'umiltà di andare a leggere, ci sono tecnici molto qualificati
che spiegano il perché di questa modifica. :ok:
Avatar utente
Foto Utentepatter
20 2
 
Messaggi: 10
Iscritto il: 8 set 2019, 21:35

0
voti

[20] Re: Problemi con OPAMP in cascata

Messaggioda Foto Utentepatter » 11 set 2019, 18:23

PietroBaima ha scritto:
patter ha scritto:Forse non hai letto bene. [-X
Parlavo di un rivenditore con negozio reale in Italia, da cui mi rifornisco da anni.

Credo di aver letto bene.
Il problema è che i rivenditori stessi spesso comprano dalla Cina, ne parlava il buon Foto Utenteboiler qui.




patter ha scritto:p.s. ho aggiornato la foto dello schema con le modifiche, solo per far capire quali sono, pensando che non fosse importante allegare la sorgente.

Non devi pensare, devi seguire le regole del forum che hai accettato iscrivendoti.


Ripeto, acquisto da anni dal mio rifornitore e non ho mai avuto problemi.
Non puoi darmi il torto di aver acquistato sulle piattaforme orientali.

Non devi pensare lo dici a tuo fratello. Non mi piace come ti poni.
Se ho sbagliato chiedo scusa al forum e cercherò di non ripetere l'errore.
Avatar utente
Foto Utentepatter
20 2
 
Messaggi: 10
Iscritto il: 8 set 2019, 21:35

PrecedenteProssimo

Torna a Elettronica generale

Chi c’è in linea

Visitano il forum: Nessuno e 219 ospiti