Cos'è ElectroYou | Login Iscriviti

ElectroYou - la comunità dei professionisti del mondo elettrico

Esercizio di elettronica con opamp,mosfet e BJT

Elettronica lineare e digitale: didattica ed applicazioni

Moderatori: Foto Utentecarloc, Foto Utenteg.schgor, Foto UtenteBrunoValente, Foto UtenteIsidoroKZ

0
voti

[1] Esercizio di elettronica con opamp,mosfet e BJT

Messaggioda Foto UtenteLuigi94 » 13 set 2019, 18:08

Salve a tutti! O_/

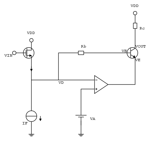
Vorrei chiedervi un aiuto per un esercizio di elettronica che mi ha fatto sorgere qualche dubbio (non sono molto sicuro della soluzione che ho trovato), il circuito è il seguente:

Questi sono i dati:
Rb=4 K\Omega\hspace{5mm} Rc=200 \Omega
VDD=5v \hspace{5mm}  VA=2v\hspace{5mm}   VIN=2v \hspace{5mm} V\gamma=0,6v\hspace{5mm} Vthn=1v\hspace{5mm} IF=400\mu A
\beta nmos=100 \hspace{5mm} \beta BJT=20

bisogna trovare le incognite VD,VE e VOUT

Questo è il procedimento che ho seguito:

Ho identificato l'opamp come in come in configurazione non invertente , quindi con le opportune approssimazioni si può scrivere V+=V-=VA=VD=2v

Se adesso vado a considerare la tensione tra gate e source del NMOS risulta che VGS=VIN-VD=0<Vthn e quindi il mosfet è interdetto e di conseguenza ID=IS=0

visto che abbiamo un BJT npn, la corrente(quella di base del BJT) dovrebbe scorrere da VD verso VB e se così fosse , applicando kirchhoff al nodo a sinistra otterrei:
ID=IB+IF ovveroIB=-IF dunque IB=-400\mu A

Considerando che IB=IRB=(VD-VB)/RB ottengo che VB=3,6v da cui VE=VB-V\gamma=3v
Come ultimi passaggi procedo calcolando la corrente di collettore: IC=\beta BJT*IB=-8000\mu A
da cui posso ricavare Vout sapendo che IC=(VDD-Vout)/RC ottengo quindi Vout=6,6v

Sapreste dirmi se la soluzione vi sembra corretta? ho come l'impressione di aver fatto qualche cappellata :?

Grazie per l'attenzione :ok:
Avatar utente
Foto UtenteLuigi94
85 3
New entry
New entry
 
Messaggi: 52
Iscritto il: 4 gen 2013, 12:43

6
voti

[2] Re: Esercizio di elettronica con opamp,mosfet e BJT

Messaggioda Foto UtenteBrunoValente » 13 set 2019, 19:46

VDD = 5V e Vout = 6.6V... non ti sembra strano?
Avatar utente
Foto UtenteBrunoValente
39,6k 7 11 13
G.Master EY
G.Master EY
 
Messaggi: 7796
Iscritto il: 8 mag 2007, 14:48

1
voti

[3] Re: Esercizio di elettronica con opamp,mosfet e BJT

Messaggioda Foto UtenteIsidoroKZ » 14 set 2019, 9:52

Sei assolutamente certo che quello sia il circuito e i dati siano giusti?
Per usare proficuamente un simulatore, bisogna sapere molta più elettronica di lui
Plug it in - it works better!
Il 555 sta all'elettronica come Arduino all'informatica! (entrambi loro malgrado)
Se volete risposte rispondete a tutte le mie domande
Avatar utente
Foto UtenteIsidoroKZ
121,2k 1 3 8
G.Master EY
G.Master EY
 
Messaggi: 21059
Iscritto il: 17 ott 2009, 0:00

1
voti

[4] Re: Esercizio di elettronica con opamp,mosfet e BJT

Messaggioda Foto UtenteMarcoD » 14 set 2019, 10:04

Ho identificato l'opamp come in come in configurazione non invertente

SE l'ingresso è da VD, la configurazione è invertente.
Poi non so se l'operazionale lavora in linearità o no.
Avatar utente
Foto UtenteMarcoD
12,2k 5 9 13
Master EY
Master EY
 
Messaggi: 6696
Iscritto il: 9 lug 2015, 16:58
Località: Torino

0
voti

[5] Re: Esercizio di elettronica con opamp,mosfet e BJT

Messaggioda Foto UtenteLuigi94 » 14 set 2019, 15:10

BrunoValente ha scritto:VDD = 5V e Vout = 6.6V... non ti sembra strano?


Decisamente, il problema è che non so dove sta l'errore, se è un problema di segno, di procedimento o altro... #-o

IsidoroKZ ha scritto:Sei assolutamente certo che quello sia il circuito e i dati siano giusti?


Si i dati sono giusti, purtroppo non ho i risultati e neanche il procedimento

MarcoD ha scritto:SE l'ingresso è da VD, la configurazione è invertente.
Poi non so se l'operazionale lavora in linearità o no.


Purtroppo anche in questo non sono molto sicuro, ho visto che l'ingresso "+" è collegato direttamente al segnale VA(VD è semplicemente un valore di tensione incognita in quel punto) e ho dato per assodato che fosse in configurazione non invertente; in teoria il "-" dovrebbe essere collegato direttamente a massa attraverso una resistenza ma in questo caso ho un generatore di corrente di mezzo, anche per questo non sono molto sicuro...
Avatar utente
Foto UtenteLuigi94
85 3
New entry
New entry
 
Messaggi: 52
Iscritto il: 4 gen 2013, 12:43

2
voti

[6] Re: Esercizio di elettronica con opamp,mosfet e BJT

Messaggioda Foto UtenteIsidoroKZ » 14 set 2019, 15:30

Domandavo se eri sicuro del circuito perche' mi pare strano che la base del transistore sia l'elemento che comanda la retroazione. Messo in quel modo il circuito, analizzato supponendo l'operazionale in linearita`, da` origine a qualche assurdita`.

Se l'ingresso invertente e` allo stesso potenziale dell'ingresso non invertente, allora il MOS e` spento, il generatore di corrente "aspira" una corrente di 400uA, che deve venire dalla base dell'npn! Il BJT pero`, essendo un npn, non puo` erogare corrente uscente dalla base, a meno di non mandare in valanga la giunzione base emettitore, ma la cosa e` impossibile perche' non c'e` sufficiente tensione di alimentazione (oltre al problema di capire come si comporta il bipolare con una giunzione in valanga).

In che ateneo vengono dati questi problemi? Puoi fare una foto del testo e postarla con "invia allegato"? Grazie
Per usare proficuamente un simulatore, bisogna sapere molta più elettronica di lui
Plug it in - it works better!
Il 555 sta all'elettronica come Arduino all'informatica! (entrambi loro malgrado)
Se volete risposte rispondete a tutte le mie domande
Avatar utente
Foto UtenteIsidoroKZ
121,2k 1 3 8
G.Master EY
G.Master EY
 
Messaggi: 21059
Iscritto il: 17 ott 2009, 0:00

0
voti

[7] Re: Esercizio di elettronica con opamp,mosfet e BJT

Messaggioda Foto UtenteLuigi94 » 14 set 2019, 16:31

IsidoroKZ ha scritto:Se l'ingresso invertente e` allo stesso potenziale dell'ingresso non invertente, allora il MOS e` spento, il generatore di corrente "aspira" una corrente di 400uA, che deve venire dalla base dell'npn! Il BJT pero`, essendo un npn, non puo` erogare corrente uscente dalla base, a meno di non mandare in valanga la giunzione base emettitore, ma la cosa e` impossibile perche' non c'e` sufficiente tensione di alimentazione (oltre al problema di capire come si comporta il bipolare con una giunzione in valanga).


Tranne l'ultima frase(che non ho ben compreso) io ho fatto esattamente lo stesso ragionamento che mi ha portato poi a scrivere qui sul forum.

L'esercizio l'ho copiato(copiato giusto) da degli appunti passati, quindi non c'è certezza,tuttavia questo è proprio l'ultimo di decine e decine di esercizi che ho svolto e dei quali nessuno mi aveva mai posto davanti a qualcosa del genere;
Inizio a pensare che ci sia stato qualche errore o alla fonte o nei passaggi di mano fino a me :?

Comunque grazie mille dell'aiuto che mi state dando :ok:
Avatar utente
Foto UtenteLuigi94
85 3
New entry
New entry
 
Messaggi: 52
Iscritto il: 4 gen 2013, 12:43

3
voti

[8] Re: Esercizio di elettronica con opamp,mosfet e BJT

Messaggioda Foto UtenteIsidoroKZ » 14 set 2019, 16:39

Probabile che ci sia un errore in qualche ricopiatura, problema ben noto a tutti i papirologi :-)

Se ad esempio la freccia di I_F fosse nel verso opposto, le cose potrebbero andare meglio, supponendo pero` un operazionale ideale, senza limiti di tensione di uscita.

Con una corrente spinta verso il nodo invertente dell'operazionale si avrebbe che il transistore sarebbe correttamente polarizzato, con una corrente di base di 0.4mA, quindi quella di collettore sarebbe di 8mA. La tensione di collettore risulterebbe di 5V-(200Ω x 8mA)= 3.4V mentre la tensione di base risulta essere 2V-4kΩ x 0.4mA=0.4V, quindi transistore in linearita`. L'unico punto "critico" e` la tensione di emettitore, che dovrebbe essere di -0.2V. Non so che convenzione abbiate considerato nel corso sulla dinamica di uscita degli operazionali.

In che ateneo e` stato dato questo esame?
Per usare proficuamente un simulatore, bisogna sapere molta più elettronica di lui
Plug it in - it works better!
Il 555 sta all'elettronica come Arduino all'informatica! (entrambi loro malgrado)
Se volete risposte rispondete a tutte le mie domande
Avatar utente
Foto UtenteIsidoroKZ
121,2k 1 3 8
G.Master EY
G.Master EY
 
Messaggi: 21059
Iscritto il: 17 ott 2009, 0:00

0
voti

[9] Re: Esercizio di elettronica con opamp,mosfet e BJT

Messaggioda Foto UtenteLuigi94 » 14 set 2019, 18:30

IsidoroKZ ha scritto:Se ad esempio la freccia di I_F fosse nel verso opposto, le cose potrebbero andare meglio

Sarei anche d'accordo ma qui ti chiedo, se stiamo considerando configurazioni per amplificatori operazionali retroazionate, la corrente di base non dovrebbe necessariamente andare nel verso opposto?
mi sorge il dubbio che il problema risiede nel BJT, forse è un pnp che è stato copiato come npn
IsidoroKZ ha scritto:Con una corrente spinta verso il nodo invertente dell'operazionale si avrebbe che il transistore sarebbe correttamente polarizzato, con una corrente di base di 0.4mA, quindi quella di collettore sarebbe di 8mA. La tensione di collettore risulterebbe di 5V-(200Ω x 8mA)= 3.4V mentre la tensione di base risulta essere 2V-4kΩ x 0.4mA=0.4V, quindi transistore in linearita`. L'unico punto "critico" e` la tensione di emettitore, che dovrebbe essere di -0.2V. Non so che convenzione abbiate considerato nel corso sulla dinamica di uscita degli operazionali.


Io purtroppo il corso non ho potuto seguirlo :( ,sto studiando da autodidatta.
Come convenzioni per l'ampli non invertente ho le seguenti:
Vi=v+=v-
I-=0
Poi chiaramente ho la relazione che lega Vout a Vin però nel caso di configurazione come quella che ho messo in allegato ho che Vout/Vin=(R1+R2)/R2

In presenza di ampli non invertente è lecito aspettarsi una tensione di uscita dello stesso segno di quella d'ingresso o sbaglio?

Ammetto di essere un po confuso, penso che andrò a rivedermi un po tutta la teoria #-o

IsidoroKZ ha scritto:In che ateneo e` stato dato questo esame?

Politecnico delle Marche, Ancona
Allegati
Non-inverting_voltage_amplifier.png
Non-inverting_voltage_amplifier.png (2.01 KiB) Osservato 9072 volte
Avatar utente
Foto UtenteLuigi94
85 3
New entry
New entry
 
Messaggi: 52
Iscritto il: 4 gen 2013, 12:43

1
voti

[10] Re: Esercizio di elettronica con opamp,mosfet e BJT

Messaggioda Foto UtenteMarcoD » 14 set 2019, 20:13

Quanto scritto nel tuo ultimo post è corretto.

Ritornando al circuito
Se consideri l'ingresso la VA applicate al morsetto + è non invertente, ma la VA è una costante 2V, simbolo di batteria.
Non ti devi stupire se l'ingresso + non è connesso a massa (tensione 0), ma a una tensione costante.
Se consideri l'ingresso la corrente in VD (entri nel morsetto - ), è un amplificaotre invertente di transimpedenza.

Nel BJT, si suppone che la VBE sia costante uguale a 0,7 V ?
E che nel transistor in linearità sia la VB maggiore della VE ?
e la VC mkaggiore di VE ?

Per chiarezza, nello schema dovresti riportare la corrente ID, che poi diventa IB dato che nell'ingresso - non passa corrente.
Dovresti anche indicare il senso della corrente IC.
Se poi riporti i valori dei componenti rendi lo schema più leggibile.


O_/
Avatar utente
Foto UtenteMarcoD
12,2k 5 9 13
Master EY
Master EY
 
Messaggi: 6696
Iscritto il: 9 lug 2015, 16:58
Località: Torino

Prossimo

Torna a Elettronica generale

Chi c’è in linea

Visitano il forum: Nessuno e 54 ospiti