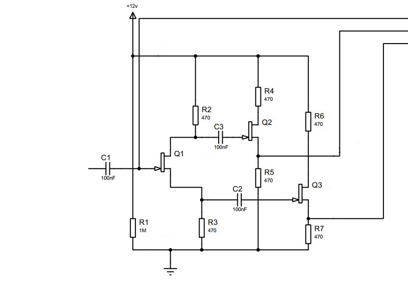
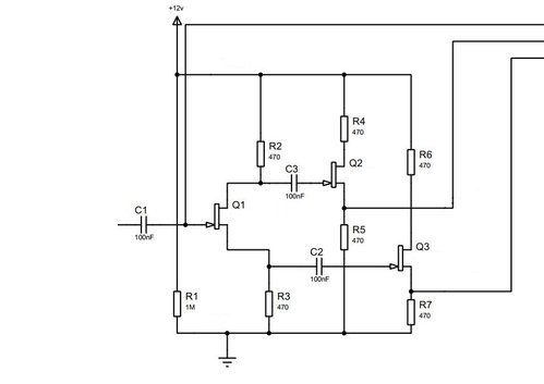
Buogiorno a tutti, questo circuito partendo dal segnale di entrata dovrebbe permettere offrire due uscite amplificate di cui una con fase a 180°. In simulazione sembra funzionare. Domando: Prima che mi metta a montarlo secondo voi può funzionare?.Ci sono da fare delle modifiche? Se sì quali?. Dalla simulazione ho visto che il secondo stadio di fet composto da J2 e J3 fornisce una tensione più bassa in entrata quindi sospetto che qualcosa non vada. Lo scopo che vorrei ottenere è un circuito che amplifichi il segnale in entrata (che rientri nella soglia minima di ingresso di J1) e lo fornisca in due uscite di cui una con fase a 180°.
Grazie
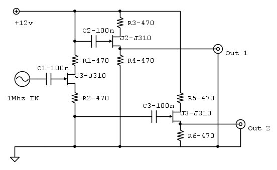
Splitter con J-Fet. Può funzionare questo schema?
Moderatori:
carloc,
g.schgor,
BrunoValente,
IsidoroKZ
44 messaggi
• Pagina 1 di 5 • 1, 2, 3, 4, 5
0
voti
In realtà mi sono dimenticato una resistenza da 1Mohm tra + e massa ma per il resto il circuito mi sembra di averlo copiato bene. Allego. Se non va bene che modifiche vanno fatte?
0
voti
Eliminato link esterno.
Allega l'immagine correttamente, ridimensionandola. La precedente era un lenzuolo...
Allega l'immagine correttamente, ridimensionandola. La precedente era un lenzuolo...
Il Conte di Montecristo
Se non studio un giorno, me ne accorgo io. Se non studio due giorni, se ne accorge il pubblico.
Io devo studiare sodo e preparare me stesso perché prima o poi verrà il mio momento.
Abraham Lincoln
Se non studio un giorno, me ne accorgo io. Se non studio due giorni, se ne accorge il pubblico.
Io devo studiare sodo e preparare me stesso perché prima o poi verrà il mio momento.
Abraham Lincoln
-

EdmondDantes
11,9k 8 11 13 - Disattivato su sua richiesta
- Messaggi: 3619
- Iscritto il: 25 lug 2009, 22:18
- Località: Marsiglia
0
voti
Se hai un minimo ma proprio minimo di basi di elettronica, senza bisogno di un simulatore, saprai che i gate dei FET non si lasciano fluttuare a piacimento. In questo schema lo sono tutti e 3.
In questo forum ci sono persone con grande preparazione, invece di chiedere lumi su circuiti improbabili, perché non spieghi cosa vorresti ottenere e come vorresti ottenerlo ?
In questo forum ci sono persone con grande preparazione, invece di chiedere lumi su circuiti improbabili, perché non spieghi cosa vorresti ottenere e come vorresti ottenerlo ?

0
voti
Probabilmente non funziona, o funziona in modo non prevedibile, in quanto , come ti hanno scritto, le tensioni medie di gate non sono fissate.
Quali sono le caratteristiche del segnale in ingresso?
Quali sono le caratteristiche del segnale in ingresso?
0
voti
edgar ha scritto:Se hai un minimo ma proprio minimo di basi di elettronica, senza bisogno di un simulatore, saprai che i gate dei FET non si lasciano fluttuare a piacimento. In questo schema lo sono tutti e 3.
In questo forum ci sono persone con grande preparazione, invece di chiedere lumi su circuiti improbabili, perché non spieghi cosa vorresti ottenere e come vorresti ottenerlo ?
Ed è per questo che ho aperto una discussione, proprio perché sono che ci sono le possibilità per farlo funzionare. Pensavo di averlo scritto nel prima post lo scopo del circuito. Se servono ulteriori dettagli , indicatemi quali e cerco di fornirli. Mi serve un circuito a J-Fet (che possa operare oltre che in BF anche un RF se possibile ) che partendo dal segnale di entrata permette di avere in uscita due segnali sfasati a 180° cioè uno a fase 0° come il segnale in entrata mentre il secondo sfasato di 180°. Nello schema che ho postato sopra il ruolo del secondo stadio con J2 serve proprio per riavere l'uscita amplificata a 0°mentre con J3 ho l'uscita sfasata a 180°. In teoria potrei fare tutto anche con un solo stadio J1 ma non so quanto possa essere il guadagno.
MarcoD ha scritto:Probabilmente non funziona, o funziona in modo non prevedibile, in quanto , come ti hanno scritto, le tensioni medie di gate non sono fissate.
Quali sono le caratteristiche del segnale in ingresso?
Segnale sinusoidale o quadro molto debole. Dell'ordine do 0.2volt ma potrebbe essere anche più basso. Non lo so fino a quando provo il circuito. Se più basso di 0.2v potrebbe esserci la necessità di alzarlo con altro di più sensibile mi sa perché non credo che i J-fet possano lavorare con tensioni più basse. Ma ripeto è un problema che vedrò dopo.
1
voti
Suggerimento: metti un 100k fra i gate e massa, almeno così funzionerà o no, ma in modo più stabile.
Guarda che il circuito amplifica quasi 1 in tensione ( in potenza di più).
Impedenza della sorgente di segnale e dei carichi sulle uscite?
A cosa servono due segnali sfasati di 180° ?
Vuoi pilotare un push-pull di 6V6 o 807 ?
Hai pensato alla schermatura dai disturbi della 50 Hz ?

Guarda che il circuito amplifica quasi 1 in tensione ( in potenza di più).
Impedenza della sorgente di segnale e dei carichi sulle uscite?
A cosa servono due segnali sfasati di 180° ?
Vuoi pilotare un push-pull di 6V6 o 807 ?
Indica gli estremi desiderati delle frequenze.che possa operare oltre che in BF anche un RF
Hai pensato alla schermatura dai disturbi della 50 Hz ?

0
voti
Grazie per i consigli, no non devo pilotare dei tubi ma è un esperimento di fisica ed elettromagnetismo tutto qui ( non sono esami o altro). Per la 50 Hz non mi preoccupo per ora . Vorrei andare per passi. per ora mi interessa capire se è possibile fare un circuito così.
44 messaggi
• Pagina 1 di 5 • 1, 2, 3, 4, 5
Chi c’è in linea
Visitano il forum: Majestic-12 [Bot] e 50 ospiti

Elettrotecnica e non solo (admin)
Un gatto tra gli elettroni (IsidoroKZ)
Esperienza e simulazioni (g.schgor)
Moleskine di un idraulico (RenzoDF)
Il Blog di ElectroYou (webmaster)
Idee microcontrollate (TardoFreak)
PICcoli grandi PICMicro (Paolino)
Il blog elettrico di carloc (carloc)
DirtEYblooog (dirtydeeds)
Di tutto... un po' (jordan20)
AK47 (lillo)
Esperienze elettroniche (marco438)
Telecomunicazioni musicali (clavicordo)
Automazione ed Elettronica (gustavo)
Direttive per la sicurezza (ErnestoCappelletti)
EYnfo dall'Alaska (mir)
Apriamo il quadro! (attilio)
H7-25 (asdf)
Passione Elettrica (massimob)
Elettroni a spasso (guidob)
Bloguerra (guerra)





