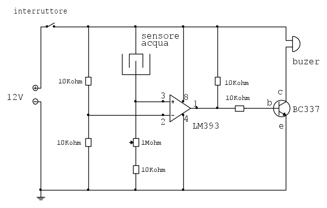
Salve a tutti, questo circuito, così com'è lo uso come allarme in caso di perdite sotto l'acquario, Quando l'umidità tocca il sensore parte il buzer di allarme.
Vorrei riprodurlo e installarlo a monte dell'impianto di produzione acqua osmotica per fargli disattivare l'elettrovalvola di ingresso acqua dura. In pratica però dovrei invertire l'uscita cioè quando l'umidità tocca il sensore l'elettrovalvola si spegne.
E' possibile fare questa modifica?
L'elettrovalvola consuma poco: 120 mA
Grazie
Sensore acqua per blocco elettrovalvola
Moderatori:
carloc,
g.schgor,
BrunoValente,
IsidoroKZ
7 messaggi
• Pagina 1 di 1
0
voti
0
voti
0
voti
Metterei una R da 1 Mohm fra il pin 1 uscita e il 3 ingresso non invertente, per generare un poco di reazione positiva che crea un poco di isteresi. Se poi è troppa, aumentatelo a 2,2 Mohm.
La mia preoccupazione è che l'operazionale ha un guadagno finito, è può capitare che quando il segnale è al pelo del limite, la tensione di uscita pin 1 assuma un valore intemedio fra 0 e 12 V,
e il transistor conduce ma non satura, quindi dissipa potenza e potrebbe scaldare troppo e danneggiarsi.
Poi un condensatore da 1 uF fra le alimentazioni dell'operazionale, potrebbe essere utile
(non contro il malocchio
, ma contro la sfortuna delle alimentazioni rumorose)

La mia preoccupazione è che l'operazionale ha un guadagno finito, è può capitare che quando il segnale è al pelo del limite, la tensione di uscita pin 1 assuma un valore intemedio fra 0 e 12 V,
e il transistor conduce ma non satura, quindi dissipa potenza e potrebbe scaldare troppo e danneggiarsi.
Poi un condensatore da 1 uF fra le alimentazioni dell'operazionale, potrebbe essere utile
(non contro il malocchio

0
voti
[quote="MarcoD"]Metterei una R da 1 Mohm fra il pin 1 uscita e il 3 ingresso non invertente, per generare un poco di reazione positiva che crea un poco di isteresi.
Fatto! Con i Vostri consigli funziona benissimo, grazie ancora.
Purtroppo quando l'acqua sfiora il sensore il circuito stacca e riaccende un paio di volte la valvola. Devo pensare a un transistor come relè con ritenuta.
Fatto! Con i Vostri consigli funziona benissimo, grazie ancora.
Purtroppo quando l'acqua sfiora il sensore il circuito stacca e riaccende un paio di volte la valvola. Devo pensare a un transistor come relè con ritenuta.
7 messaggi
• Pagina 1 di 1
Chi c’è in linea
Visitano il forum: Nessuno e 38 ospiti

Elettrotecnica e non solo (admin)
Un gatto tra gli elettroni (IsidoroKZ)
Esperienza e simulazioni (g.schgor)
Moleskine di un idraulico (RenzoDF)
Il Blog di ElectroYou (webmaster)
Idee microcontrollate (TardoFreak)
PICcoli grandi PICMicro (Paolino)
Il blog elettrico di carloc (carloc)
DirtEYblooog (dirtydeeds)
Di tutto... un po' (jordan20)
AK47 (lillo)
Esperienze elettroniche (marco438)
Telecomunicazioni musicali (clavicordo)
Automazione ed Elettronica (gustavo)
Direttive per la sicurezza (ErnestoCappelletti)
EYnfo dall'Alaska (mir)
Apriamo il quadro! (attilio)
H7-25 (asdf)
Passione Elettrica (massimob)
Elettroni a spasso (guidob)
Bloguerra (guerra)







