[NEWBIE] - Test continuita' e LED
Moderatori:
carloc,
g.schgor,
BrunoValente,
IsidoroKZ
16 messaggi
• Pagina 2 di 2 • 1, 2
0
voti
Infatti, stavo facendo foto e letture!
Immagino che tutte 'ste letture strane siano dovute anche al fatto che il circuito e' stato a contatto con l'acqua saponata della scopa.
L1 Niente perche' l'ho tolto|
L2
RN: 1100 / NR: non leggo
(si fa proprio fatica a leggere)
L3
RN: 67k
NR: 80k
L4
RN: 25
NR: 25
L5
RN: 140k
NR: 180k
L6
RN: 5.6k
NR: 6.7k
Immagino che tutte 'ste letture strane siano dovute anche al fatto che il circuito e' stato a contatto con l'acqua saponata della scopa.
L1 Niente perche' l'ho tolto|
L2
RN: 1100 / NR: non leggo
(si fa proprio fatica a leggere)
L3
RN: 67k
NR: 80k
L4
RN: 25
NR: 25
L5
RN: 140k
NR: 180k
L6
RN: 5.6k
NR: 6.7k
1
voti
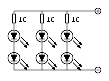
I led si direbbero collegati come nello schema qui sotto
Se trovi numeri incongruenti potresti avere led danneggiati oppure una tensione di prova insufficiente ad accendere il led singolo.
Se trovi numeri incongruenti potresti avere led danneggiati oppure una tensione di prova insufficiente ad accendere il led singolo.
1
voti
Se su quella basetta ci sono solo led e resistenze, ed è finita in un secchio di acqua saponata, per prima cosa devi sciacquarla abbondantemente in acqua pulita e asciugarla per bene con un asciugacapelli.
Per provare i led io userei una piletta da 9V e una resistenza da 1kOhm in serie, e andrei a toccare i due estremi di ciascun led, prima in un verso, poi in un altro, per vedere che succede.
Ciao,
P.
Per provare i led io userei una piletta da 9V e una resistenza da 1kOhm in serie, e andrei a toccare i due estremi di ciascun led, prima in un verso, poi in un altro, per vedere che succede.
Ciao,
P.
0
voti
pgiagno ha scritto:...sciacquarla abbondantemente in acqua pulita e asciugarla per bene con un asciugacapelli.
Per provare i led io userei una piletta da 9V e una resistenza da 1kOhm in serie,
Fatto: se ne salva solo uno: L2.
Gli altri dopo giri di acqua e phon non danno segni di vita!
Ho anche spazzolato i contatti ben bene ma nulla!
edgar ha scritto:I led si direbbero collegati come nello schema qui sotto
Se trovi numeri incongruenti potresti avere led danneggiati oppure una tensione di prova insufficiente ad accendere il led singolo.
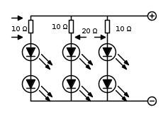
Scusa ma non mi tornano i conti:
per tutte le resistenze misurate singolarmente ottengo 10 Omh.
R1 <-> R3 10 Ohm (puntale sul lato SX di R1 e DX di R3)
R1 <-> R2 20 Ohm (puntale sul lato SX di R1 e DX di R2)
R2 <-> R3 20 Ohm (puntale sul lato SX di R2 e DX di R3)
0
voti
boggiano ha scritto:Scusa ma non mi tornano i conti:
per tutte le resistenze misurate singolarmente ottengo 10 Omh.
R1 <-> R3 10 Ohm (puntale sul lato SX di R1 e DX di R3)
R1 <-> R2 20 Ohm (puntale sul lato SX di R1 e DX di R2)
R2 <-> R3 20 Ohm (puntale sul lato SX di R2 e DX di R3)
Stai misurando una serie di due resistenze
16 messaggi
• Pagina 2 di 2 • 1, 2
Chi c’è in linea
Visitano il forum: Nessuno e 60 ospiti

Elettrotecnica e non solo (admin)
Un gatto tra gli elettroni (IsidoroKZ)
Esperienza e simulazioni (g.schgor)
Moleskine di un idraulico (RenzoDF)
Il Blog di ElectroYou (webmaster)
Idee microcontrollate (TardoFreak)
PICcoli grandi PICMicro (Paolino)
Il blog elettrico di carloc (carloc)
DirtEYblooog (dirtydeeds)
Di tutto... un po' (jordan20)
AK47 (lillo)
Esperienze elettroniche (marco438)
Telecomunicazioni musicali (clavicordo)
Automazione ed Elettronica (gustavo)
Direttive per la sicurezza (ErnestoCappelletti)
EYnfo dall'Alaska (mir)
Apriamo il quadro! (attilio)
H7-25 (asdf)
Passione Elettrica (massimob)
Elettroni a spasso (guidob)
Bloguerra (guerra)






