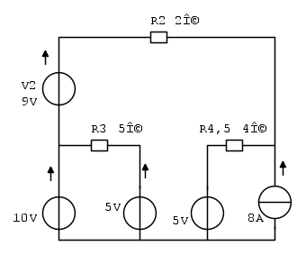
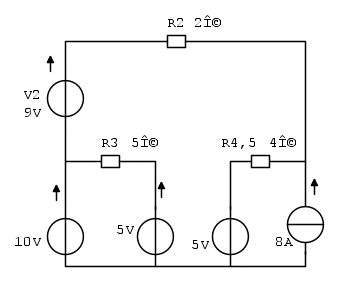
calcolare le correnti del circuito
Moderatori:
g.schgor,
IsidoroKZ
16 messaggi
• Pagina 2 di 2 • 1, 2
0
voti
Non sono sicuro della sostituzione nel circuito con generatore di tensione con in serie uno di corrente con un unico generatore di corrente ideale.
Purtroppo sono argomenti che non ho mai assimilato bene .
Se potessi trovare dei suggerimenti o testi che spiegano questi problemi.
Purtroppo sono argomenti che non ho mai assimilato bene .
Se potessi trovare dei suggerimenti o testi che spiegano questi problemi.
0
voti
angrigio ha scritto:---
Per il generatore di corrente I ho dei problemi . La corrente in R 4,5 è la stessa fornita dal generatore di corrente?
...
No, prova a considerare questo circuito per ricavare la corrente su R4.
Emanuele Lorina
- Chi lotta contro i mostri deve fare attenzione a non diventare lui stesso un mostro. E se tu riguarderai a lungo in un abisso, anche l'abisso vorrà guardare dentro di te (F. Nietzsche)
- Tavole della legge by admin
- Chi lotta contro i mostri deve fare attenzione a non diventare lui stesso un mostro. E se tu riguarderai a lungo in un abisso, anche l'abisso vorrà guardare dentro di te (F. Nietzsche)
- Tavole della legge by admin
-

Lele_u_biddrazzu
8.154 3 8 13 - Master EY

- Messaggi: 1288
- Iscritto il: 23 gen 2007, 16:13
- Località: Modena
0
voti
Per calcolare la corrente I uso Millmann e determino la tensione Vab:


Una volta conosciuta la Vab calcolo I1 : E2+R4I4-Vab=0


0
voti
Se ho capito il suggerimento , per calcolare la corrente I ai capidella resistenza R4,5 posso usare millmann e calcolare la tensione V tra la R4,5 e il generatore di tensione:

V= 37 V
0
voti
Ho cercato di risolvere il circuito. Avrei un 'altra soluzione : calcolare la tensione ai nodi utilizzando i generatori che non ho utilizzato . Non voglio però fare altri errori .
16 messaggi
• Pagina 2 di 2 • 1, 2
Torna a Elettrotecnica generale
Chi c’è in linea
Visitano il forum: Google [Bot] e 75 ospiti

Elettrotecnica e non solo (admin)
Un gatto tra gli elettroni (IsidoroKZ)
Esperienza e simulazioni (g.schgor)
Moleskine di un idraulico (RenzoDF)
Il Blog di ElectroYou (webmaster)
Idee microcontrollate (TardoFreak)
PICcoli grandi PICMicro (Paolino)
Il blog elettrico di carloc (carloc)
DirtEYblooog (dirtydeeds)
Di tutto... un po' (jordan20)
AK47 (lillo)
Esperienze elettroniche (marco438)
Telecomunicazioni musicali (clavicordo)
Automazione ed Elettronica (gustavo)
Direttive per la sicurezza (ErnestoCappelletti)
EYnfo dall'Alaska (mir)
Apriamo il quadro! (attilio)
H7-25 (asdf)
Passione Elettrica (massimob)
Elettroni a spasso (guidob)
Bloguerra (guerra)






