Ciao,
partendo da un segnale PECL, vorrei pilotare il gate di un nMOS.
Nella logica ECL, il transistor all'uscita è sempre attivo e pompa sempre corrente. Il range di tensioni PECL è inoltre compreso fra i 3.2V e 4.1V. Mi stavo domandando come fare per interfacciare opportnuamente i due elementi, garantendo la funzionalità.
Esistono degli integrati che si occupano di fare questa cosa, ad esempio ho trovato questo:
https://www.onsemi.com/pub/Collateral/MC100EPT23-D.PDF
però:
- vorrei evitare di usarlo in quanto mi limita la banda
- funziona solo nel range low-voltage dei 3.3V. Per coprire fino a 5V devo fare un altro step di conversione intermedia.
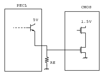
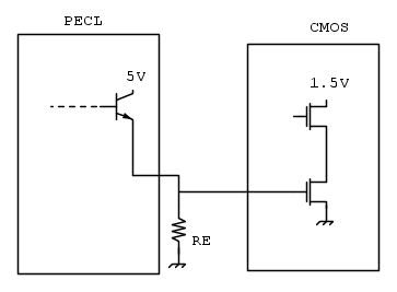
Vorrei trovare una soluzione senza usare altri integrati. Semplicemente mettere una resistenza di terminazione a valle del driver PECL non mi aiuta:
La resistenza mi permette di scaricare la corrente che viene erogata dal driver ECL, ma così facendo non ho modo di spegnere l'nMOS.
Il problema dunque è che non so come spegnere l'nMOS in modo opportuno. Per l'accensione, la tensione che voglio gli arrivi al gate è proprio la tensione di circa 4V erogata dal driver ECL (quindi usare dei partitori resistivi per far scendere la tensione non mi va bene, in quanto voglio che sul gate arrivino i 4V oppure che si spenga).
Se possibile vorrei anche evitare di dover usare alimentazioni aggiuntive negative... anche se forse chiedo troppo.
Come fareste voi? Avete qualche suggerimento?
Transizione da PECL a CMOS
Moderatori:
carloc,
g.schgor,
BrunoValente,
IsidoroKZ
4 messaggi
• Pagina 1 di 1
0
voti
"The past is not really the past until it has been registered. Or put another way, the past has no meaning or existence unless it exists as a record in the present."
John Archibald Wheeler
John Archibald Wheeler
0
voti
Domanda da profano:
Perché ti servono 4 V per accendere l'nMOS se la logica dopo è alimentata a 1,5V?
Perché ti servono 4 V per accendere l'nMOS se la logica dopo è alimentata a 1,5V?
-

MartinPescatore
25 4 - Messaggi: 37
- Iscritto il: 24 gen 2018, 19:13
0
voti
Forse mi manca un pezzo per rispondere perché non avevo nemmeno mai sentito di questa logica.
Se le tensioni di emettitore sono (come ho letto)
= 4.2 V e
= 3.4 V potresti usare un comparatore veloce tipo ADCMP605 (ne dico uno a caso). Se non ti va bene la banda dell'IC che hai citato però mi sa che non ti andrà bene nemmeno questa.
La domanda è: sei sicuro di riuscire ad essere più veloce di un eventuale integrato con un qualsiasi altro circuito? Alla fine devi comunque caricare una capacità di gate in qualche modo. Quanto è pesante lo stadio CMOS?
Se le tensioni di emettitore sono (come ho letto)
= 4.2 V e
= 3.4 V potresti usare un comparatore veloce tipo ADCMP605 (ne dico uno a caso). Se non ti va bene la banda dell'IC che hai citato però mi sa che non ti andrà bene nemmeno questa.La domanda è: sei sicuro di riuscire ad essere più veloce di un eventuale integrato con un qualsiasi altro circuito? Alla fine devi comunque caricare una capacità di gate in qualche modo. Quanto è pesante lo stadio CMOS?
-

marioursino
5.687 3 9 13 - G.Master EY

- Messaggi: 1598
- Iscritto il: 5 dic 2009, 4:32
0
voti
marioursino ha scritto:non avevo nemmeno mai sentito di questa logica.
E' una logica usata per high-speed. Lo stadio di uscita è essenzialmente come l'ho disegnato con l'emettitore di un npn
marioursino ha scritto:ADCMP605
Questo, ma anche altri simili, hanno comunque il problema che escono in LVDS (o se mi attengo a logiche ECL escono in ECL...) e siamo punto e a capo, dovendo passare da segnale LVDS a segnale CMOS per il pilotaggio.
marioursino ha scritto: sei sicuro di riuscire ad essere più veloce di un eventuale integrato con un qualsiasi altro circuito? Alla fine devi comunque caricare una capacità di gate in qualche modo. Quanto è pesante lo stadio CMOS?
Ciss=8pF.
Quello che vorrei capire è se si riesce a fare questa trasformazione (che non è una semplice traslazione dei livelli in quanto il bipolare di uscita del PECL è sempre attivo, da qualche parte la corrente va portata, è da capire come, garantendo lo spegnimento del nMOS a valle) in un modo semplice che magari non mi è venuto in mente usando solo resistenze e in caso qualche capacità.
Temo che senza un opportuno stadio di ingresso a bipolare (come si trova appunto all'ingresso del convertitore ECL-to-CMOS) non si vada da nessuna parte.
"The past is not really the past until it has been registered. Or put another way, the past has no meaning or existence unless it exists as a record in the present."
John Archibald Wheeler
John Archibald Wheeler
4 messaggi
• Pagina 1 di 1
Chi c’è in linea
Visitano il forum: Nessuno e 170 ospiti

Elettrotecnica e non solo (admin)
Un gatto tra gli elettroni (IsidoroKZ)
Esperienza e simulazioni (g.schgor)
Moleskine di un idraulico (RenzoDF)
Il Blog di ElectroYou (webmaster)
Idee microcontrollate (TardoFreak)
PICcoli grandi PICMicro (Paolino)
Il blog elettrico di carloc (carloc)
DirtEYblooog (dirtydeeds)
Di tutto... un po' (jordan20)
AK47 (lillo)
Esperienze elettroniche (marco438)
Telecomunicazioni musicali (clavicordo)
Automazione ed Elettronica (gustavo)
Direttive per la sicurezza (ErnestoCappelletti)
EYnfo dall'Alaska (mir)
Apriamo il quadro! (attilio)
H7-25 (asdf)
Passione Elettrica (massimob)
Elettroni a spasso (guidob)
Bloguerra (guerra)

