Misurazione circuito
3 messaggi
• Pagina 1 di 1
0
voti
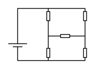
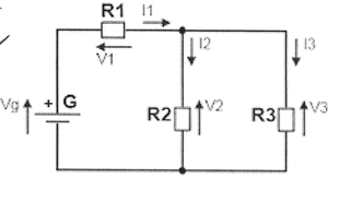
Buongiorno a tutti, quali dispositivi di misura si possono usare sul seguente circuito elettrico per rilevare tensioni, correnti, resistenze?
- Allegati
-
- misura giacomo.PNG (18.1 KiB) Osservato 4226 volte
0
voti
Utilizzerai un tester semplicissimo.
Intanto prova a disegnare il circuito con FidocadJ
Intanto prova a disegnare il circuito con FidocadJ
Ultima modifica di
console6 il 16 nov 2019, 12:55, modificato 1 volta in totale.
⋮ƎlectroYou e ne sai di più!
3 messaggi
• Pagina 1 di 1
Chi c’è in linea
Visitano il forum: Nessuno e 4 ospiti

Elettrotecnica e non solo (admin)
Un gatto tra gli elettroni (IsidoroKZ)
Esperienza e simulazioni (g.schgor)
Moleskine di un idraulico (RenzoDF)
Il Blog di ElectroYou (webmaster)
Idee microcontrollate (TardoFreak)
PICcoli grandi PICMicro (Paolino)
Il blog elettrico di carloc (carloc)
DirtEYblooog (dirtydeeds)
Di tutto... un po' (jordan20)
AK47 (lillo)
Esperienze elettroniche (marco438)
Telecomunicazioni musicali (clavicordo)
Automazione ed Elettronica (gustavo)
Direttive per la sicurezza (ErnestoCappelletti)
EYnfo dall'Alaska (mir)
Apriamo il quadro! (attilio)
H7-25 (asdf)
Passione Elettrica (massimob)
Elettroni a spasso (guidob)
Bloguerra (guerra)




