Ciao
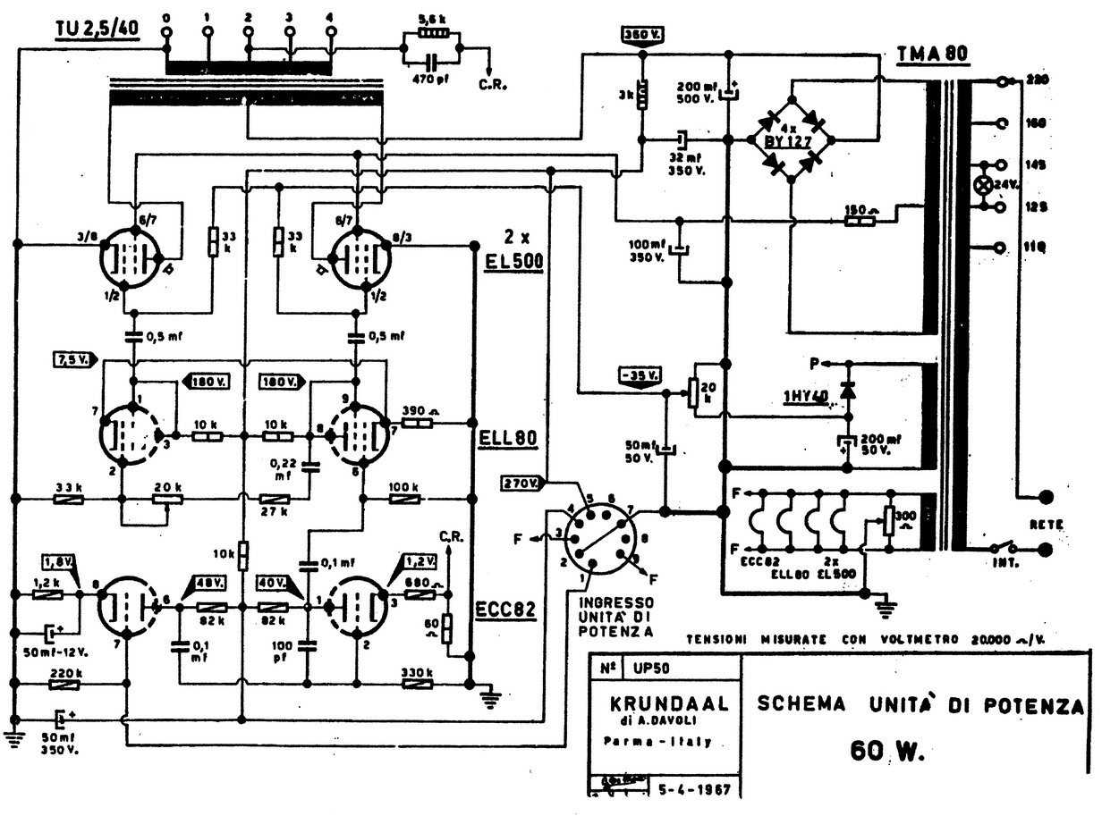
Udis grazie per la rispostaCome detto sopra, la ELL80 sta in un'unità (finale di potenza ampli chitarra) Davoli modello UP50 (vedi schema che ho postato) ma sostituirle con la stessa valvola non è senza "controindicazioni"
Sono dei doppi pentodi che sono diventati di difficile reperibilità e soprattutto piuttosto costosi (circa 10 anni fa ne ho pagata una 40€), adesso dovrei averne una di nuova e forse un paio di usate
Il fatto è che le finali usate dalla Davoli sono valvole per TV (finali di riga) e non audio, anche se usate per lo scopo da decenni, sicuramente le G1 necessitano di essere pilotate adeguatamente in corrente oltre che in tensione, sicuramente più di valvole nate per scopi audio
Un amico ha fatto della sperimentazione e ci ha adattato (con ottimo risultato, la potenza del finale è anche aumentata un po' rispetto una ELL80 nuova) una 6CG7, ma anche questa oggi è costosa e non disponibilissima, siamo circa dai 19 ai 29€ + spedizione
La 6CG7 la potrei sostituire con una 6SN7 che in pratica ha le stesse caratteristiche (a parte che la 6SN7 non ha lo schermo interno tra i due triodi, inserito nella 6CG7 per il fatto di essere in un involucro noval invece che octal come la 6SN7, andando più avanti la 6CG7 è, per motivi di costi, poi stata trasformata nella 6FQ7 a cui è stato tolto lo schermo divisore)
di 6SN7 ne ho un po' ed anche delle corrispondenti russe 6Н8С (6N8S) ed il prezzo a cui le ho trovate è di sicuro molto interessante rispetto quello delle ELL80 e 6CG7, diciamo abbordabilissimo
Le EL95 sono un'ottima sostituzione (@
elektronik -
grazie anche a te per la risposta), in pratica in una ELL80 son contenute due EL95, ma anche qui (a parte dover usare due zoccoli al posto di uno o fare un adattatore, cosa peraltro anche fattibile e già vista realizzata, più o meno bene)

- $_58.jpg (27.15 KiB) Osservato 11500 volte

- s-l225.jpg (17.92 KiB) Osservato 11536 volte
(io sono più da seconda versione anche se le valvole è meglio siano un attimo più distanziate .....)
è una questione di costi, una EL95 la trovo a 10€ (per due sono quindi 20€) e, sinceramente, preferirei usarle come finali come previsto (ho in mente un piccolo clone da un po' di tempo)
La 6HU8 non è facile da trovare ed il prezzo .......
https://www.ebay.it/itm/1-x-NOS-ELL80-6HU8-TELEFUNKEN-MADE-BY-VALVO-FROM-SEALED-BOX/183970587844?hash=item2ad58064c4:g:d5cAAOSwllRdjEVh = € 49.95 + spedizione
http://thetubestore.com/search?keywords=6hu8 = $ 67.95 + spedizione
https://tubedepot.com/products/6hu8-ell80 = $ 123.95 + spedizione
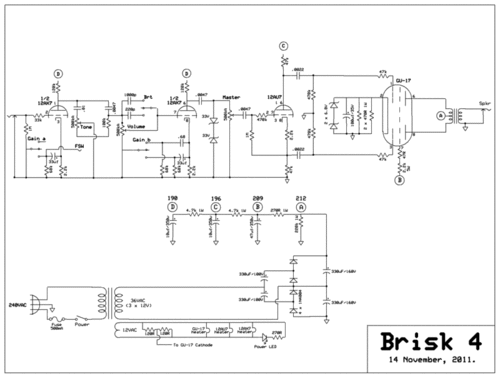
Le QQE03/12, se in versione russa (GU-17) le posso trovare tramite un amico radioamatore ungherese, a meno di 5€ (con un po' di attesa, visto che ci vediamo un paio di volte l'anno a Marzaglia e Pordenone), e si tratterebbe sempre di uno zoccolo solo e noval
La questione di usare una QQE03/12 l'ha buttata lì un mio amico e non mi è sembrata niente male (tra l'altro ne devo già avere un paio di nuove da qualche parte, se le trovo)
Quindi, perché non controllare se l'alternativa sia effettivamente percorribile, anche perché (di mio figlio) di Davoli ne ho più di uno da sistemare/manutenere ??
Purtroppo, per le mie limitate capacità tecniche le caratteristiche (vedi gli allegati che ho postato) sembrano compatibili ma mi spiazza il fatto delle griglie collegate in parallelo (nella QQE03/12 / GU-17) visto che dovrei fare una connessione a triodo per ricalcare la situazione del Davoli (tra l'altro mi confondo anche sul funzionamento in PP con questa unione delle griglie, funzionamento che sono sicuro si può attuare visto che un amico australiano ci ha fatto alcuni amplini da chitarra a bassa potenza)
---
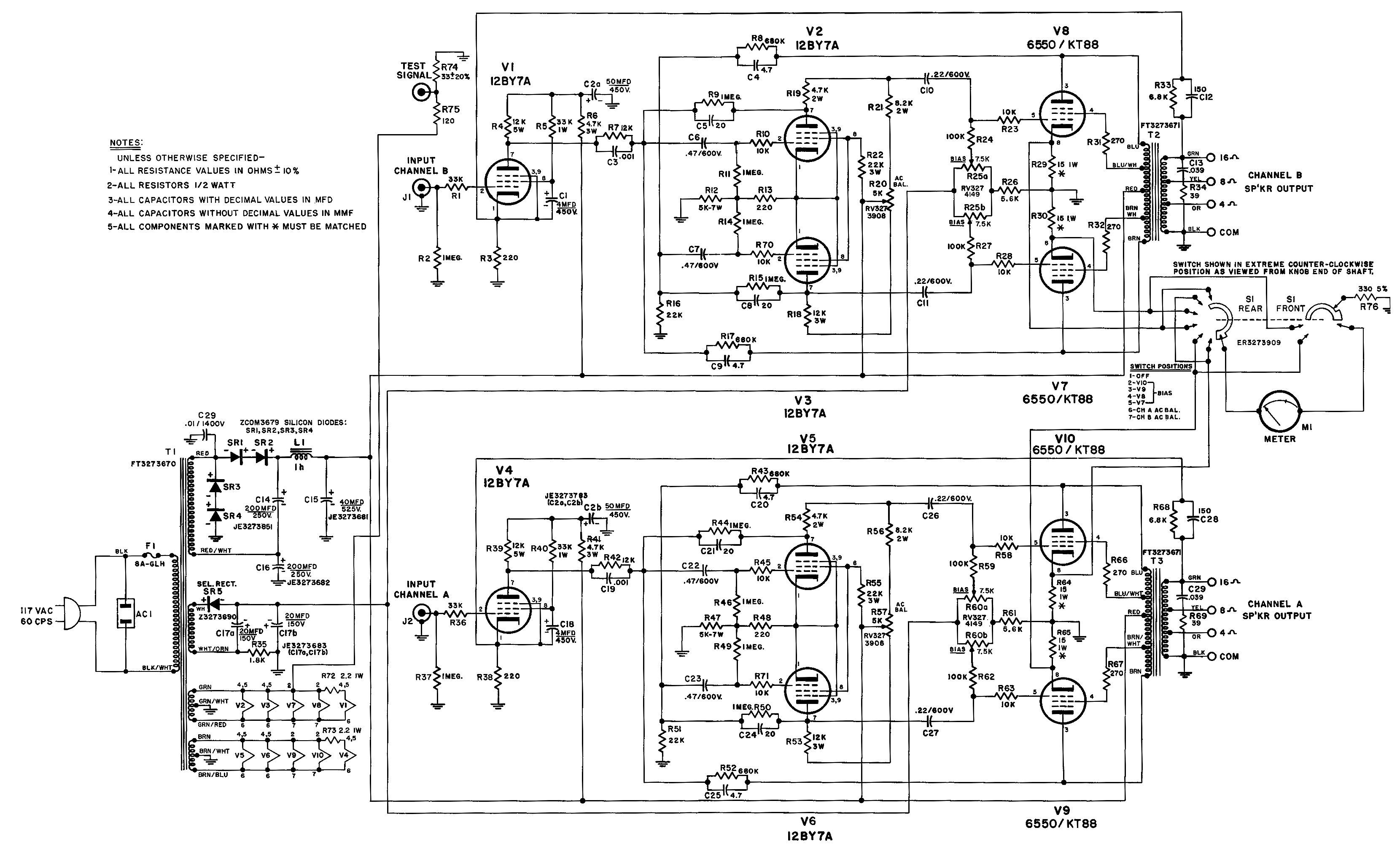
Ah. a proposito, cercando ho trovato uno schema con un PI di pentodi (non collegati a triodo), per me inusuale, si tratta di un Harman Kardon - Citation IINon so, magari a qualcuno che ne capisce più di me può essere di .... "ispirazione"
Se servono altre informazioni e/o chiarimenti, sono qui
GRAZIEFranco