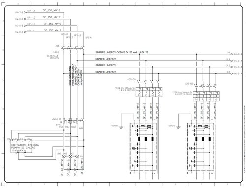
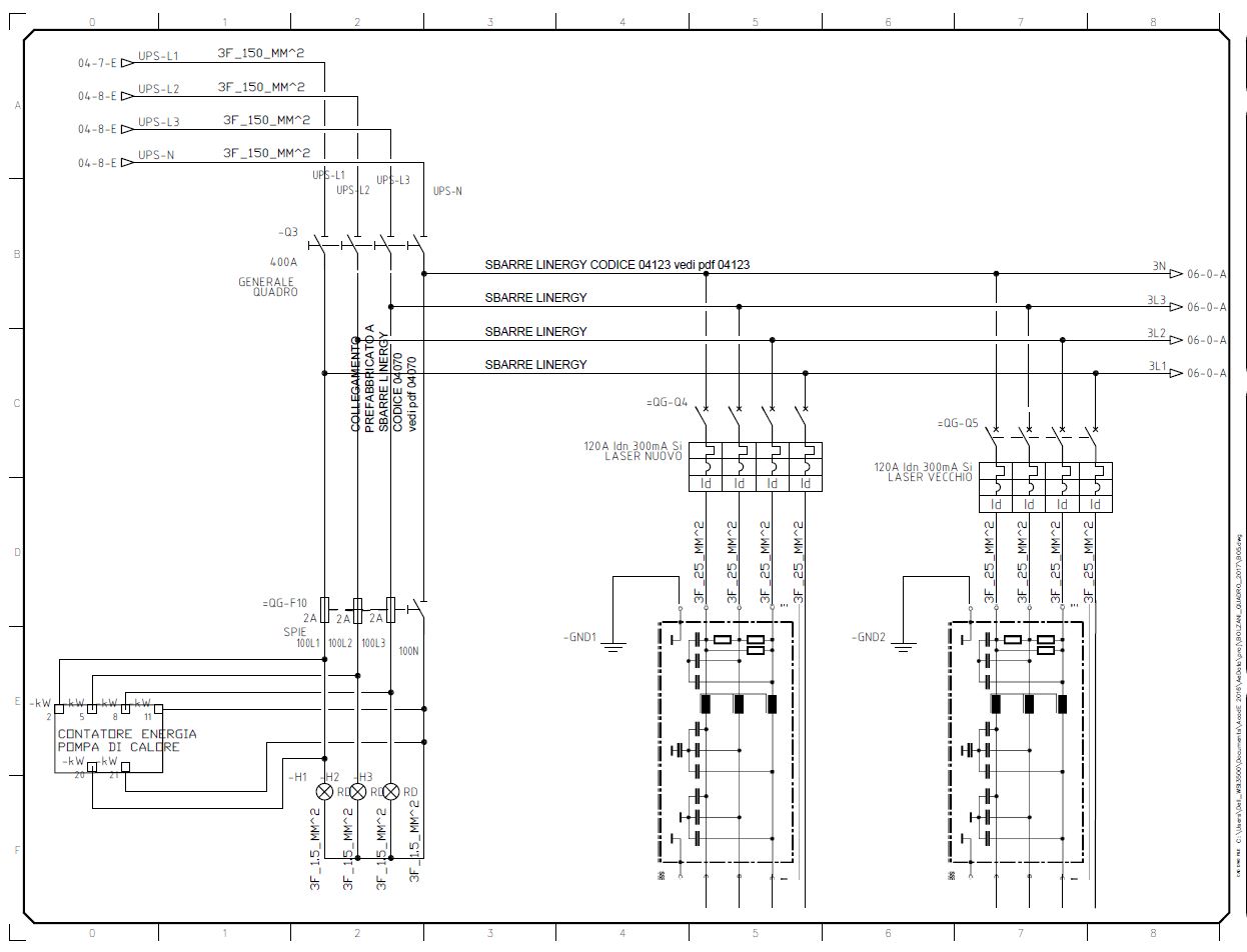
Buongiorno, come vedete dallo schema sotto ho due laser industriali di circa 50kW ciascuno che vengono alimentati da una linea protetta ognuno da un magnetotermico differenziale 120A Idn 300mA classe A super immunizzato.
Ho il seguente problema, ogni uno o due mesi scatta un differenziale, e spesso durante questi eventi scattano assieme.
Io credo possa essere dovuto a uno dei filtri emc che si trovano all'ingresso del quadro di ogni macchina (Come da schema).
Voi che ne dite?
Non trovate sia molto strano che il proprietario dei laser si trovi a volte entrambe gli interruttori giu? In teoria dovrebbe essere solo l'interruttore che protegge il laser vecchio a saltare perché li dovrebbe esserci il filtro emc usurato.
Schneider mi ha riferito che un classe B aumenterebbe la sicurezza delle persone non favorirebbe la diminuzione degli scatti intempestivi
2 Laser industriali fanno scattare differenziali
Moderatori:
sebago,
mario_maggi
28 messaggi
• Pagina 1 di 3 • 1, 2, 3
0
voti
ABB la pensa come me
https://new.abb.com/low-voltage/it/focu ... ispersione
Ultima modifica di
WALTERmwp il 13 dic 2019, 17:46, modificato 1 volta in totale.
Motivazione: Riduzione titolo in minuscolo
Motivazione: Riduzione titolo in minuscolo
0
voti
^^^
I n questo caso, le macchine in essere hanno filtri EMC/EMI entro-contenuti da almeno 100A o 300A cadauno, che generano quella che si chiama "corrente di fuga naturale"...
Pensare di farle lavorare con differenziali tipo A da 300mA S, è una eresia comunque, servono differenziali con id da 0,5A coordianti con l'impianto di terra serie o tipo "F".
Per il tipo B bisogna valutare...servirebbe una misura, anzi, segui le indicazioni del costruttore del laser, perché un guasto interno potrebbe provocare correnti continue di guasto.
In questo caso, potresti avere correnti di fuga da almeno 300mA con macchina a riposo.
In lavorazione, le correnti di fuga aumentano, ed anche il loro valore di frequenza, ovvero ahi anche dei contributi in armoniche di ordine superiore alla fondamentale.
Non posso consigliarti un trasformatore di isolamento per macchina perché sarebbe un onere non sostenibile, immagino che le macchine non sono a 2 isolamento.
Verifica se i blocchi differenziali hanno anche il controllo isolamento - se sì - allora è un problema ulteriore.
Fai sapere, il cosniglio migliore per il momento: Differenziali tipo F da 0,5A-
Di solito ...chi monta la mnacchina da 1.000.000 Euro, non si interessa dell'impianto, e chi realizza l'impianto se ne frega dell'installatore dell'utilizzatore, poi ..tutti si danno la colpa a vicenda.
I n questo caso, le macchine in essere hanno filtri EMC/EMI entro-contenuti da almeno 100A o 300A cadauno, che generano quella che si chiama "corrente di fuga naturale"...
Pensare di farle lavorare con differenziali tipo A da 300mA S, è una eresia comunque, servono differenziali con id da 0,5A coordianti con l'impianto di terra serie o tipo "F".
Per il tipo B bisogna valutare...servirebbe una misura, anzi, segui le indicazioni del costruttore del laser, perché un guasto interno potrebbe provocare correnti continue di guasto.
In questo caso, potresti avere correnti di fuga da almeno 300mA con macchina a riposo.
In lavorazione, le correnti di fuga aumentano, ed anche il loro valore di frequenza, ovvero ahi anche dei contributi in armoniche di ordine superiore alla fondamentale.
Non posso consigliarti un trasformatore di isolamento per macchina perché sarebbe un onere non sostenibile, immagino che le macchine non sono a 2 isolamento.
Verifica se i blocchi differenziali hanno anche il controllo isolamento - se sì - allora è un problema ulteriore.
Fai sapere, il cosniglio migliore per il momento: Differenziali tipo F da 0,5A-
Di solito ...chi monta la mnacchina da 1.000.000 Euro, non si interessa dell'impianto, e chi realizza l'impianto se ne frega dell'installatore dell'utilizzatore, poi ..tutti si danno la colpa a vicenda.
0
voti
Ho riguardato per caso la foto dello schema….ho trovato un 3N (neutro distribuito) collegato al filtro ed una Fase diretta.
E' un errore di disegno o cosa? perché è piuttosto grave..!
Il filtro riceve i conduttori attivi, ovvero le 3 Fasi.
Il Neutro si collega diretto.

E' un errore di disegno o cosa? perché è piuttosto grave..!
Il filtro riceve i conduttori attivi, ovvero le 3 Fasi.
Il Neutro si collega diretto.

0
voti
È un errore dello schema multifilare (suppongo). Il neutro doveva stare in basso.
Riguardo al problema, non dici con che sistema è esercito l'impianto.
Perché sono stati scelti differenziali da 300 mA?
Il costruttore del laser comunque (almeno per quello nuovo) dovrebbe darti tra le specifiche, il valore della corrente verso terra e la sua componente in termini di onda/impulso.
Riguardo al problema, non dici con che sistema è esercito l'impianto.
Perché sono stati scelti differenziali da 300 mA?
Il costruttore del laser comunque (almeno per quello nuovo) dovrebbe darti tra le specifiche, il valore della corrente verso terra e la sua componente in termini di onda/impulso.
Ognuno sta solo sul cuor della terra
trafitto da un raggio di sole:
ed è subito sera
Salvatore Quasimodo
trafitto da un raggio di sole:
ed è subito sera
Salvatore Quasimodo
0
voti
elettro ha scritto:^^^
I n questo caso, le macchine in essere hanno filtri EMC/EMI entro-contenuti da almeno 100A o 300A cadauno, che generano quella che si chiama "corrente di fuga naturale"...
Pensare di farle lavorare con differenziali tipo A da 300mA S, è una eresia comunque, servono differenziali con id da 0,5A coordianti con l'impianto di terra serie o tipo "F".
Per il tipo B bisogna valutare...servirebbe una misura, anzi, segui le indicazioni del costruttore del laser, perché un guasto interno potrebbe provocare correnti continue di guasto.
In questo caso, potresti avere correnti di fuga da almeno 300mA con macchina a riposo.
In lavorazione, le correnti di fuga aumentano, ed anche il loro valore di frequenza, ovvero ahi anche dei contributi in armoniche di ordine superiore alla fondamentale.
Non posso consigliarti un trasformatore di isolamento per macchina perché sarebbe un onere non sostenibile, immagino che le macchine non sono a 2 isolamento.
Verifica se i blocchi differenziali hanno anche il controllo isolamento - se sì - allora è un problema ulteriore.
Fai sapere, il cosniglio migliore per il momento: Differenziali tipo F da 0,5A-
Di solito ...chi monta la mnacchina da 1.000.000 Euro, non si interessa dell'impianto, e chi realizza l'impianto se ne frega dell'installatore dell'utilizzatore, poi ..tutti si danno la colpa a vicenda.
Innanzitutto grazie 1000.
Nota 1: la prima cosa che ho fatto quando ho installato il nuovo quadro è stato contattare le case costruttrici dei due laser (che sono di un certo di livello) per chiedere il manuale e loro indicazioni, risultato: sul manuale nulla di utile, e interpellando i tecnici piu qualificati la risposta fu: quando succedono casini normalmente non se ne esce si alzano solo i differenziali.
Nota 2: alchè io sono andato a prendere i data sheet dei filtri montati sulle due macchine e ho visto che ognuno dava massimo 3mA di scarica verso terra, se vedete data sheet di quello che ho postato fa 2,9. Leggendo qualcosa in letteratura tecnica e sapendo già dei problemi ho montato dei 300mA pensando di starci dentro. Ho sentito Schneider, i B rispetto a gli A Si non aumentano l'indennità ai guasti ma la sicurezza della persone. Un B di quella taglia costa 3000 euro di listino comunque. Scegliere un 500mA è una scelta che va oculata perché va scelto sempre il differenziale piu' basso possibile (coordinato con la resistenza di terra)per sicurezza
Ultima modifica di
Claudio34 il 23 dic 2019, 18:42, modificato 2 volte in totale.
0
voti
elettro ha scritto:Ho riguardato per caso la foto dello schema….ho trovato un 3N (neutro distribuito) collegato al filtro ed una Fase diretta.
E' un errore di disegno o cosa? perché è piuttosto grave..!
Il filtro riceve i conduttori attivi, ovvero le 3 Fasi.
Il Neutro si collega diretto.
![]()
![]()
![]()
![]()
![]()
![]()
Ti chiedo scusa, ho fatto un inserimento all'ultimo minuto, ovvio che al filtro sono collegate le fasi altrimenti non potrebbe nemmeno funzionare
0
voti
attilio ha scritto:È un errore dello schema multifilare (suppongo). Il neutro doveva stare in basso.
Riguardo al problema, non dici con che sistema è esercito l'impianto.
Perché sono stati scelti differenziali da 300 mA?
Il costruttore del laser comunque (almeno per quello nuovo) dovrebbe darti tra le specifiche, il valore della corrente verso terra e la sua componente in termini di onda/impulso.
Come ho scritto sopra entrambe i costruttori dei laser danno solo la potenza di collegamento, io ho preso come riferimento le correnti di dispersione indicate sui datasheet dei filtri.
0
voti
Claudio34 ha scritto:Scegliere un 500mA è una scelta che va oculata perché va scelto sempre il differenziale piu' basso possibile (coordinato con la resistenza di terra)per sicurezza
Al contrario!
Ognuno sta solo sul cuor della terra
trafitto da un raggio di sole:
ed è subito sera
Salvatore Quasimodo
trafitto da un raggio di sole:
ed è subito sera
Salvatore Quasimodo
0
voti
attilio ha scritto:Claudio34 ha scritto:Scegliere un 500mA è una scelta che va oculata perché va scelto sempre il differenziale piu' basso possibile (coordinato con la resistenza di terra)per sicurezza
Al contrario!
non capisco attilio...
28 messaggi
• Pagina 1 di 3 • 1, 2, 3
Torna a Energia e qualità dell'energia
Chi c’è in linea
Visitano il forum: Nessuno e 12 ospiti

Elettrotecnica e non solo (admin)
Un gatto tra gli elettroni (IsidoroKZ)
Esperienza e simulazioni (g.schgor)
Moleskine di un idraulico (RenzoDF)
Il Blog di ElectroYou (webmaster)
Idee microcontrollate (TardoFreak)
PICcoli grandi PICMicro (Paolino)
Il blog elettrico di carloc (carloc)
DirtEYblooog (dirtydeeds)
Di tutto... un po' (jordan20)
AK47 (lillo)
Esperienze elettroniche (marco438)
Telecomunicazioni musicali (clavicordo)
Automazione ed Elettronica (gustavo)
Direttive per la sicurezza (ErnestoCappelletti)
EYnfo dall'Alaska (mir)
Apriamo il quadro! (attilio)
H7-25 (asdf)
Passione Elettrica (massimob)
Elettroni a spasso (guidob)
Bloguerra (guerra)



