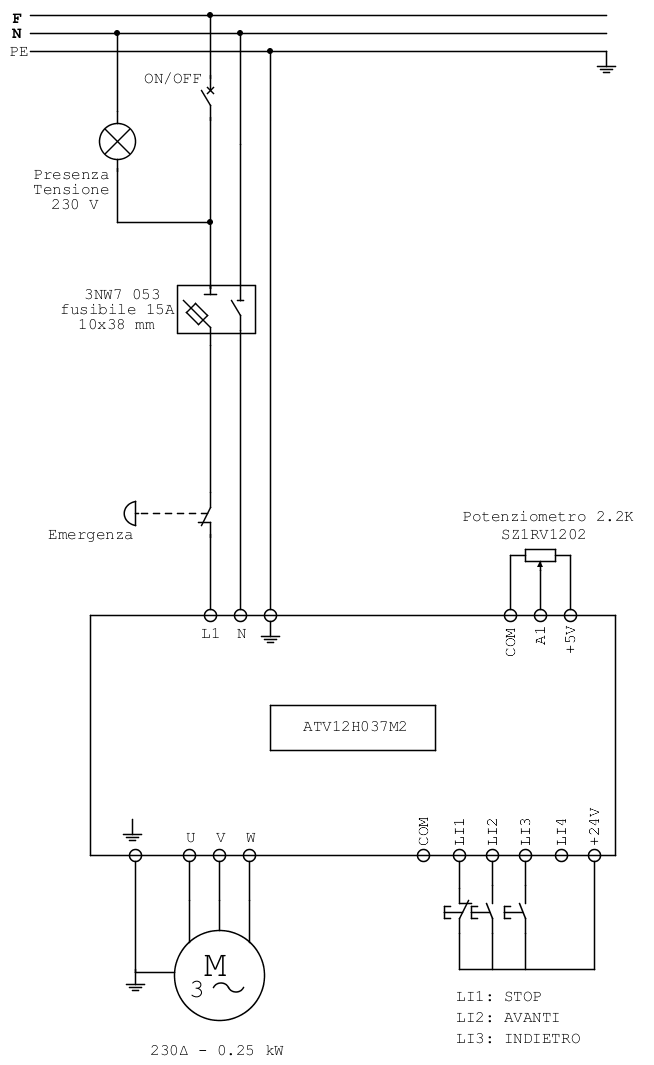
Il comando impulsivo lo intendevo come "ripristino". Ovvero, se comando l'emergenza, dopo averla sbloccata, per riavviare uso un comando a impulso (con contatto NO). L'ho visto in altri quadri (io però mi occupo di altre cose però) e ho pensato di fare così. Dici che non ha senso?
Togliendo il ripristino dovrei cambiare schema per l'emergenza, giusto?
attilio ha scritto:Per quella taglia di motore, un salvamotore non serve a niente, come non serve a niente in generale quando l'inverter comanda un solo motore ed è correttamente parametrizzato.
Hai ragione. Infatti all'inizio mi sono posto proprio il problema "ma per questo motorino ha senso sto mezzo casino?" Anche perché nel manuale dell'inverter (link), nella configurazione, si parla di "Protezione termica del motore" (pag. 95), anche se non ho capito se posso inserire dei valori (per esempio la corrente di targa, cioè 1.39A).
Va detto che il costruttore però indica un salvamotore e un magnetotermico-diff (non ho capito se sono alternativi o da usare entrambi) (link immagine)
L'uso del contattore (anch'esso indicato dal costruttore) come lo vedi? Ovviamente lo userei non tanto come comando di potenza ma più come gestore dell'emergenza.

Elettrotecnica e non solo (admin)
Un gatto tra gli elettroni (IsidoroKZ)
Esperienza e simulazioni (g.schgor)
Moleskine di un idraulico (RenzoDF)
Il Blog di ElectroYou (webmaster)
Idee microcontrollate (TardoFreak)
PICcoli grandi PICMicro (Paolino)
Il blog elettrico di carloc (carloc)
DirtEYblooog (dirtydeeds)
Di tutto... un po' (jordan20)
AK47 (lillo)
Esperienze elettroniche (marco438)
Telecomunicazioni musicali (clavicordo)
Automazione ed Elettronica (gustavo)
Direttive per la sicurezza (ErnestoCappelletti)
EYnfo dall'Alaska (mir)
Apriamo il quadro! (attilio)
H7-25 (asdf)
Passione Elettrica (massimob)
Elettroni a spasso (guidob)
Bloguerra (guerra)




