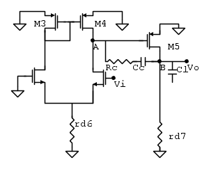
Salve a tutti chiedo il vostro aiuto per capire come procedere al calcolo dei poli, il circuito in questione è
Devo calcolare i poli nei nodi A e B, il motivo per cui scelgo tali nodi è perché il nodo A è il nodo di uscita del primo stadio mentre B del secondo stadio, corretto?
Ultimo dubbio è il modo di calcolare i poli in corrispondenza di questi nodi, pensavo di usare il metodo delle costanti di tempo, ma non so qualche capacità prendere in considerazione per calcolare la resistenza vista da questo sia per il nodo A sia per il nodo B.
Qualcuno mi può dare una mano?
Problema sui poli
Moderatori:
carloc,
g.schgor,
BrunoValente,
IsidoroKZ
8 messaggi
• Pagina 1 di 1
2
voti
Non esistono, per quello che ne so, dei poli in un nodo (ci sono dei poli associati a un nodo, ma e` un'altra storia). I poli sono nella funzione di trasferimento fra una uscita e un ingresso.
Nel tuo circuito ci sono le capacita` parassite? Se non ci sono hai un polo dato da Cc, e forse uno dato da Cl, ammesso che sia collegato a ground, non lasciato a mezz'aria come nello schema.
Essendoci due condensatori che "si vedono" direi che sia opportuno usare il metodo delle costanti di tempo, visto che non ci sono i valori e non si puo` vedere se uno interviene molto prima dell'altro.
Nel tuo circuito ci sono le capacita` parassite? Se non ci sono hai un polo dato da Cc, e forse uno dato da Cl, ammesso che sia collegato a ground, non lasciato a mezz'aria come nello schema.
Essendoci due condensatori che "si vedono" direi che sia opportuno usare il metodo delle costanti di tempo, visto che non ci sono i valori e non si puo` vedere se uno interviene molto prima dell'altro.
Per usare proficuamente un simulatore, bisogna sapere molta più elettronica di lui
Plug it in - it works better!
Il 555 sta all'elettronica come Arduino all'informatica! (entrambi loro malgrado)
Se volete risposte rispondete a tutte le mie domande
Plug it in - it works better!
Il 555 sta all'elettronica come Arduino all'informatica! (entrambi loro malgrado)
Se volete risposte rispondete a tutte le mie domande
0
voti
Intanto grazie della risposta, chiedo scusa per l'espressione utilizzata e la mancanza del ground nello schema ma non posso più editare.
Per quanto riguarda le capacità parassite non le considero, quindi presumo che i poli siano dati da Cc e da Cl come appunto mi hai indicato, non ci sono valori o comunque non sono stati forniti dal prof.
Per quanto riguarda le capacità parassite non le considero, quindi presumo che i poli siano dati da Cc e da Cl come appunto mi hai indicato, non ci sono valori o comunque non sono stati forniti dal prof.
2
voti
I MOS sono soggetti alla modulazione della lunghezza di canale? Detto in altro modo c'e` una resistenza rd fra drain e source?
Per usare proficuamente un simulatore, bisogna sapere molta più elettronica di lui
Plug it in - it works better!
Il 555 sta all'elettronica come Arduino all'informatica! (entrambi loro malgrado)
Se volete risposte rispondete a tutte le mie domande
Plug it in - it works better!
Il 555 sta all'elettronica come Arduino all'informatica! (entrambi loro malgrado)
Se volete risposte rispondete a tutte le mie domande
0
voti
Scusa la risposta in ritardo ma questo fine settimana sono stato fuori, comunque sì, c'è una resistenza tra drain e source.
2
voti
Se devi solo calcolare i poli, visto che ci sono due capacita` che interagiscono, conviene semplificare il circuito togliendo il differenziale e lo specchio e sostituirlo con il suo equivalente Norton o Thevenin (fa lo stesso). Il generatore di corrente rappresenta la gm equivalente del differenziale e specchio, quella che conta e` la resistenza di uscita che e` approssimativamente pari a rd2//rd4. A questo punto devi calcolare sul circuito di destra le frequenze dei poli, ad esempio con il metodo delle costanti di tempo.
Per usare proficuamente un simulatore, bisogna sapere molta più elettronica di lui
Plug it in - it works better!
Il 555 sta all'elettronica come Arduino all'informatica! (entrambi loro malgrado)
Se volete risposte rispondete a tutte le mie domande
Plug it in - it works better!
Il 555 sta all'elettronica come Arduino all'informatica! (entrambi loro malgrado)
Se volete risposte rispondete a tutte le mie domande
1
voti
Ho dimenticato un avvertimento: nel parallelo rd2//rd4 la resistenza rd2 non la si puo` "vedere ad occhio", in quanto rd2 non e` collegata a ground. Per arrivare a quel valore bisogna fare un po' di conti e supporre che le rd1, rd3 e rd6 siano molto maggiori di 1/gm.
Per usare proficuamente un simulatore, bisogna sapere molta più elettronica di lui
Plug it in - it works better!
Il 555 sta all'elettronica come Arduino all'informatica! (entrambi loro malgrado)
Se volete risposte rispondete a tutte le mie domande
Plug it in - it works better!
Il 555 sta all'elettronica come Arduino all'informatica! (entrambi loro malgrado)
Se volete risposte rispondete a tutte le mie domande
8 messaggi
• Pagina 1 di 1
Chi c’è in linea
Visitano il forum: Nessuno e 41 ospiti

Elettrotecnica e non solo (admin)
Un gatto tra gli elettroni (IsidoroKZ)
Esperienza e simulazioni (g.schgor)
Moleskine di un idraulico (RenzoDF)
Il Blog di ElectroYou (webmaster)
Idee microcontrollate (TardoFreak)
PICcoli grandi PICMicro (Paolino)
Il blog elettrico di carloc (carloc)
DirtEYblooog (dirtydeeds)
Di tutto... un po' (jordan20)
AK47 (lillo)
Esperienze elettroniche (marco438)
Telecomunicazioni musicali (clavicordo)
Automazione ed Elettronica (gustavo)
Direttive per la sicurezza (ErnestoCappelletti)
EYnfo dall'Alaska (mir)
Apriamo il quadro! (attilio)
H7-25 (asdf)
Passione Elettrica (massimob)
Elettroni a spasso (guidob)
Bloguerra (guerra)



