Buongiorno,
volevo chiedervi principalmente, se avendo due fusibili da 10 Ampere, posso ricavarne uno da 20 Ampere senza comprarne uno specifico, e nel caso il collegamento di questi due fusibili come deve avvenire? in serie?
Vorrei inserire questo fusibile da 20 A. come protezione al mio trasformatore contro corto circuiti.
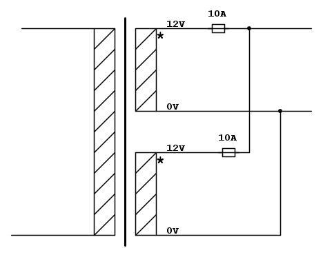
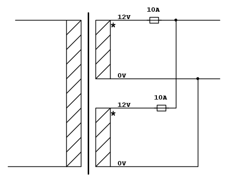
Ho un trasformatore con 2 secondari, da 10 A/12 volt l'uno, messi in parallelo dovrei ricavare al massimo 20 A.
fusibili serie/parallelo
Moderatori:
SandroCalligaro,
mario_maggi,
fpalone
4 messaggi
• Pagina 1 di 1
0
voti
Andrebbero messi in parallelo, in serie sarebbero sempre "un fusibile" da 10 A... però il parallelo di fusibili funziona solo se è il costruttore a parallelare tra loro più elementi fusibili identici formando così un fusibile in unico package.
"Non farei mai parte di un club che accettasse la mia iscrizione" (G. Marx)
-

claudiocedrone
21,3k 4 7 9 - Master EY

- Messaggi: 15302
- Iscritto il: 18 gen 2012, 13:36
0
voti
Se i fusibili sono della stessa marca e stesso modello, mettine uno per ogni secondario del trasformatore e poi collega i due secondari in parallelo. Attenzione però: i due secondari devono essere collegati in modo da avere le due tensioni in fase tra loro.
4 messaggi
• Pagina 1 di 1
Chi c’è in linea
Visitano il forum: Nessuno e 31 ospiti

Elettrotecnica e non solo (admin)
Un gatto tra gli elettroni (IsidoroKZ)
Esperienza e simulazioni (g.schgor)
Moleskine di un idraulico (RenzoDF)
Il Blog di ElectroYou (webmaster)
Idee microcontrollate (TardoFreak)
PICcoli grandi PICMicro (Paolino)
Il blog elettrico di carloc (carloc)
DirtEYblooog (dirtydeeds)
Di tutto... un po' (jordan20)
AK47 (lillo)
Esperienze elettroniche (marco438)
Telecomunicazioni musicali (clavicordo)
Automazione ed Elettronica (gustavo)
Direttive per la sicurezza (ErnestoCappelletti)
EYnfo dall'Alaska (mir)
Apriamo il quadro! (attilio)
H7-25 (asdf)
Passione Elettrica (massimob)
Elettroni a spasso (guidob)
Bloguerra (guerra)


