Analisi circuito con opamp e MOSFET
Moderatori:
carloc,
g.schgor,
BrunoValente,
IsidoroKZ
0
voti
Nello svolgimento proposto l'andamento risulta essere questo 
- Allegati
-
- elettronica5.PNG (19.87 KiB) Osservato 6673 volte
2
voti
Saraa ha scritto:persarebbe la tensione di uscita qualora l'intervallo 1<t<6 terminasse ? ovvero zero.
Mentrema come calcolo la corrente che scorre nella
? So che in
scorre la corrente di Drain (Il Mosfet ho dimostrato essere in Pinch Off), che poi si divide nei rami di
e di
.
Saraa ha scritto:non è comunque 0?
Pernon saprei come definirla la tensione di uscita...
So che.
Comunque dipende sempre dal comportamento del condensatore?
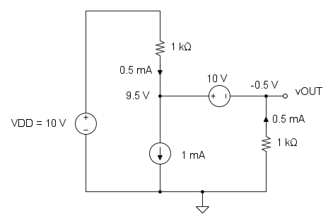
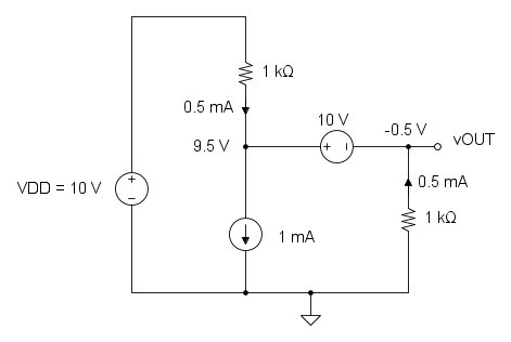
Rispondo a questi due post. Mi sembra di capire che tu abbia qualche difficoltà con il calcolo del valore iniziale delle grandezze del circuito. Si risolve il circuito per

Si suppone che il circuito sia a regime (corrente nel condensatore pari a zero). Allora si possono calcolare

.Si passa a risolvere il circuito un attimo dopo la variazione della tensione di ingresso (
); I vale 1 mA.Durante questo passaggio si sa che la tensione ai capi del condensatore non può avere salti mentre le altre grandezze possono anche essere discontinue. Risolvendo il circuito si ha

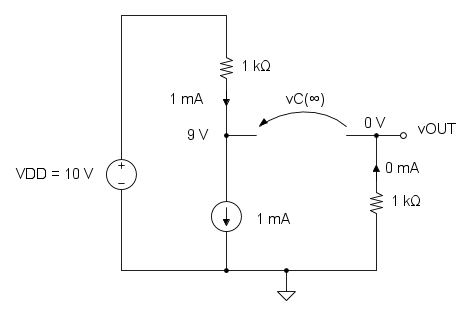
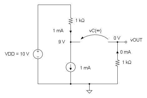
.Si calcolano i valori finali delle grandezze (cioè quei valori che si avrebbero se la tensione di ingresso rimanesse fissa a 2 V). Si può disegnare un circuito equivalente anche per fare questo calcolo. Infatti si sa che il condensatore equivale a un circuito aperto in continua:
Si ha che

.La costante di tempo ormai abbiamo capito quanto vale
Si possono comporre le espressioni delle due tensioni


valide per

Il procedimento è lo stesso per risolvere l'altro transitorio.
mark
0
voti
quando risolvo l'intervallo
il condensatore essendo carico lo considero come un generatore di 10V?
il condensatore essendo carico lo considero come un generatore di 10V?3
voti
Saraa ha scritto:perché
Basta risolvere il circuito a
Saraa ha scritto:come trovo che?
Si risolve il circuito supponendo che non ci siano altre variazioni della tensione di ingresso (il condensatore "non sa" che la tensione di ingresso cambierà a t = 6 s) e con condensatore aperto. Ridisegno
Saraa ha scritto:quando risolvo l'intervalloil condensatore essendo carico lo considero come un generatore di 10V?
Il condensatore si può considerare come un generatore di 10 V solo per un istante in 1+ : è come se avessi fatto una foto al circuito in 1+ in modo da poter calcolare il valore iniziale di tutte le grandezze.
mark
0
voti
Come so che la corrente che scorre in
e in
sia
?
e in
sia
?0
voti
Si scusami hai ragione.
Per l'intervallo
, considerando le equazioni di prima del metodo asintotico:
il condensatore si sarà scaricato.
la
mentre..
La
?
So che il MOS si interdice istantaneamente ma scorre ancora la corrente di drain nel parallelo tra le due resistenze ?
Per l'intervallo
, considerando le equazioni di prima del metodo asintotico: il condensatore si sarà scaricato.

la
mentre..La
? So che il MOS si interdice istantaneamente ma scorre ancora la corrente di drain nel parallelo tra le due resistenze ?
Chi c’è in linea
Visitano il forum: Nessuno e 35 ospiti

Elettrotecnica e non solo (admin)
Un gatto tra gli elettroni (IsidoroKZ)
Esperienza e simulazioni (g.schgor)
Moleskine di un idraulico (RenzoDF)
Il Blog di ElectroYou (webmaster)
Idee microcontrollate (TardoFreak)
PICcoli grandi PICMicro (Paolino)
Il blog elettrico di carloc (carloc)
DirtEYblooog (dirtydeeds)
Di tutto... un po' (jordan20)
AK47 (lillo)
Esperienze elettroniche (marco438)
Telecomunicazioni musicali (clavicordo)
Automazione ed Elettronica (gustavo)
Direttive per la sicurezza (ErnestoCappelletti)
EYnfo dall'Alaska (mir)
Apriamo il quadro! (attilio)
H7-25 (asdf)
Passione Elettrica (massimob)
Elettroni a spasso (guidob)
Bloguerra (guerra)
sarebbe la tensione di uscita qualora l'intervallo 1<t<6 terminasse ? ovvero zero.
ma come calcolo la corrente che scorre nella
scorre la corrente di Drain (Il Mosfet ho dimostrato essere in Pinch Off), che poi si divide nei rami di
non è comunque 0?
non saprei come definirla la tensione di uscita...
.





?
