grazie per l'aiuto
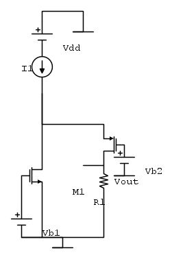
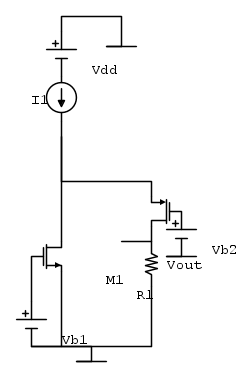
Una domanda: in questo circuito
La tensione sul drain di M1 no è uguale alla tensione sul drain di M2 ed pari alla Vout?
Moderatori:
carloc,
g.schgor,
BrunoValente,
IsidoroKZ


Visitano il forum: Nessuno e 231 ospiti