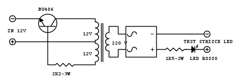
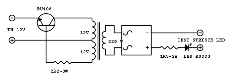
Ciao a tutti, un amico riparatore TV e monitor, mi ha chiesto se gli costruivo un tester per testare strisce led. Lo schema che ho tirato su e questo ed è alla mia altezza, di meglio non riesco a fare:
Fino ad ora sono riuscito a misurare senza regolare nulla da un diodo a una striscia da 72W 48v, il problema e che la luminosità anche se basterebbe per capire se le barre led sono funzionanti o meno e un po fioca. Si potrebbe migliorare questo circuito rimanendo nel semplicità?.
Tester strisce led per tv e monitor
6 messaggi
• Pagina 1 di 1
0
voti
Io seguendo un video su Youtube( ne ho visti parecchi...) l'ho fatto con un semplice ponte con un resistore 10k 3/5w in serie su un filo del lato 230 e sul lato + e - del ponte ho messo 2 puntali per provare le strisce..! 

0
voti
picciw ha scritto:Io seguendo un video su Youtube( ne ho visti parecchi...) l'ho fatto con un semplice ponte con un resistore 10k 3/5w in serie su un filo del lato 230 e sul lato + e - del ponte ho messo 2 puntali per provare le strisce..!
Ne ho costruito anche io uno così ma mi sembra un po troppo pericoloso mentre il mio ha una tensione di circa 180V ma la scossa si sente poco. Mi sono accorto che alimentando una barretta led da 18V si abbassa a 15vmentre per un led rosso si abbassa a 1.5v quindi mi basterebbe qualcosa in più, forse con un trasformatore con entrata a 7,5+7,5V o forse 6+6V dovrei arrivarci
-

elektronik
7.800 4 6 7 - Master

- Messaggi: 3836
- Iscritto il: 12 mag 2015, 22:26
0
voti
ciao
picciw se vuoi essere sicuro di non rimanere attaccato al tester ci sarebbe questa opzione che ho studiato in questi giorni e basta mettere un piccolo pulsante attaccato su un puntale con due filini per attivare il relè che aggancia solo nel momento della prova.
-

elektronik
7.800 4 6 7 - Master

- Messaggi: 3836
- Iscritto il: 12 mag 2015, 22:26
0
voti
Beh direi non male l'idea...! Io pero' con un po' di attenzione e per uso saltuario, d'emergenza, lo uso cosi' come l'ho descritto e anche brevi c.c. dei puntali (ho messo sugli stessi dei termorestringenti ,lasciando solo 1 mm..)non hanno dato problemi, certo penso comunque che si deve porre un po' di attenzione ...


0
voti
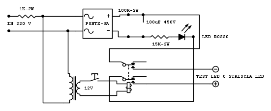
Forse io mi sono complicato meno la vita.
Ho detto che non mi interessava sapere quale fosse la striscia difettosa perché se avessi trovato al massimo due led su tutto il pannello difettosi, li avrei ponticellati e quindi devo controllarli uno ad uno.
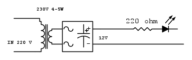
Ho recuperato un vecchio alimentatore da 4,5 VA in serie ad un filo ci ho messo una resistenza ed un led e due puntali; tutto qui !
Ho messo il led in serie perché andando a misurare un led in corto circuito non avrei avuto nessun riferimento.
La corrente che ci scorre per le prove è pochissima ed anche fare dei corti circuiti non si ha danni da nessuna parte .
Per i puntali ho preso due vecchi puntali gli ho tagliato la punta e ci ho fatto un foro da 1,5mm dove ci ho incastrato un chiodino di acciaio ( quelli neri ) e gli ho fatto una punta molto fine, che mi permette di penetrare la vernice isolante sulle strisce .
Sono ormai diversi anni e non mi è mai venuta la voglia di comprare o di fare quegli strani alimentatori che vendono.
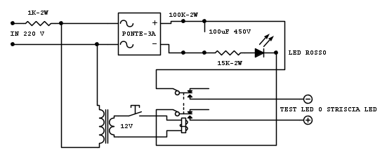
Ecco lo schema......
Ho detto che non mi interessava sapere quale fosse la striscia difettosa perché se avessi trovato al massimo due led su tutto il pannello difettosi, li avrei ponticellati e quindi devo controllarli uno ad uno.
Ho recuperato un vecchio alimentatore da 4,5 VA in serie ad un filo ci ho messo una resistenza ed un led e due puntali; tutto qui !
Ho messo il led in serie perché andando a misurare un led in corto circuito non avrei avuto nessun riferimento.
La corrente che ci scorre per le prove è pochissima ed anche fare dei corti circuiti non si ha danni da nessuna parte .
Per i puntali ho preso due vecchi puntali gli ho tagliato la punta e ci ho fatto un foro da 1,5mm dove ci ho incastrato un chiodino di acciaio ( quelli neri ) e gli ho fatto una punta molto fine, che mi permette di penetrare la vernice isolante sulle strisce .
Sono ormai diversi anni e non mi è mai venuta la voglia di comprare o di fare quegli strani alimentatori che vendono.
Ecco lo schema......
Alex
https://www.facebook.com/Elettronicaeelettrotecnica
<< vedi di pigliare arditamente in mano, il dizionario che ti suona in bocca,
se non altro è schietto e paesano.
(Giuseppe Giusti) <<
https://www.facebook.com/Elettronicaeelettrotecnica
<< vedi di pigliare arditamente in mano, il dizionario che ti suona in bocca,
se non altro è schietto e paesano.
(Giuseppe Giusti) <<
6 messaggi
• Pagina 1 di 1
Torna a Costruzione, riparazione, riutilizzo
Chi c’è in linea
Visitano il forum: Nessuno e 59 ospiti

Elettrotecnica e non solo (admin)
Un gatto tra gli elettroni (IsidoroKZ)
Esperienza e simulazioni (g.schgor)
Moleskine di un idraulico (RenzoDF)
Il Blog di ElectroYou (webmaster)
Idee microcontrollate (TardoFreak)
PICcoli grandi PICMicro (Paolino)
Il blog elettrico di carloc (carloc)
DirtEYblooog (dirtydeeds)
Di tutto... un po' (jordan20)
AK47 (lillo)
Esperienze elettroniche (marco438)
Telecomunicazioni musicali (clavicordo)
Automazione ed Elettronica (gustavo)
Direttive per la sicurezza (ErnestoCappelletti)
EYnfo dall'Alaska (mir)
Apriamo il quadro! (attilio)
H7-25 (asdf)
Passione Elettrica (massimob)
Elettroni a spasso (guidob)
Bloguerra (guerra)




