Buongiorno,
voglio utilizzare lo schema allegato per realizzare un carico attivo.
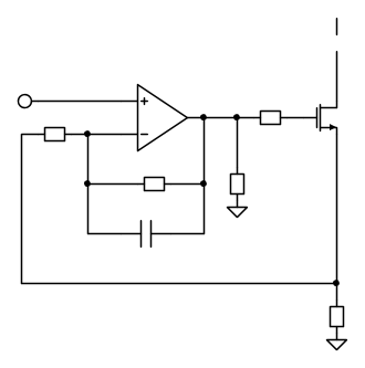
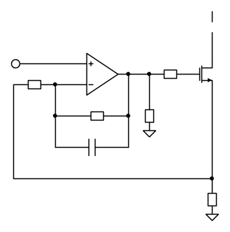
Non capisco la soluzione circuitale utilizzata per pilotare i mosfet (es. TR1, TR2, R5, R6, C8).
Qualcuno potrebbe spiegarmela?
Grazie in anticipo.
Pilotaggio mosfet in schema per carico attivo
Moderatori:
carloc,
g.schgor,
BrunoValente,
IsidoroKZ
10 messaggi
• Pagina 1 di 1
0
voti
Io avrei collegato le uscite degli operazionali direttamente ai gate facendo a meno di tutti quei componenti intermedi.
Il motivo di quella scelta mi sfugge, forse hanno avuto problemi di stabilità e hanno risolto così.
Il motivo di quella scelta mi sfugge, forse hanno avuto problemi di stabilità e hanno risolto così.
-

BrunoValente
39,6k 7 11 13 - G.Master EY

- Messaggi: 7796
- Iscritto il: 8 mag 2007, 14:48
0
voti
Quest'altro progetto, abbastanza simile al precedente, prevede infatti il collegamento del gate direttamente all'uscita degli operazionali. Anche qui c'è un resistore R5 dal gate a massa, oltre al condensatore C8 e al diodo D5.
In questo caso nello schema è indicato che i mosfet sono due (2x), pilotati dallo stesso operazionale, mentre nel primo circuito ogni mosfet ha un pilotaggio separato, soluzione che viene giustificata con la considerazione che i mosfet avranno in pratica diversa transconduttanza, causando un potenziale sbilanciamento della corrente assorbita e il surriscaldamento di uno dei due transistor.
In questo caso nello schema è indicato che i mosfet sono due (2x), pilotati dallo stesso operazionale, mentre nel primo circuito ogni mosfet ha un pilotaggio separato, soluzione che viene giustificata con la considerazione che i mosfet avranno in pratica diversa transconduttanza, causando un potenziale sbilanciamento della corrente assorbita e il surriscaldamento di uno dei due transistor.
0
voti
Il parallelo R6/C8 è uno zero nella funzione in anello aperto, diciamo che puoi vederla come un'azione derivativa. potrebbe essere stato utile alla stabilità del loop.
L'altra resistenza mi pare un pull-down per mantenere il MOS spenti in assenza di alimentazione, in effetti non dovrebbero esserci problemi ma magari all'avvio evitano correnti di inrush.
L'altra resistenza mi pare un pull-down per mantenere il MOS spenti in assenza di alimentazione, in effetti non dovrebbero esserci problemi ma magari all'avvio evitano correnti di inrush.
-

marioursino
5.687 3 9 13 - G.Master EY

- Messaggi: 1598
- Iscritto il: 5 dic 2009, 4:32
0
voti
io ho usato la stessa configurazione per vari miei progetti, il motivo è avere una bassissima resistenza di controllo sul mosfet, e di conseguenza forti correnti di controllo del gate, la velocità di commutazione molto velocizzata a mio avviso, io ho anche evitato il filtro RC sul gate, questo non mi ha comunque dato problemi.
Unica cosa da tenere presente una corta distanza tra le masse dei driver e le masse dei mosfet, qua si possono generare forti correnti, gli spike che ne derivano disturbano la commutazione.
saluti.
Unica cosa da tenere presente una corta distanza tra le masse dei driver e le masse dei mosfet, qua si possono generare forti correnti, gli spike che ne derivano disturbano la commutazione.
saluti.
-

lelerelele
4.899 3 7 9 - Master

- Messaggi: 5505
- Iscritto il: 8 giu 2011, 8:57
- Località: Reggio Emilia
4
voti
Ma qui non c'è nulla che commuta, siamo in continua.
-

BrunoValente
39,6k 7 11 13 - G.Master EY

- Messaggi: 7796
- Iscritto il: 8 mag 2007, 14:48
0
voti
lelerelele ha scritto:io ho usato la stessa configurazione per vari miei progetti...
io ho anche evitato il filtro RC sul gate, questo non mi ha comunque dato problemi.
...
A quale configurazione ti riferisci, la prima o la seconda?
Dici "la stessa" e poi però che non usi il filtro RC.
grazie, ciao
0
voti
rodolfok ha scritto:A quale configurazione ti riferisci, la prima o la seconda?
Dici "la stessa" e poi però che non usi il filtro RC.
grazie, ciao
la prima, senza RC.
-

lelerelele
4.899 3 7 9 - Master

- Messaggi: 5505
- Iscritto il: 8 giu 2011, 8:57
- Località: Reggio Emilia
0
voti
Se hai problemi di stabilità puoi prevedere di diminuire il guadagno dell'operazionale con un anellino interno:
-

marioursino
5.687 3 9 13 - G.Master EY

- Messaggi: 1598
- Iscritto il: 5 dic 2009, 4:32
10 messaggi
• Pagina 1 di 1
Chi c’è in linea
Visitano il forum: Nessuno e 54 ospiti

Elettrotecnica e non solo (admin)
Un gatto tra gli elettroni (IsidoroKZ)
Esperienza e simulazioni (g.schgor)
Moleskine di un idraulico (RenzoDF)
Il Blog di ElectroYou (webmaster)
Idee microcontrollate (TardoFreak)
PICcoli grandi PICMicro (Paolino)
Il blog elettrico di carloc (carloc)
DirtEYblooog (dirtydeeds)
Di tutto... un po' (jordan20)
AK47 (lillo)
Esperienze elettroniche (marco438)
Telecomunicazioni musicali (clavicordo)
Automazione ed Elettronica (gustavo)
Direttive per la sicurezza (ErnestoCappelletti)
EYnfo dall'Alaska (mir)
Apriamo il quadro! (attilio)
H7-25 (asdf)
Passione Elettrica (massimob)
Elettroni a spasso (guidob)
Bloguerra (guerra)
