In questo caso i filtri sono per forza a monte della macchina, per quanto concerne la qualità della rete, in nessun caso troveremo mai una qualità della rete ottimale.
Chi installa la macchina non collabora mai con chi ha progettato l'impianto, rimane da sapere se i filtri sono stati posati dopo in esterno o erano già previsti nel macchinario.
Credo che con il corretto cablaggio della macchina e dei suoi filtri risolviamo il problema.
Mi preme sottolineare che, in certi casi si deve procedere con il cablaggio elettrico della alimentazione del macchinario con il metodo detto "pettinato" - chi è esperto del settore lo conosce, comunque si tratta di dare ordine alla stesura dei conduttori con una determinata tecnica e tenere fuori dai fasci il PE. questo limita molto gli accoppiamenti capacitivi tra i cavi, soprattutto tra i conduttori attivi ed il PE - nonché la capacità parassita che si determina con le linee molto estese con i conduttori in fasci, magari anche misti tra circuiti diversi.
Un impulso di corrente su di un circuito può determinare una dispersione capacitiva sul PE o su un Neutro di altor circuito.
ES: Si usa nei grandi supermercati ad esempio.
Saluti.
2 Laser industriali fanno scattare differenziali
Moderatori:
sebago,
mario_maggi
28 messaggi
• Pagina 3 di 3 • 1, 2, 3
0
voti
elettro ha scritto:Prima di proporre nuove interpretazioni, è bene verificare lo schema di quel filtro - è di fatto un trifase puro - si collega con i conduttori attivi, ovvero le tre fasi. Il neutro - qui - si esclude.
Sono disponibili filtri a 4 poli con il Neutro.
Inutile continuare con allusioni se quello schema corrisponde al vero - sia come progetto, sia come esecuzione di cablaggio in loco.
Se è confermato quanto ho premesso, non è un caso se interviene il differenziale.
Saluti.
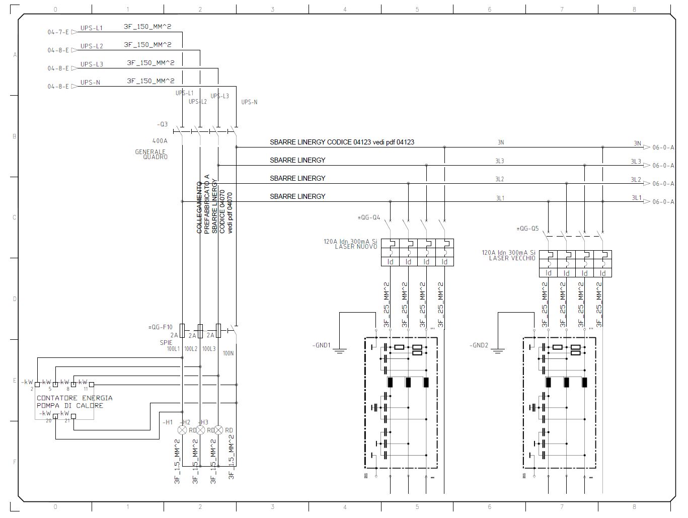
Ciao Elettro, eccoti la correzione dello schema corretto, è ovvio che i filtri debbano funzionare collegati alle 3 fasi ma grazie della osservazione è bene correggere
Allego anche una pagina del datasheet del filtro (il modello montato sulla macchina è il B84143A0080R000) dove si nota una corrente di dispersione Ilk di 2,73 mA.
Ribadisco dei concetti importanti che a qualcuno sono sfuggiti nella lettura dei tanti post:
1- sia nel manuale dei 2 laser, sia contattando l'assistenza, sia parlando di persona con un tecnico dell'assistenza non ho trovato e ricevuto la benchè minima indicazione su come alimentare i laser, se non il valore di ampere assorbiti ; il tecnico interpellato di persona mi ha detto "quando succedono queste cose non ce ne saltiamo mai fuori alla fine alziamo i differenziali"
2- il differenziale salta ogni mese circa sia sul laser che ha 10 anni, sia sul laser che ne ha 20, non sempre simultaneamente solo una volta sono saltati simultaneamente, l'ultima volta qualche giorno fa sono saltati lo stesso giorno a distanza di ore, fra l'altro stavolta con macchine accese ma in stand by, le stavano programmando.
3 - ma con una corrente di dispersione 2,73mA a 50Hz sul filtro se ho usato dei differenziali 300mA classe A Super immunizzati perché sono un asino^? Avevo sentito Schneider, il classe B non è piu' immune dagli scatti intempestivi. Ovvio che per le armoniche superiori a 50Hz la corrente di dispersione aumenta ma cavolo ce ne vuole a passare i 300mA
Conclusione: mi sono preso il verbale di verifica di impianto di terra eseguito a Dicembre 2019, con i 6,72 Ohm posso montare dei 500mA tranquillamente, 1A no perché perderei selettività a monte, ma vi chiedo, per ulteriore tutela non mi converrebbe montare dei differenziali regolabili? Montare degli apr ABB mi darebbe qualche garanzia in piu'?
0
voti
elettro ha scritto:In questo caso i filtri sono per forza a monte della macchina, per quanto concerne la qualità della rete, in nessun caso troveremo mai una qualità della rete ottimale.
Chi installa la macchina non collabora mai con chi ha progettato l'impianto, rimane da sapere se i filtri sono stati posati dopo in esterno o erano già previsti nel macchinario.
Credo che con il corretto cablaggio della macchina e dei suoi filtri risolviamo il problema.
Mi preme sottolineare che, in certi casi si deve procedere con il cablaggio elettrico della alimentazione del macchinario con il metodo detto "pettinato" - chi è esperto del settore lo conosce, comunque si tratta di dare ordine alla stesura dei conduttori con una determinata tecnica e tenere fuori dai fasci il PE. questo limita molto gli accoppiamenti capacitivi tra i cavi, soprattutto tra i conduttori attivi ed il PE - nonché la capacità parassita che si determina con le linee molto estese con i conduttori in fasci, magari anche misti tra circuiti diversi.
Un impulso di corrente su di un circuito può determinare una dispersione capacitiva sul PE o su un Neutro di altor circuito.
ES: Si usa nei grandi supermercati ad esempio.
Saluti.
filtri all'interno del quadro macchina, originari della macchina, nessuna modifica, nessuna posa esterna. La distanza dei differenziali che saltano al quadro macchina è di 50/80metri, forse questo può creare problemi?
0
voti
Sarebbe interessante conoscere gli sviluppi del caso.
In questo ambito, con 50 o 80 metri di linea e queste macchine, senza il cablaggio pettinato e dei differenziali da 0,5A coordinati con la Rt, non vi sono scappatoie fantasiose per non avere problemi.
Saluti.
In questo ambito, con 50 o 80 metri di linea e queste macchine, senza il cablaggio pettinato e dei differenziali da 0,5A coordinati con la Rt, non vi sono scappatoie fantasiose per non avere problemi.
Saluti.
0
voti
elettro ha scritto:Sarebbe interessante conoscere gli sviluppi del caso.
In questo ambito, con 50 o 80 metri di linea e queste macchine, senza il cablaggio pettinato e dei differenziali da 0,5A coordinati con la Rt, non vi sono scappatoie fantasiose per non avere problemi.
Saluti.
mi sono orientato sui differenziali regolabili vigirex schneider, in che senso "pettinati"? Potrei installare questi differnziali nel quadro macchina vicino ad essa per limitare i problemi
0
voti
^^^
Quoto la tua soluzione da te premessa, è bene rapportarsi con una id di 0,5A e determinare un ritardo intenzionale, rimanendo nei limiti in relazione coordinamento della Rt.
Queste macchine hanno delle dispersioni naturali dettate dai filtri EMC/EMI entro contenuti e in aggiunta quelle impulsive degli inverter in fase di azionamento.
Per quanto concerne il "cablaggio pettinato" che ho citato, molti progettisti dovrebbero conoscerlo e adottarlo, ma è sovente trovare passerelle con "grovigli" da 50 metri ed oltre ove è presente di tutto, con un bel conduttore PE aggrovigliato si possono alterare e creare ulteriori caratteristiche parassite come la capacità verso terra.
La razio, consiglia di fare delle distese con conduttori paralleli ed il PE separato, poi ci sono anche delle indicazioni normative per le linee molto estese al fine di inibire il fenomeno della muta induzione.
Spostando i nuovi dispositivi alle pertinenze delle macchine con le opportune tarature dovresti risolvere.
Fai sapere.
Quoto la tua soluzione da te premessa, è bene rapportarsi con una id di 0,5A e determinare un ritardo intenzionale, rimanendo nei limiti in relazione coordinamento della Rt.
Queste macchine hanno delle dispersioni naturali dettate dai filtri EMC/EMI entro contenuti e in aggiunta quelle impulsive degli inverter in fase di azionamento.
Per quanto concerne il "cablaggio pettinato" che ho citato, molti progettisti dovrebbero conoscerlo e adottarlo, ma è sovente trovare passerelle con "grovigli" da 50 metri ed oltre ove è presente di tutto, con un bel conduttore PE aggrovigliato si possono alterare e creare ulteriori caratteristiche parassite come la capacità verso terra.
La razio, consiglia di fare delle distese con conduttori paralleli ed il PE separato, poi ci sono anche delle indicazioni normative per le linee molto estese al fine di inibire il fenomeno della muta induzione.
Spostando i nuovi dispositivi alle pertinenze delle macchine con le opportune tarature dovresti risolvere.
Fai sapere.
0
voti
grazie infinite Elettro, ho scelto i differenziali con toroide Schneider , regolabili in corrente e tempi. Nota: i tecnici Schneider affermano che i differenziali con Toroide esterno siano meno sensibili ai disturbi
Ultima modifica di
lillo il 27 gen 2020, 11:50, modificato 1 volta in totale.
Motivazione: Eliminata citazione integrale del messaggio precedente.
Motivazione: Eliminata citazione integrale del messaggio precedente.
28 messaggi
• Pagina 3 di 3 • 1, 2, 3
Torna a Energia e qualità dell'energia
Chi c’è in linea
Visitano il forum: Nessuno e 11 ospiti

Elettrotecnica e non solo (admin)
Un gatto tra gli elettroni (IsidoroKZ)
Esperienza e simulazioni (g.schgor)
Moleskine di un idraulico (RenzoDF)
Il Blog di ElectroYou (webmaster)
Idee microcontrollate (TardoFreak)
PICcoli grandi PICMicro (Paolino)
Il blog elettrico di carloc (carloc)
DirtEYblooog (dirtydeeds)
Di tutto... un po' (jordan20)
AK47 (lillo)
Esperienze elettroniche (marco438)
Telecomunicazioni musicali (clavicordo)
Automazione ed Elettronica (gustavo)
Direttive per la sicurezza (ErnestoCappelletti)
EYnfo dall'Alaska (mir)
Apriamo il quadro! (attilio)
H7-25 (asdf)
Passione Elettrica (massimob)
Elettroni a spasso (guidob)
Bloguerra (guerra)


