da
elfo » 20 gen 2020, 18:58
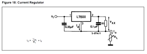
Gurda lo schema qui sotto (schema equivalente di un regolatore generico a 3 terminali LM78xx (es 7805) o LM3XX (es 317)).
I simboli sono "ovvi".
Il funzionamento by inspection e' il seguente:
a) Il generatore di tensione di riferimento (Vref) e alimentato tramite un generatore di corrente Iref
b) Vref "forza" una tensione costante tra GND/ADJ e Vout uguale a Vref (i due ingressi + e - dell'Op-Amp sono allo stesso potenziale)
c) ai capi di Rs viene mantenuta costante la tensione (Vref)
d) poiche' la tensione ai capi di Rs e' costante allora anche la corrente Irs che ci circola e' costante
e) la corrente di uscita Iout = Irs + Iref (entrambe costanti) - Iref e' generalmente trascurabile rispetto a Irs

Da notare che il circuito funziona se Vcompl(iance) e' > Vref + (Vin-Vout)min
In cui
(Vin-Vout)min e' specificato dal costruttore del regolatore.
Per minimizzare Vcompl conviene utilizzare un regulatore con la Vref minima possibile (es LM317 che ha una Vref 1.25V)
Quali sono i tuoi dubbi sul funzionamento del circuito della ST?