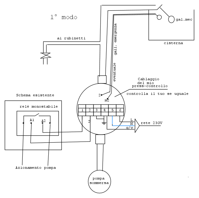
Secondo me il ponticello tra il morsetto 2 e 5 non ci serve. Alla richiesta di acqua l’avvio della pompa avviene per mezzo di un relè interno (solo un contatto) che chiude tra il morsetto 6 con 1.
Il press-controllo non andrebbe inserito nella mandata della pompa?.
Scusate, se le linee del mio schema non sono perfettamente verticali.
Per inserire il collegamento del gall. di emergenza: devi scollegare il filo dal morsetto 2 e collegarlo col filo 2 del gall. il filo m2 del gall. lo colleghi al morsetto 2 del press-control così hai effettuato la serie col motore.
Collegamento galleggiante su pulsante: è fattibile?
Moderatori:
SandroCalligaro,
mario_maggi,
fpalone
0
voti
Ciao Stefano. Grazie mille per il tuo contributo e per la pazienza nel disegnare 
Però... Il press control ormai è stato posizionato vicino il rubinetto. con il mio schema tutto funziona... Per il momento
Però... Il press control ormai è stato posizionato vicino il rubinetto. con il mio schema tutto funziona... Per il momento
-

rogergerry
0 3 - Messaggi: 28
- Iscritto il: 14 gen 2020, 10:19
0
voti
Un saluto a tutti ancora una volta.
riprendo questa discussione per un ulteriore dilemma da un milione di dollari
Adesso che finalmente abbiamo risolto ( e fatto funzionare) il tanto discusso impianto, vorrei porre la vostra attenzione sull'allegato.
C'è un ulteriore rubinetto, posto quasi vicino la pompa, dove, avevo pensato ad un ulteriore press control ma è praticamente impossibile raggiungere ed intercettare i fili dell'impianto appena messo su.
Dal basso della mia ignoranza, avevo pensato a 2 interruttori come in figura; ma... mi rendo conto che è davvero troppo rudimentale (non insultatemi
riprendo questa discussione per un ulteriore dilemma da un milione di dollari
Adesso che finalmente abbiamo risolto ( e fatto funzionare) il tanto discusso impianto, vorrei porre la vostra attenzione sull'allegato.
C'è un ulteriore rubinetto, posto quasi vicino la pompa, dove, avevo pensato ad un ulteriore press control ma è praticamente impossibile raggiungere ed intercettare i fili dell'impianto appena messo su.
Dal basso della mia ignoranza, avevo pensato a 2 interruttori come in figura; ma... mi rendo conto che è davvero troppo rudimentale (non insultatemi
-

rogergerry
0 3 - Messaggi: 28
- Iscritto il: 14 gen 2020, 10:19
0
voti
Mi sono appena accorto di non aver completato il testo del messaggio.
Scrivevo:
Dal basso della mia ignoranza, avevo pensato a 2 interruttori come in figura; ma... mi rendo conto che è davvero troppo rudimentale (non insultatemi
Scrivevo:
Dal basso della mia ignoranza, avevo pensato a 2 interruttori come in figura; ma... mi rendo conto che è davvero troppo rudimentale (non insultatemi
-

rogergerry
0 3 - Messaggi: 28
- Iscritto il: 14 gen 2020, 10:19
0
voti
Ben per quello il presscontrol lo si monta il più possibile vicino alla pompa, e in ogni caso prima di qualunque prelievo d'acqua.
A logica dovrebbe funzionare lo stesso senza modificare niente, probabilmente con un ritardo e un colpo d'ariete sia quando la pompa parte che quando chiudi il rubinetto (dipende dalla potenza/portata della pompa quanto colpo). Nella pratica puoi provare senza modificare nulla ad aprire l'ultimo rubinetto aggiunto e vedere se tutto funziona regolarmente lo stesso.
A logica dovrebbe funzionare lo stesso senza modificare niente, probabilmente con un ritardo e un colpo d'ariete sia quando la pompa parte che quando chiudi il rubinetto (dipende dalla potenza/portata della pompa quanto colpo). Nella pratica puoi provare senza modificare nulla ad aprire l'ultimo rubinetto aggiunto e vedere se tutto funziona regolarmente lo stesso.
-

DavideChinelli
110 2 5 - Frequentatore

- Messaggi: 185
- Iscritto il: 7 feb 2018, 13:39
0
voti
In ogni caso con gli interruttori in parallelo potrebbe funzionare solo nel caso in cui quello che azioni va a bypassare il presscontrol. In quel caso se malauguratamente te lo dimentichi con i contatti chiusi, il presscontrol non scatterebbe mai, finendo per bruciare la pompa.
Un interruttore non lo metterei in quel modo.
Piuttosto de durante la prova del messaggio precedente vedessi che non funziona, troverei il modo di spostare il presscontrol appena fuori dal pozzo, prima di qualunque rubinetto.
Comunque ho anche io un rubinetto prima del pressostato (io ho pressostato e polmone) e funziona tutto regolarmente. Anche se apro quel rubinetto la pompa parte e si arresta normalmente (sono andato a verificare adesso prima di rispondere). Nel mio caso però l'ho messo perché mi serve come spurgo per svuotare l'impianto prima dell'inverno (il pozzo lo uso solo per irrigare l'orto per ora) ed evitare rotture da formazione di ghiaccio.
Infatti ho il rubinetto, ma per non sbagliarmi ho tolto la leva di apertura. La posiziono solo a fine stagione per svuotare tutto e la tolgo a inizio stagione quando riempio nuovamente la cisterna e tutto l'impianto.
Un interruttore non lo metterei in quel modo.
Piuttosto de durante la prova del messaggio precedente vedessi che non funziona, troverei il modo di spostare il presscontrol appena fuori dal pozzo, prima di qualunque rubinetto.
Comunque ho anche io un rubinetto prima del pressostato (io ho pressostato e polmone) e funziona tutto regolarmente. Anche se apro quel rubinetto la pompa parte e si arresta normalmente (sono andato a verificare adesso prima di rispondere). Nel mio caso però l'ho messo perché mi serve come spurgo per svuotare l'impianto prima dell'inverno (il pozzo lo uso solo per irrigare l'orto per ora) ed evitare rotture da formazione di ghiaccio.
Infatti ho il rubinetto, ma per non sbagliarmi ho tolto la leva di apertura. La posiziono solo a fine stagione per svuotare tutto e la tolgo a inizio stagione quando riempio nuovamente la cisterna e tutto l'impianto.
-

DavideChinelli
110 2 5 - Frequentatore

- Messaggi: 185
- Iscritto il: 7 feb 2018, 13:39
Chi c’è in linea
Visitano il forum: Nessuno e 7 ospiti

Elettrotecnica e non solo (admin)
Un gatto tra gli elettroni (IsidoroKZ)
Esperienza e simulazioni (g.schgor)
Moleskine di un idraulico (RenzoDF)
Il Blog di ElectroYou (webmaster)
Idee microcontrollate (TardoFreak)
PICcoli grandi PICMicro (Paolino)
Il blog elettrico di carloc (carloc)
DirtEYblooog (dirtydeeds)
Di tutto... un po' (jordan20)
AK47 (lillo)
Esperienze elettroniche (marco438)
Telecomunicazioni musicali (clavicordo)
Automazione ed Elettronica (gustavo)
Direttive per la sicurezza (ErnestoCappelletti)
EYnfo dall'Alaska (mir)
Apriamo il quadro! (attilio)
H7-25 (asdf)
Passione Elettrica (massimob)
Elettroni a spasso (guidob)
Bloguerra (guerra)


