Ecco qua un altro esercizio su cui sto lavorando. Scusate la grande quantità di post ma l'elettrotecnica (Thevenin) per me è molto ardua e voglio esercitarmi quanto più possibile.
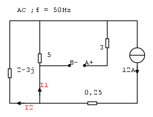
Lo schema su cui sto lavorando è questo
dove viene richiesto il calcolo della Tensione impressa e della Resistenza equivalente.
Per la resistenza equivalente ho eliminato il GC e collegato ad A e B un GC a corrente impressa I.
Poi mi blocco purtroppo.
Thevenin in AC
Moderatori:
g.schgor,
IsidoroKZ
25 messaggi
• Pagina 1 di 3 • 1, 2, 3
0
voti
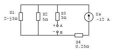
Se ho capito bene l'obbiettivo è ricavare l'equivalente di Thévenin del componente composto visto dai morsetti A B del circuito dato.
Ipotizzo che i valori riportati sullo schema siano riferiti alle impedenze e non alle ammettenze (non è scontato) e mi permetto di assegnare dei nomi alle variabili in modo da facilitare la trattazione.
per completezza riporto il fasore associato alla corrente del generatore e la frequenza a cui si sta lavorando


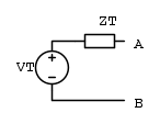
Circuito equivalente:
Il primo passo che stavi affrontando è il calcolo dell'impedenza del circuito equivalente di Thévenin e hai riportato lo schema corretto.
Per il calcolo della
, trattandosi di un circuito semplice (senza sorgenti pilotate ecc) si può ricavare direttamente per composizione serie-parallelo delle impedenze:
in serie al parallelo di
e
, oppure come da te proposto utilizzando un generatore ausiliario di corrente (o tensione) per poi calcolare la tensione ai capi di questo (o la corrente erogata nel caso del generatore di tensione) in funzione della variabile del generatore ausiliario in modo da poter poi ricavare il valore dell'impendenza
mediante un semplice rapporto.
Il passo successivo consiste nel calcolare il fasore della tensione impressa dal generatore della sorgente di Thévenin
che corrisponde alla tensione a vuoto tra i morsetti A e B del circuito.
Ciao
Ipotizzo che i valori riportati sullo schema siano riferiti alle impedenze e non alle ammettenze (non è scontato) e mi permetto di assegnare dei nomi alle variabili in modo da facilitare la trattazione.
per completezza riporto il fasore associato alla corrente del generatore e la frequenza a cui si sta lavorando


Circuito equivalente:
Il primo passo che stavi affrontando è il calcolo dell'impedenza del circuito equivalente di Thévenin e hai riportato lo schema corretto.
Per il calcolo della
, trattandosi di un circuito semplice (senza sorgenti pilotate ecc) si può ricavare direttamente per composizione serie-parallelo delle impedenze:
in serie al parallelo di
e
, oppure come da te proposto utilizzando un generatore ausiliario di corrente (o tensione) per poi calcolare la tensione ai capi di questo (o la corrente erogata nel caso del generatore di tensione) in funzione della variabile del generatore ausiliario in modo da poter poi ricavare il valore dell'impendenza
mediante un semplice rapporto.Il passo successivo consiste nel calcolare il fasore della tensione impressa dal generatore della sorgente di Thévenin
che corrisponde alla tensione a vuoto tra i morsetti A e B del circuito.Ciao
0
voti
Ho provato a seguire il tuo procedimento e, a parte un mio errore di segno nella prima impedenza , infatti è 2+3j, risulta una Z=4.98+1.29j.
Mi viene chiesta la resistenza equivalente e la reattanza equivalente che corrispondono alla parte reale ed immaginaria dell'impedenza.
Questi due valori non combaciano con quelli della soluzione cioè 0,24 Ohm, e 2.8 mOhm ()ed erano infatti i risultati a chi ero arrivato anche io)
Mi viene chiesta la resistenza equivalente e la reattanza equivalente che corrispondono alla parte reale ed immaginaria dell'impedenza.
Questi due valori non combaciano con quelli della soluzione cioè 0,24 Ohm, e 2.8 mOhm ()ed erano infatti i risultati a chi ero arrivato anche io)
0
voti
IlGuru ha scritto:Ecco spiegato il motivo.
Così a me viene
dove sbaglio?
0
voti
Se spegni il generatore di corrente e metti un generatore di prova tra A e B, i due rami a sinistra sono in parallelo tra di loro, questo parallelo in serie al ramo di destra ed il tutto in parallelo con la conduttanza da 4S. Il circuito che hai disegnato all'inizio è diverso.

1
voti
Lo schema elettrico è ambiguo, mal disegnato !:
La R da 3 ohm è in parallelo al generatore di corrente
oppure è in serie al morsetto A
?
Un pallino sull'incrocio e in tutte le diramazioni toglierebbe l'ambiguità !!!
La R da 3 ohm è in parallelo al generatore di corrente
oppure è in serie al morsetto A
?
Un pallino sull'incrocio e in tutte le diramazioni toglierebbe l'ambiguità !!!
1
voti
[10] Re: Thevenin in AC

25 messaggi
• Pagina 1 di 3 • 1, 2, 3
Torna a Elettrotecnica generale
Chi c’è in linea
Visitano il forum: Google Adsense [Bot] e 28 ospiti

Elettrotecnica e non solo (admin)
Un gatto tra gli elettroni (IsidoroKZ)
Esperienza e simulazioni (g.schgor)
Moleskine di un idraulico (RenzoDF)
Il Blog di ElectroYou (webmaster)
Idee microcontrollate (TardoFreak)
PICcoli grandi PICMicro (Paolino)
Il blog elettrico di carloc (carloc)
DirtEYblooog (dirtydeeds)
Di tutto... un po' (jordan20)
AK47 (lillo)
Esperienze elettroniche (marco438)
Telecomunicazioni musicali (clavicordo)
Automazione ed Elettronica (gustavo)
Direttive per la sicurezza (ErnestoCappelletti)
EYnfo dall'Alaska (mir)
Apriamo il quadro! (attilio)
H7-25 (asdf)
Passione Elettrica (massimob)
Elettroni a spasso (guidob)
Bloguerra (guerra)












