da monofase a trifase
Moderatori:
SandroCalligaro,
mario_maggi,
fpalone
2 messaggi
• Pagina 1 di 1
0
voti
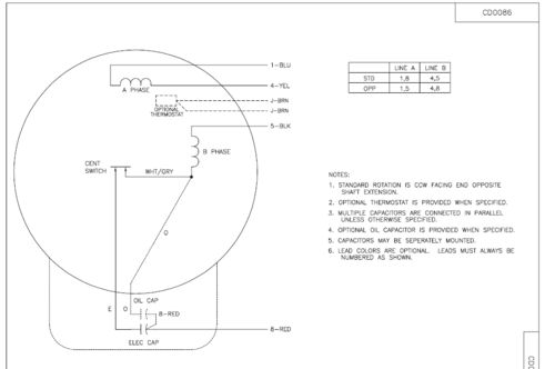
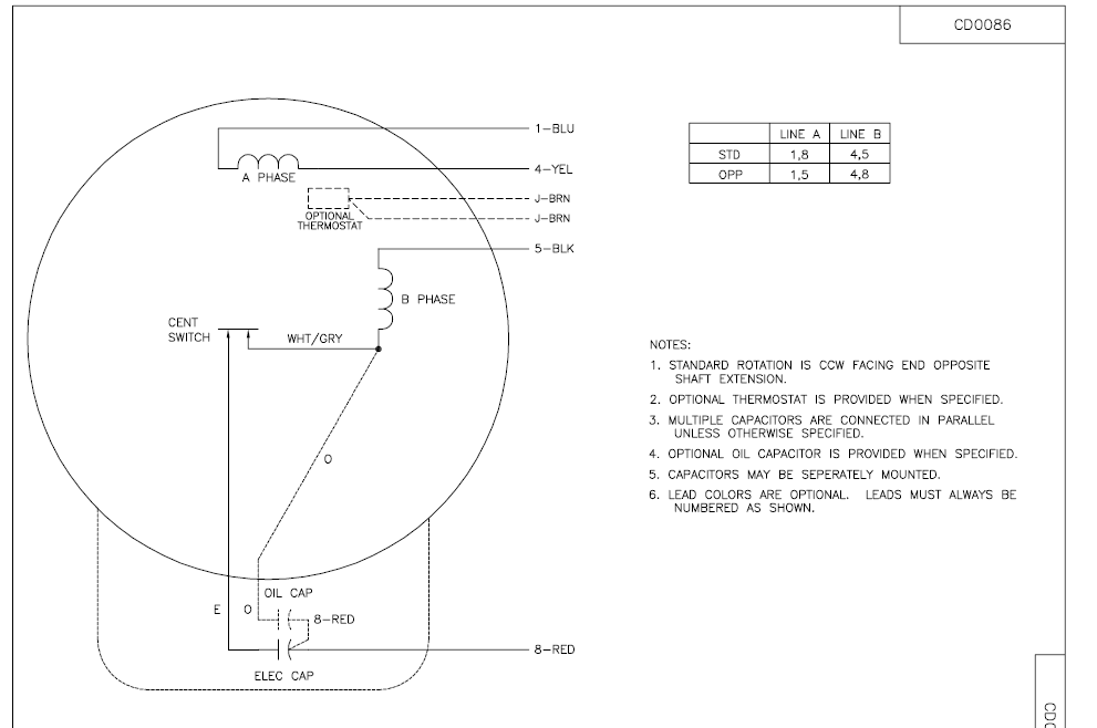
buongiorno,ho un motore monofase industriale da 10hp che lavora con dei condensatori e un interruttore centrifugo,è possibile utilizzarlo collegandolo in trifase?mi spiego meglio...eliminando i condensatori e collegando al loro posto un'altra fase con neutro ??allego schema grazie
2
voti
buonasera vi informo che il collegamento che avevo supposto ha funzionato...ho anche collegato l'altra fase al circuito di controllo del quadro,funziona a meraviglia.spero che sia utile a qualcuno magari farò un piccolo articolo su questa tipologia di modifica di circuito di alimentazione,grazie
2 messaggi
• Pagina 1 di 1
Chi c’è in linea
Visitano il forum: Nessuno e 16 ospiti

Elettrotecnica e non solo (admin)
Un gatto tra gli elettroni (IsidoroKZ)
Esperienza e simulazioni (g.schgor)
Moleskine di un idraulico (RenzoDF)
Il Blog di ElectroYou (webmaster)
Idee microcontrollate (TardoFreak)
PICcoli grandi PICMicro (Paolino)
Il blog elettrico di carloc (carloc)
DirtEYblooog (dirtydeeds)
Di tutto... un po' (jordan20)
AK47 (lillo)
Esperienze elettroniche (marco438)
Telecomunicazioni musicali (clavicordo)
Automazione ed Elettronica (gustavo)
Direttive per la sicurezza (ErnestoCappelletti)
EYnfo dall'Alaska (mir)
Apriamo il quadro! (attilio)
H7-25 (asdf)
Passione Elettrica (massimob)
Elettroni a spasso (guidob)
Bloguerra (guerra)
