Grazie per gli interventi.
Ho preso quei modulini su Amazon, vediamo come si comportano quando li installerò, eventualmente aggiornerò il thread.
Vorrei chiedere a margine un'informazione riguardo all'isolamento di una tratta del circuito che alimenta i sensori.
In pratica ho un sensore pir pet-immune (di quelli cui dovrei anteporre lo step down) installato sul pianerottolo di ingresso; mi è venuto da chiedermi cosa accadrebbe se per un qualunque motivo non azionasse l'antifurto in occasione del movimento di un malintenzionato e questo tranciasse poi i suoi cavi mettendo in corto il circuito di alimentazione dei sensori.
Perché finché ogni sensore aveva le sue pile, l'accesso ad uno di essi al limite riusciva a bypassarlo mantenendo in funzione tutti gli altri. Ora che l'alimentazione è centralizzata la manomissione di uno potrebbe compromettere il funzionamento di tutti gli altri.
Sarebbe perciò possibile isolare la tratta che scende dal sottotetto verso il pir esterno in occasione di cortocircuito?
Calcolare resistenza per sensore volumetrico
Moderatori:
g.schgor,
IsidoroKZ
20 messaggi
• Pagina 2 di 2 • 1, 2
0
voti
0
voti
Specifico che i pir assorbono in allarme 20mA, i sensori porte-finestre 15mA.
Un fusibile sarebbe appropriato? Eventualmente sovradimensionato di quanto?
Grazie
Un fusibile sarebbe appropriato? Eventualmente sovradimensionato di quanto?
Grazie
0
voti
In linea di principio è possibile, ma un sistema d'allarme degno di questo nome dovrebbe riconoscere questo tipo di manomissione ed andare in allarme.
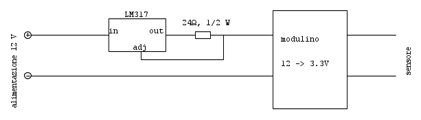
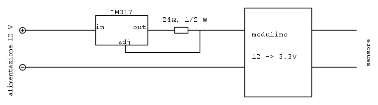
Se proprio vuoi "isolare", invece del fusibile è molto meglio prendere una sorgente di corrente costante tarata a 50 mA.
Questo è un circuito classico (l'LM317 dissipa 0.6 W in caso di cortocircuito in uscita, metterci un piccolo dissipatore sarebbe una buona idea).
Boiler
Se proprio vuoi "isolare", invece del fusibile è molto meglio prendere una sorgente di corrente costante tarata a 50 mA.
Questo è un circuito classico (l'LM317 dissipa 0.6 W in caso di cortocircuito in uscita, metterci un piccolo dissipatore sarebbe una buona idea).
Boiler
0
voti
boiler ha scritto:un sistema d'allarme degno di questo nome dovrebbe riconoscere questo tipo di manomissione ed andare in allarme.
La centralina può riconoscere il tranciamento del cavo se i fili di alimentazione viaggiano insieme con il filo antisabotaggio, che se interrotto provoca l'allarme. Fanno eccezione le sirene esterne, che hanno una batteria a bordo, e che entrano in allarme autonomamente quando manca l'alimentazione elettrica.
stefo85 ha scritto:mi è venuto da chiedermi cosa accadrebbe se per un qualunque motivo non azionasse l'antifurto in occasione del movimento di un malintenzionato e questo tranciasse poi i suoi cavi mettendo in corto il circuito di alimentazione dei sensori.
Solitamente i fili di alimentazione dei dispositivi sono molto sottili e di notevole lunghezza, per cui un eventuale cortocircuito alle estremità dei fili non farebbe alcun danno, a causa della resistenza complessiva dei circuito che limiterebbe la corrente a valori tollerabili. Tuttavia, in caso di eccessivo assorbimento interverrebbe uno dei fusibili in centrale, che però sono monitorati, per cui la centrale rileverebbe la situazione e darebbe la segnalazione di allarme per anomalia.
Naturalmente stiamo parlando di centrali "serie", mentre in quelle economiche le funzioni a cui ho accennato potrebbero non esistere affatto.
Big fan of ⋮ƎlectroYou
0
voti
Franco012 ha scritto:La centralina può riconoscere il tranciamento del cavo se i fili di alimentazione viaggiano insieme con il filo antisabotaggio, che se interrotto provoca l'allarme. Fanno eccezione le sirene esterne, che hanno una batteria a bordo, e che entrano in allarme autonomamente quando manca l'alimentazione elettrica
I sistemi che conosco io (ma sono roba forse un po' piú sofisticata) hanno due linee tra sensore e centralina: una "normalmente chiusa" e una "normalmente aperta". In questo modo la centralina vede i seguenti segnali:
- Codice: Seleziona tutto
Stato NC NO
====================
Normale 1 0
Allarme 0 1
Sabotaggio 0 0
Ci sarebbe anche lo stato "1 1" che non è riconducibile ad un'azione chiara, ma ovviamente causa allarme anche lui.
Boiler
0
voti
boiler ha scritto:I sistemi che conosco io (ma sono roba forse un po' piú sofisticata) hanno due linee tra sensore e centralina
Si può fare anche di meglio. Giusto per curiosità, le centrali che supportano le linee a doppio bilanciamento sono in grado, con solo quattro fili (2 per l'alimentazione e 2 per i segnali) di rilevare sia lo stato di allarme che il sabotaggio di uno specifico sensore:
In figura, il collegamento con un sensore che ha i contatti d'allarme normalmente chiusi (indicati con "N. C.") e i contatti per il sabotaggio pure normalmente chiusi (indicati con "A. S.").
Big fan of ⋮ƎlectroYou
0
voti
boiler ha scritto:In linea di principio è possibile, ma un sistema d'allarme degno di questo nome dovrebbe riconoscere questo tipo di manomissione ed andare in allarme.
Se proprio vuoi "isolare", invece del fusibile è molto meglio prendere una sorgente di corrente costante tarata a 50 mA.
Questo è un circuito classico (l'LM317 dissipa 0.6 W in caso di cortocircuito in uscita, metterci un piccolo dissipatore sarebbe una buona idea).
Boiler
C'è un vantaggio nell'usare questo sistema rispetto al fusibile?
Siccome potrei mettere nello stesso ramo del circuito più sensori in parallelo, dovrei installare l'LM317 a monte di ogni modulo 12v --> 3.3v oppure potrei anche posizionarlo all'inizio del ramo dimensionandolo in funzione degli assorbimenti totali in quel ramo?
Perché metterlo a monte di ogni sensore sarebbe problematico mentre all'inizio della tratta un attimo.
P.S. oggi ho installato 5 di quei moduli 3.3v di cui sopra, all'inizio tutto ok ma dopo un ricollegamento del trasformatore 12v che alimenta tutti i sensori un modulino 3.3v ha lasciato passare la tensione 12v (come se in pratica non ci fosse), bruciandomi così un pir. Esaminandolo col tester il modulino in questione s'è definitivamente piantato, il led di stato si accende ma lascia passare 12v. Ci potrebbe essere una spiegazione?
Grazie ancora
0
voti
stefo85 ha scritto:C'è un vantaggio nell'usare questo sistema rispetto al fusibile?
Si ripristina da solo al momento della cessazione del cortocircuito, non dopo una settimana, quando tu torni dalle ferie, te ne accorgi e trovi il tempo di andare a comprare un fusibile di ricambio.
Siccome potrei mettere nello stesso ramo del circuito più sensori in parallelo, dovrei installare l'LM317 a monte di ogni modulo 12v --> 3.3v oppure potrei anche posizionarlo all'inizio del ramo dimensionandolo in funzione degli assorbimenti totali in quel ramo?
Puoi fare anche così, ma perdi l'"isolazione". Un sabotaggio su uno dei sensori farà spegnere tutti quelli di quel ramo.
all'inizio tutto ok ma dopo un ricollegamento del trasformatore 12v [...] Ci potrebbe essere una spiegazione?
C'è di sicuro, ma senza la palla di cristallo è difficile fare una diagnosi.
Posta marca e modello di questo "trasformatore".
Boiler
0
voti
Ok ragazzi, piano piano sono riuscito a completare il progetto seguendo i vostri consigli, per quanto riguarda il modulino 3.3v che mi ha bruciato il pir specifico che è stato un caso isolato, non ho più avuto problemi del genere e sono ormai diversi giorni che ho il tutto a regime.
Ho invece notato che occasionalmente alcuni sensori inviano alla centrale la segnalazione Low Voltage, come quando le pile si stavano scaricando prima che cablassi l'impianto.
I sensori sono alimentati da un trasformatore cineseria 12v 1a, potrebbe dipendere da quello? Dovrebbe avere un raddrizzatore integrato per emulare il funzionamento delle pile? Dovrei comunque cambiarlo perché mi serve per altri progetti, me ne consigliereste uno appropriato?
Se riesco proverò nei prossimi giorni a sostituire temporaneamente il trasformatore con una batteria al piombo 12v 7.2a si cui dispongo per vedere se le segnalazioni perdurano.
Grazie
Ho invece notato che occasionalmente alcuni sensori inviano alla centrale la segnalazione Low Voltage, come quando le pile si stavano scaricando prima che cablassi l'impianto.
I sensori sono alimentati da un trasformatore cineseria 12v 1a, potrebbe dipendere da quello? Dovrebbe avere un raddrizzatore integrato per emulare il funzionamento delle pile? Dovrei comunque cambiarlo perché mi serve per altri progetti, me ne consigliereste uno appropriato?
Se riesco proverò nei prossimi giorni a sostituire temporaneamente il trasformatore con una batteria al piombo 12v 7.2a si cui dispongo per vedere se le segnalazioni perdurano.
Grazie
0
voti
Ho provato a collegare la batteria all'impianto di alimentazione dei sensori, ma ho comunque una segnalazione di bassa tensione quasi sempre da un sensore collegato alla persiana, da un ramo in cui è posto in parallelo con uno uguale posto sulla finestra.
In pratica quando apro la persiana nessun problema, quando però apro la finestra vedo lampeggiare quello sulla persiana, cioè inviare la segnalazione low voltage alla centrale. Specifico che ho altre 3 configurazioni identica a questa (sensore magnetico su finestra in parallelo con quello su persiana, sullo stesso ramo del circuito di alimentazione) ma gli altri non danno problemi.
In pratica quando apro la persiana nessun problema, quando però apro la finestra vedo lampeggiare quello sulla persiana, cioè inviare la segnalazione low voltage alla centrale. Specifico che ho altre 3 configurazioni identica a questa (sensore magnetico su finestra in parallelo con quello su persiana, sullo stesso ramo del circuito di alimentazione) ma gli altri non danno problemi.
20 messaggi
• Pagina 2 di 2 • 1, 2
Torna a Elettrotecnica generale
Chi c’è in linea
Visitano il forum: Nessuno e 140 ospiti

Elettrotecnica e non solo (admin)
Un gatto tra gli elettroni (IsidoroKZ)
Esperienza e simulazioni (g.schgor)
Moleskine di un idraulico (RenzoDF)
Il Blog di ElectroYou (webmaster)
Idee microcontrollate (TardoFreak)
PICcoli grandi PICMicro (Paolino)
Il blog elettrico di carloc (carloc)
DirtEYblooog (dirtydeeds)
Di tutto... un po' (jordan20)
AK47 (lillo)
Esperienze elettroniche (marco438)
Telecomunicazioni musicali (clavicordo)
Automazione ed Elettronica (gustavo)
Direttive per la sicurezza (ErnestoCappelletti)
EYnfo dall'Alaska (mir)
Apriamo il quadro! (attilio)
H7-25 (asdf)
Passione Elettrica (massimob)
Elettroni a spasso (guidob)
Bloguerra (guerra)




