Non so se sia una questione di "scuole di pensiero", ma in genere ho sempre interpretato il cablaggio del pulsante di stop alla pari di quello di emergenza, ovvero del tipo N.C.
Usando un N.O. potrebbe configurarsi una situazione in cui l'interruzione dell'alimentazione di detto pulsante (per esempio per sfilaggio dai morsetti o per rottura del cavo che lo connette al PLC) lo renderebbe inefficace per l'invio del segnale al PLC (il circuito rimarrebbe comunque aperto).
A ben vedere, del resto, il principio di funzionamento è lo stesso di un contatto di relè termico: il suo intervento/azionamento APRE il circuito (in questo caso, tanto di potenza quanto di segnale).
Studio PLC
Moderatori:
g.schgor,
IsidoroKZ
0
voti
[51] Re: Studio PLC
Sebastiano
________________________________________________________________
"Eo bos issettaìa, avanzade e non timedas / sas ben'ennidas siedas, rundinas, a domo mia" (P. Mossa)
________________________________________________________________
"Eo bos issettaìa, avanzade e non timedas / sas ben'ennidas siedas, rundinas, a domo mia" (P. Mossa)
0
voti
[52] Re: Studio PLC
Dal punto di vista impiantistico hai ragione ma qui
(e l'ho spiegato nel post[47]), siamo alle prime nozioni
della programmazione del PLC e la figura del coso citato
mi sembra la più adatta a spiegare il concetto dell'autoritenuta.
Se arriveremo a parlare di impianti, vedremo anche
l'aspetto della sicurezza.
(e l'ho spiegato nel post[47]), siamo alle prime nozioni
della programmazione del PLC e la figura del coso citato
mi sembra la più adatta a spiegare il concetto dell'autoritenuta.
Se arriveremo a parlare di impianti, vedremo anche
l'aspetto della sicurezza.
0
voti
[53] Re: Studio PLC
certo, ma la situazione è questa:sebago ha scritto:Non so se sia (...)
inoltre, stabilire quali concetti siano ancora sconosciuti o poco chiari, via forum, non è immediato.g.schgor ha scritto:(...) siamo alle prime nozioni (...)
Magari si prosegue per scoprire dopo che nozioni ritenute scontate o acquisite non lo sono.
Una di queste, ad esempio, potrebbe essere proprio l'associazione tra lo stato logico(0 o 1) di un ingresso o di una variabile software e il simbolo del contatto rappresentato in modo diretto o negato, nonché l'interpretazione adeguata in un programma.
Vedremo.
Saluti
W - U.H.F.
-

WALTERmwp
30,2k 4 8 13 - G.Master EY

- Messaggi: 8990
- Iscritto il: 17 lug 2010, 18:42
- Località: le 4 del mattino
0
voti
[54] Re: Studio PLC
Come si potrebbe programmare il PLC per lo stesso funzionamento
utilizzando come ingressi due interruttori normali?
Allora, innanzitutto vediamo se ho capito correttamente il quesito dell'esercizio proposto.
In poche parole dovrei accendere una lampada da due punti diversi, ad esempio, di una stanza.
Se la lampada viene accesa dall'interruttore posta in un punto, dall'altro interruttore di conseguenza dovrei spegnere la lampada e viceversa.
Corretto?
0
voti
[55] Re: Studio PLC
Guarda il circuito dei deviatori:
lo stato della lampada (accesa O spenta)
può essere cambiato agendo o su D1 o su D2.
Quello che devi fare è riprodurre lo stesso schema
con i contatti (virtuali, di tipo NO od NC) del PLC
associati rispettivamente a I1 e I2.
Attendo lo schema...
lo stato della lampada (accesa O spenta)
può essere cambiato agendo o su D1 o su D2.
Quello che devi fare è riprodurre lo stesso schema
con i contatti (virtuali, di tipo NO od NC) del PLC
associati rispettivamente a I1 e I2.
Attendo lo schema...
0
voti
[56] Re: Studio PLC
Attendo lo schema...
Di seguito lo schema, spero di aver compreso l'esercizio, se non dovesse essere corretto non credo di saper rappresentare in altri modi i Deviatori.
0
voti
[57] Re: Studio PLC
Pensavo tu avessi ormai capito la differenza fra interruttori e pulsanti:
mentre i pulsanti cambiano stato solo durante la loro attivazione (quindi
richiedono l'autoritebnuta per mantenere il comando), gli interruttori
rimangono nell'ultimo stato fino alla successiva attivazione.
Non c'è quindi bisogno né di autoritenuta né di Arresto.
Prova così:
ps Spero ti ricordi che col simulatore gli interruttori
vanno azionati col destro del mouse
mentre i pulsanti cambiano stato solo durante la loro attivazione (quindi
richiedono l'autoritebnuta per mantenere il comando), gli interruttori
rimangono nell'ultimo stato fino alla successiva attivazione.
Non c'è quindi bisogno né di autoritenuta né di Arresto.
Prova così:
ps Spero ti ricordi che col simulatore gli interruttori
vanno azionati col destro del mouse
0
voti
[58] Re: Studio PLC
Forse è come avevo ipotizzato in [53], non è mica un problema.
Facciamo così, se anche
g.schgor è d'accordo, proviamo a fermarci un momento.
Sempre tenendo presente il "rack" che ho disegnato in [35](magari riportalo sulla carta), osservando il disegno che segue, se il pezzo di programma scritto è rappresentato dal segmento(0 zero), quando il plc viene messo in funzione e i due pulsanti vengono premuti contemporaneamente e mantenuti chiusi(I1 e I2 passano così dallo stato logico zero allo stato logico uno in quanto la tensione di 24Vcc viene rilevata ai morsetti), secondo te, qual è tra le tre soluzioni(1, 2 , 3) proposte quella corretta ?
Prova e facci sapere, poi comunque sia cerchiamo di eliminare i dubbi sull'interpretazione da dare ai simboli grafici che rappresentano gli stati degli ingressi(e quindi di ciò che vi è collegato, in tal caso dei pulsanti) e la condizione che assumono in funzione delle relative variazioni.
Saluti
Facciamo così, se anche
Sempre tenendo presente il "rack" che ho disegnato in [35](magari riportalo sulla carta), osservando il disegno che segue, se il pezzo di programma scritto è rappresentato dal segmento(0 zero), quando il plc viene messo in funzione e i due pulsanti vengono premuti contemporaneamente e mantenuti chiusi(I1 e I2 passano così dallo stato logico zero allo stato logico uno in quanto la tensione di 24Vcc viene rilevata ai morsetti), secondo te, qual è tra le tre soluzioni(1, 2 , 3) proposte quella corretta ?
Prova e facci sapere, poi comunque sia cerchiamo di eliminare i dubbi sull'interpretazione da dare ai simboli grafici che rappresentano gli stati degli ingressi(e quindi di ciò che vi è collegato, in tal caso dei pulsanti) e la condizione che assumono in funzione delle relative variazioni.
Saluti
W - U.H.F.
-

WALTERmwp
30,2k 4 8 13 - G.Master EY

- Messaggi: 8990
- Iscritto il: 17 lug 2010, 18:42
- Località: le 4 del mattino
0
voti
[59] Re: Studio PLC
secondo te, qual è tra le tre soluzioni(1, 2 , 3) proposte quella corretta ?
Allora, in riferimento al Rack disegnato nel Post (35) se premo entrambi i pulsanti I1 e
Ultima modifica di
WALTERmwp il 26 feb 2020, 1:12, modificato 1 volta in totale.
Motivazione: Corretto riferimento ingresso
Motivazione: Corretto riferimento ingresso
0
voti
[60] Re: Studio PLC
Io ti avevo chiesto
A scanso di equivoci provo a spiegarmi poi ci dici se la cosa ti era già chiara o meno.
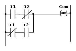
Osservando il segmento zero, il primo simbolo è un contatto normalmente aperto, n.a., il che significa dare una rappresentazione diretta dello stato dell'ingresso a lui associato, mentre il secondo è un contatto normalmente chiuso, n.c., il che significa dare una rappresentazione negata dello stato dell'ingresso a lui associato.
il primo simbolo è il tipo di simbolo che replica lo stato logico dell'ingresso, così com'è: se il pulsante non viene chiuso il simbolo non si attiva(non si colora di verde), se il pulsante viene chiuso il simbolo si attiva(si colora di verde).
il secondo simbolo si comporta al contrario rispetto al primo: se il pulsante non viene chiuso il simbolo si attiva(si colora di verde), se il pulsante viene chiuso il simbolo si disattiva(non si colora di verde).
Quindi, tenendo premuti tutti e due i pulsanti, attiviamo il primo simbolo ma non il secondo per cui avendone solo uno attivo il simbolo "Out", che poi è associato all'uscita, non può essere attivato quindi non viene rappresentato con la scritta "on".
Per quanto sopra scritto, invece, per poter attivare l'uscita(riuscire ad avere "on") e quindi trovarci nella situazione numero 1, basta tenere premuto solo il pulsante I1, cioè quello associato al primo simbolo.
Non so se sono stato chiaro ma si tratta proprio, e solo, di una questione di rappresentazione dello stato di un ingresso in funzione del simbolo ad esso associato.
Pensaci, se c'è qualcosa che non ti convince chiedi pure.
Saluti
forse non mi sono espresso in modo chiaro ma intendevo: qual è tra le tre situazioni proposte(1, 2, 3) quella che si verifica nel momento in cui vengono tenuti premuti i due pulsanti.WALTERmwp ha scritto:(...) secondo te, qual è tra le tre soluzioni(1, 2 , 3) proposte quella corretta ? (...)
se con I1 e I3 ti riferisci ai simboli a loro associati, va bene, ma la risposta corretta è la 2, di conseguenza non si attiva l'uscita.xXMarcoXx ha scritto:(...) Quindi I1 che precedentemente aveva stato logico normalmente aperto diventa chiuso, mentre I3 che aveva precedentemente stato logico normalmente chiuso diventa aperto (...)
A scanso di equivoci provo a spiegarmi poi ci dici se la cosa ti era già chiara o meno.
Osservando il segmento zero, il primo simbolo è un contatto normalmente aperto, n.a., il che significa dare una rappresentazione diretta dello stato dell'ingresso a lui associato, mentre il secondo è un contatto normalmente chiuso, n.c., il che significa dare una rappresentazione negata dello stato dell'ingresso a lui associato.
il primo simbolo è il tipo di simbolo che replica lo stato logico dell'ingresso, così com'è: se il pulsante non viene chiuso il simbolo non si attiva(non si colora di verde), se il pulsante viene chiuso il simbolo si attiva(si colora di verde).
il secondo simbolo si comporta al contrario rispetto al primo: se il pulsante non viene chiuso il simbolo si attiva(si colora di verde), se il pulsante viene chiuso il simbolo si disattiva(non si colora di verde).
Quindi, tenendo premuti tutti e due i pulsanti, attiviamo il primo simbolo ma non il secondo per cui avendone solo uno attivo il simbolo "Out", che poi è associato all'uscita, non può essere attivato quindi non viene rappresentato con la scritta "on".
Per quanto sopra scritto, invece, per poter attivare l'uscita(riuscire ad avere "on") e quindi trovarci nella situazione numero 1, basta tenere premuto solo il pulsante I1, cioè quello associato al primo simbolo.
Non so se sono stato chiaro ma si tratta proprio, e solo, di una questione di rappresentazione dello stato di un ingresso in funzione del simbolo ad esso associato.
Pensaci, se c'è qualcosa che non ti convince chiedi pure.
Saluti
W - U.H.F.
-

WALTERmwp
30,2k 4 8 13 - G.Master EY

- Messaggi: 8990
- Iscritto il: 17 lug 2010, 18:42
- Località: le 4 del mattino
Torna a Elettrotecnica generale
Chi c’è in linea
Visitano il forum: Nessuno e 25 ospiti

Elettrotecnica e non solo (admin)
Un gatto tra gli elettroni (IsidoroKZ)
Esperienza e simulazioni (g.schgor)
Moleskine di un idraulico (RenzoDF)
Il Blog di ElectroYou (webmaster)
Idee microcontrollate (TardoFreak)
PICcoli grandi PICMicro (Paolino)
Il blog elettrico di carloc (carloc)
DirtEYblooog (dirtydeeds)
Di tutto... un po' (jordan20)
AK47 (lillo)
Esperienze elettroniche (marco438)
Telecomunicazioni musicali (clavicordo)
Automazione ed Elettronica (gustavo)
Direttive per la sicurezza (ErnestoCappelletti)
EYnfo dall'Alaska (mir)
Apriamo il quadro! (attilio)
H7-25 (asdf)
Passione Elettrica (massimob)
Elettroni a spasso (guidob)
Bloguerra (guerra)



