Ciao a tutti.
Ho un problema con un circuito.
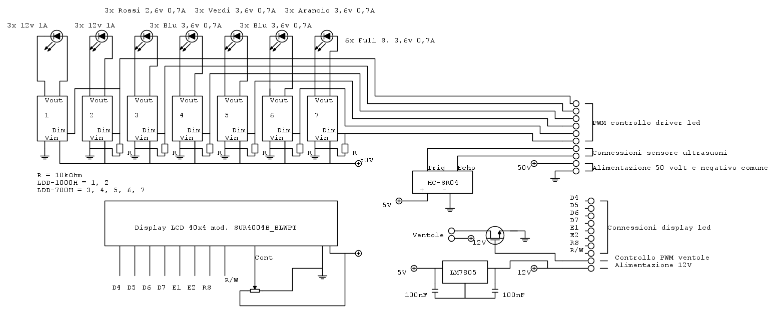
Il circuito riguarda un progetto per una plafoniera a led.
Il 50 volt che vedete nello spinotto, viene interrotto da un relé controllato da Arduino, per togliere l'alimentazione ai led quando non é necessaria.
Il problema lo trovo con il display 40x4:
Nel momento in cui, da codice, attivo il relé e arriva tensione ai driver, il display si "resetta", nel senso che cancella completamente ció che c'era scritto, e si evidenziano i quadratini che formano i caratteri, come se fosse scollegato.
Tutto il resto, peró, continua a funzionare, e il codice non si blocca in alcun modo, né tanto meno Arduino.
Eliminando il relé ed alimentando prima i led, e poi tutto il resto, il problema non si pone.
Se al posto del relé ci sono io a fare la connessione noto che, al momento della connessione, si crea una scintilla notevole, nonostante i driver siano spenti (resistenze di pulldown) e il PWM sia a 0 per tutti e 7 i driver.
Cosa puó essere?
Nel caso servisse, la libreria che utilizzo per il display é la "LiquidCrystalFast".
Ho l'impressione che la colpa derivi dalla scintilla che si crea al collegamento dei 50 volt, ma non ne sono assolutamente certo.
"Azzeramento" casuale display lcd
Moderatori:
carloc,
g.schgor,
BrunoValente,
IsidoroKZ
0
voti
Il dubbio sulla robustezza del codice penso vada in secondo piano e per quanto ovvio, dalla descrizione che ne fai, mi pare ci sia proprio un pasticcio sulle alimentazioni: è probabile, ma non so, che il software sia a posto.
Tu denunci quello che vedi(il display) ma probabilmente accade altro e non te ne accorgi.
Allora, sui 50 V non mi esprimo, ma credo avrebbe senso almeno provare a separare le alimentazioni e i riferimenti di zero.
Saluti
Tu denunci quello che vedi(il display) ma probabilmente accade altro e non te ne accorgi.
Allora, sui 50 V non mi esprimo, ma credo avrebbe senso almeno provare a separare le alimentazioni e i riferimenti di zero.
Saluti
W - U.H.F.
-

WALTERmwp
30,2k 4 8 13 - G.Master EY

- Messaggi: 8986
- Iscritto il: 17 lug 2010, 18:42
- Località: le 4 del mattino
0
voti
WALTERmwp ha scritto:Il dubbio sulla robustezza del codice penso vada in secondo piano e per quanto ovvio, dalla descrizione che ne fai, mi pare ci sia proprio un pasticcio sulle alimentazioni: è probabile, ma non so, che il software sia a posto.
Tu denunci quello che vedi(il display) ma probabilmente accade altro e non te ne accorgi.
Allora, sui 50 V non mi esprimo, ma credo avrebbe senso almeno provare a separare le alimentazioni e i riferimenti di zero.
Saluti
Quindi te proporresti di separare completamente la 50 volt, e quindi avere due negativi al posto di uno solo in comune? Se sí, dubito che sia possibile: il PWM che controlla i driver penso che debba avere un riferimento comune con Arduino, no?
0
voti
WALTERmwp ha scritto:perché ?AleEl ha scritto:(...) il PWM che controlla i driver penso che debba avere un riferimento comune con Arduino, no?
Saluti
Se separo i negativi, gli impulsi del PWM di Arduino, da che riferimento li legge? È una domanda, magari mi sbaglio io
0
voti
Puoi procedere con metodo verificando cosa accade ai livelli di tensione durante le commutazioni (per esempio monitorando con un oscilloscopio) o approcci la questione in modo drastico separando le alimentazioni; per questo potresti magari ricorrere a degli optoisolatori in grado di mantenere l'allineamento con l'onda del PWM.
Saluti
Saluti
W - U.H.F.
-

WALTERmwp
30,2k 4 8 13 - G.Master EY

- Messaggi: 8986
- Iscritto il: 17 lug 2010, 18:42
- Località: le 4 del mattino
0
voti
La scintilla che vedo io, facendo manualmente il contatto, sará la stessa scintilla che viene fatta quando si attiva il relé...
Come posso evitarla la scintilla?
0
voti
Bisognerebbe vedere anche il layout del circuito. Come e dove scorrono i fili delle alimentazioni
Comunque l'Arduino è sensibilissimo ai disturbi elettromagnetici e il comando di un relé, essendo un carico induttivo, non aiuta. Il fatto che riguardi il display (con Arduino che sembra funzionare correttamente) non so spiegarlo. A fronte di un disturbo qualunque l'Arduino si resetta e riparte istantaneamente. Attiva una trappola sul programma con stampa su serial Monitor in caso di esecuzione del setup().
La raccomandazione è disaccoppiare le alimentazioni attraverso l'uso di DUE alimentatori differenti. Il comando del PWM è meglio avvenga attraverso optoisolatori, piuttosto che collegando insieme le masse.
Ciao,
P.
Comunque l'Arduino è sensibilissimo ai disturbi elettromagnetici e il comando di un relé, essendo un carico induttivo, non aiuta. Il fatto che riguardi il display (con Arduino che sembra funzionare correttamente) non so spiegarlo. A fronte di un disturbo qualunque l'Arduino si resetta e riparte istantaneamente. Attiva una trappola sul programma con stampa su serial Monitor in caso di esecuzione del setup().
La raccomandazione è disaccoppiare le alimentazioni attraverso l'uso di DUE alimentatori differenti. Il comando del PWM è meglio avvenga attraverso optoisolatori, piuttosto che collegando insieme le masse.
Ciao,
P.
0
voti
Immagino che l'alimentazione non sia adeguata ma questo lo puoi indagare solo tu.
Se vuoi procedere per tentativi prova a proteggere Arduino e display, puoi sempre mettere qualche condensatore da 100 nF, al momento altro non saprei.
Saluti
Se vuoi procedere per tentativi prova a proteggere Arduino e display, puoi sempre mettere qualche condensatore da 100 nF, al momento altro non saprei.
Saluti
W - U.H.F.
-

WALTERmwp
30,2k 4 8 13 - G.Master EY

- Messaggi: 8986
- Iscritto il: 17 lug 2010, 18:42
- Località: le 4 del mattino
Chi c’è in linea
Visitano il forum: Nessuno e 240 ospiti

Elettrotecnica e non solo (admin)
Un gatto tra gli elettroni (IsidoroKZ)
Esperienza e simulazioni (g.schgor)
Moleskine di un idraulico (RenzoDF)
Il Blog di ElectroYou (webmaster)
Idee microcontrollate (TardoFreak)
PICcoli grandi PICMicro (Paolino)
Il blog elettrico di carloc (carloc)
DirtEYblooog (dirtydeeds)
Di tutto... un po' (jordan20)
AK47 (lillo)
Esperienze elettroniche (marco438)
Telecomunicazioni musicali (clavicordo)
Automazione ed Elettronica (gustavo)
Direttive per la sicurezza (ErnestoCappelletti)
EYnfo dall'Alaska (mir)
Apriamo il quadro! (attilio)
H7-25 (asdf)
Passione Elettrica (massimob)
Elettroni a spasso (guidob)
Bloguerra (guerra)



