Cos'è ElectroYou | Login Iscriviti

ElectroYou - la comunità dei professionisti del mondo elettrico

Consigli su miglioramento impianto

Progettazione, esercizio, manutenzione, sicurezza, leggi, normative...

Moderatori: Foto Utentesebago, Foto UtenteMASSIMO-G, Foto Utentelillo, Foto UtenteMike

0
voti

[11] Re: Consigli su miglioramento impianto

Messaggioda Foto UtenteAltorn » 6 mar 2020, 10:19

Proverò a passare il 4mmq anche tra TV e FRIGO cosi da tenere la linea il più possibile a 4mmq. Altrimenti son costretto dalla 503 del TV a tenere il 2,5mmq fino alla fine...
io proverei a lasciare la tv su linea separata per conto suo dalla scatola rotonda (al massimo ti risparmi la terra, ti morsetti al cavo del 4) cosi' tiri via un nodo alla filare e non si sa mai che riesci anche a mettere 2 tripolari anzichè una che per la tv fa comodo e poi farei la filare del 4 per la roba di cucina (a dire il vero anche il frigo un 1.5 basterebbe)

Potrei anche passare dalla cassettina generale un 1.5mmq dedicato alla presa TV.
PoI potrei provare a fare la filare del 4 se ci riesco diretta tra cassettina generale e frigo - morsetto - lavastoviglie- morsetto - forno.
Altrimenti son costretto a mantenere lo schema come sopra disegnato
Avatar utente
Foto UtenteAltorn
50 3 5
Stabilizzato
Stabilizzato
 
Messaggi: 326
Iscritto il: 14 gen 2016, 15:28

0
voti

[12] Re: Consigli su miglioramento impianto

Messaggioda Foto UtenteAltorn » 6 mar 2020, 10:36

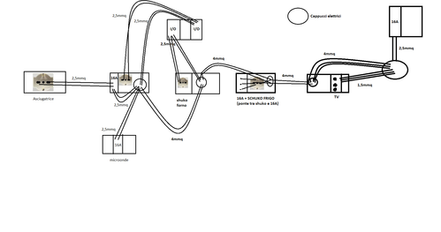
Ho disegnato quanto detto, allego immagine.
Potrei mettere la 503 TV dedicata col cavo da 1.5mmq dalla cassettina di derivazione.
Nello stesso tubo passare 3 cavi da 4mmq e andare diretto alla 503 del frigo.
Li collegarmi alla presa con i cappucci e cavo da 2.5mmq e dallo stesso cappuccio far partire il 4mmq per il forno.
Stessa identica cosa per la lavastoviglie.
impianto_1.png

Giusto?
Avatar utente
Foto UtenteAltorn
50 3 5
Stabilizzato
Stabilizzato
 
Messaggi: 326
Iscritto il: 14 gen 2016, 15:28

0
voti

[13] Re: Consigli su miglioramento impianto

Messaggioda Foto UtenteSediciAmpere » 6 mar 2020, 21:24

Se riesci a farceli passare meglio, altrimenti non ti preoccupare: secondo la tabella CEI-UNEL 35024/1 (fascicolo 3516) una linea da 1,5mm ha una portata di 17,5A , quindi già con il 2,5mmq e magnetotermico da 16A sei tranquillo.
§§§§§§§.JPG
Avatar utente
Foto UtenteSediciAmpere
4.187 5 5 8
Master
Master
 
Messaggi: 4846
Iscritto il: 31 ott 2013, 15:00

0
voti

[14] Re: Consigli su miglioramento impianto

Messaggioda Foto Utentesalvuto » 6 mar 2020, 22:58

cosi' mi piace già di più, la televisione basta l'1.5 per i carichi che devono passare

piuttosto una domanda: il piano cottura è previsto ?
Avatar utente
Foto Utentesalvuto
46 1 4
Frequentatore
Frequentatore
 
Messaggi: 150
Iscritto il: 30 nov 2017, 18:48

0
voti

[15] Re: Consigli su miglioramento impianto

Messaggioda Foto UtenteAltorn » 9 mar 2020, 9:51

Ottimo! allora a breve vi posto un immagine di quello che ho realizzato attualmente nel weekend.
Devo dire che il riscontro è stato positivo.

Il piano cottura non è previsto, si alimenta a gas e viene acceso sempre con un accendi gas separato :)
Avatar utente
Foto UtenteAltorn
50 3 5
Stabilizzato
Stabilizzato
 
Messaggi: 326
Iscritto il: 14 gen 2016, 15:28

0
voti

[16] Re: Consigli su miglioramento impianto

Messaggioda Foto UtenteAltorn » 9 mar 2020, 12:22

Ciao, in allegato il nuovo impianto realizzato. Il cavo da 4mmq dal contatore provvedo a passarlo nel prossimo weekend.
Per il resto è tutto cablato cosi.
impianto_nuovo.png
Avatar utente
Foto UtenteAltorn
50 3 5
Stabilizzato
Stabilizzato
 
Messaggi: 326
Iscritto il: 14 gen 2016, 15:28

0
voti

[17] Re: Consigli su miglioramento impianto

Messaggioda Foto UtenteDavideChinelli » 9 mar 2020, 13:35

Perché parti con un 2.5mmq per poi passare a 4?

Se fai delle tratte con l'1.5mmq non va protetto con un 10A al posto del 16A?
Avatar utente
Foto UtenteDavideChinelli
110 2 5
Frequentatore
Frequentatore
 
Messaggi: 185
Iscritto il: 7 feb 2018, 13:39

0
voti

[18] Re: Consigli su miglioramento impianto

Messaggioda Foto UtenteAltorn » 9 mar 2020, 13:50

Ciao,
il 4 dal contatore lo passo questo fine settimana cosi ho tutta la tratta da 4mmq.
Il tratto da 1.5 è sempre per una presa e quindi magneto termico 16A prese.
Avatar utente
Foto UtenteAltorn
50 3 5
Stabilizzato
Stabilizzato
 
Messaggi: 326
Iscritto il: 14 gen 2016, 15:28

0
voti

[19] Re: Consigli su miglioramento impianto

Messaggioda Foto UtenteDavideChinelli » 9 mar 2020, 22:19

Metterei il 2.5 anche sulla singola presa se ci sta tutto nel corrugato. Almeno secondo me sarebbe un lavoro fatto meglio.
Avatar utente
Foto UtenteDavideChinelli
110 2 5
Frequentatore
Frequentatore
 
Messaggi: 185
Iscritto il: 7 feb 2018, 13:39

0
voti

[20] Re: Consigli su miglioramento impianto

Messaggioda Foto UtenteSediciAmpere » 9 mar 2020, 22:54

se nella scatola portafrutti con la presa della tv c'è un cappuccio elettrico connesso alla stessa linea del trelevisore, tanto vale derivarsi da quello
Avatar utente
Foto UtenteSediciAmpere
4.187 5 5 8
Master
Master
 
Messaggi: 4846
Iscritto il: 31 ott 2013, 15:00

PrecedenteProssimo

Torna a Impianti, sicurezza e quadristica

Chi c’è in linea

Visitano il forum: Nessuno e 43 ospiti