Per la questione del mosfet come interruttore, prova a vedere se questa discussione può esserti utile.
Ciao,
P.
"Azzeramento" casuale display lcd
Moderatori:
carloc,
g.schgor,
BrunoValente,
IsidoroKZ
0
voti
pgiagno ha scritto:Per la questione del mosfet come interruttore, prova a vedere se questa discussione può esserti utile.
É proprio da quella discussione che ho preso il circuito
marioursino ha scritto:Maaaaa c'è il diodo in antiparallelo al relé?
Come é giá stato detto piú volte in precedenza, sí: il diodo c'é.
pgiagno ha scritto:Come ho premesso, non c'è garanzia che il problema si risolva (...)
Ciao, allora: ho diviso completamente la 50 volt dalla 12+5 volt.
Ho spostato Arduino in un punto piú lontano dall'alimentatore, e sto facendo una "barriera" come schermatura, da mettere a GND dei 12+5 volt.
Ho usato cavi schermati per portare i segnali dei display all'arduino, e ho deciso di sostituire il display 40x4 con due display 40x2 I2C, cosí da eliminare il numero di cavi, e sperare di essere meno sensibili nella trasmissione.
Sto tentando di isolare anche i PWM dei driver led, in quanto non posso connetterli direttamente ad Arduino. (non c'é piú la massa come riferimento comune).
Ho preso in mano gli optoisolatori, e mi é venuto un lampo: come faccio a ricavare 5 volt dai 50 volt? Ora che non ho piú i negativi in comune, non posso prendere 5 volt dalla schedina, e di step down che accettino 50 volt in ingresso, dubito di averli. (devo controllare, ma se ci sono, non hanno il negativo comune all'uscita, quindi non posso usarli, perché anche se collegato ai 50 volt, non avrebbe comunque il riferimento in comune).
Come posso fare? Anche perché non saprei che circuito fare, sia per i 5 volt, sia per i fotoaccoppiatori.
Io ho dei 4N25 in casa, possono andar bene? Cosí é giusto?
Ultima modifica di
WALTERmwp il 12 mar 2020, 15:54, modificato 1 volta in totale.
Motivazione: Ridotta citazione, l'integrale richiamo non è necessario
Motivazione: Ridotta citazione, l'integrale richiamo non è necessario
0
voti
no, se mi permetti, non mi pare abbia senso, tieni il display che hai.AleEl ha scritto:(...) ho deciso di sostituire il display 40x4 con due display 40x2 I2C, cosí da eliminare il numero di cavi, e sperare di essere meno sensibili nella trasmissione (...)
qui, o non capisco o tu fai confusione.AleEl ha scritto:(...) come faccio a ricavare 5 volt dai 50 volt? Ora che non ho piú i negativi in comune, non posso prendere 5 volt dalla schedina, e di step down che accettino 50 volt in ingresso, dubito di averli. (devo controllare, ma se ci sono, non hanno il negativo comune all'uscita, quindi non posso usarli, perché anche se collegato ai 50 volt, non avrebbe comunque il riferimento in comune)(...)
Per i 4N25 devi cercare in rete il datasheet, e leggerlo.
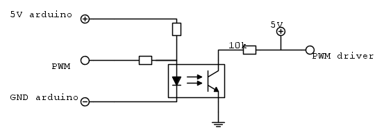
Al limite così:
Saluti
W - U.H.F.
-

WALTERmwp
30,2k 4 8 13 - G.Master EY

- Messaggi: 8986
- Iscritto il: 17 lug 2010, 18:42
- Località: le 4 del mattino
0
voti
WALTERmwp ha scritto:qui, o non capisco o tu fai confusione.
I PWM dei driver led accettano tensioni di 5 volt massimi, ovvero le tensioni su cui lavora arduino.
Mettendo i fotoaccoppiatori, per dividere i 50 volt da 12 volt e dai 5 volt, ho come conseguenza che i 5 volt che devo usare per alimentare i driver led, pilotati dai fotoaccoppiatori, non li ho piú. Avendo il PWM dei driver il riferimento a massa comune all'alimentazione dello stesso, usare i 5 volt ricavati dall'alimentatore 12 volt, significherebbe mettere in comune la massa, cosa che non voglio fare.
Devo quindi ricavare dai 50 volt, i 5 volt per alimentare i fotoaccoppiatori, per permettermi di pilotarli in PWM.
Spero di essermi spiegato meglio.
Perché consigli di tenere il display attuale?
0
voti
si, così non ci sono equivoci grazie, devi gestire quel potenziale.AleEl ha scritto:(...) Devo quindi ricavare dai 50 volt, i 5 volt per alimentare i fotoaccoppiatori, per permettermi di pilotarli in PWM.
Spero di essermi spiegato meglio (...)
il cambio sarebbe parte d'un approccio empirico, meglio limitare gli interventi compiuti per tentativi.AleEl ha scritto:(...) Perché consigli di tenere il display attuale?
A mio parere, se non sono state determinate in modo chiaro cause, effetti e quel che espone o favorisce le anomalie che riscontri, non ha senso procedere con una sostituzione.
Perché il passaggio dai 4 bit(in parallelo) allo I2c dovrebbe costituire un miglioramento ?
Non è che quella seriale(I2c) è "più immune", a qualcosa che tra l'altro non s'è ancora compreso come influisce.
Ti è chiaro invece il principio dello schemino che ho riportato, ti rendi conto delle differenze rispetto al tuo ?
Saluti
W - U.H.F.
-

WALTERmwp
30,2k 4 8 13 - G.Master EY

- Messaggi: 8986
- Iscritto il: 17 lug 2010, 18:42
- Località: le 4 del mattino
0
voti
Non sono molto esperto in circuiti, ma penso che collegando il 4N25 in questo modo si protegge anche l'ingresso del driver.
Ciao,
P.
Ciao,
P.
0
voti
WALTERmwp ha scritto:si, così non ci sono equivoci grazie, devi gestire quel potenziale.
E come posso fare? L'unico problema che ho , per ora, é abbassare la tensione da 50 a 5 volt..
WALTERmwp ha scritto:Perché il passaggio dai 4 bit(in parallelo) allo I2c dovrebbe costituire un miglioramento ?
Perché un piccolo display I2c che ho, collegato ad arduino ma non nella posizione in cui si trova il display 40x4, non ha mai avuto problemi durante la scintilla o l'alimentazione dell'alimentatore da 50 volt.
Ripeto: non ho detto dell'esistenza di questo display, perché non riguarda il circuito in cui ho problemi, e non é nella stessa posizione del display incriminato
WALTERmwp ha scritto:Ti è chiaro invece il principio dello schemino che ho riportato, ti rendi conto delle differenze rispetto al tuo ?
Hai invertito la posizione di prelievo del PWM per i driver, evitando di dover inserire la resistenza di pullup sull'ingresso, per tenerlo spento? Inoltre hai messo anche una resistenza al PWM dei driver, penso per limitare la corrente (?)
pgiagno ha scritto:Non sono molto esperto in circuiti, ma penso che collegando il 4N25 in questo modo si protegge anche l'ingresso del driver.
Non voglio assolutamente mettere in dubbio il tuo circuito, peró io vorrei evitare in ogni modo di bruciare 7 driver in un colpo solo...
Se il circuito che hai proposto é affidabile, io mi fido
0
voti
Puoi provare con UN SOLO driver. Sono sufficientemente sicuro che non bruci niente. Al più potrebbe non funzionare. Ci potrebbero essere problemi con la frequenza di PWM, ma se piloti il tutto con Arduino il PWM è inferiore a 1kHz.
Ciao,
P.
Ciao,
P.
0
voti
pgiagno ha scritto:Puoi provare con UN SOLO driver. Sono sufficientemente sicuro che non bruci niente. Al più potrebbe non funzionare. Ci potrebbero essere problemi con la frequenza di PWM, ma se piloti il tutto con Arduino il PWM è inferiore a 1kHz.
Ciao,
P.
Puoi spiegarmi perché dici che al massimo potrebbe non funzionare? Potresti anche spiegarmi perché una frequenza alta puó dare problemi? Puoi anche spiegarmi come funziona il circuito?
Chi c’è in linea
Visitano il forum: Nessuno e 79 ospiti

Elettrotecnica e non solo (admin)
Un gatto tra gli elettroni (IsidoroKZ)
Esperienza e simulazioni (g.schgor)
Moleskine di un idraulico (RenzoDF)
Il Blog di ElectroYou (webmaster)
Idee microcontrollate (TardoFreak)
PICcoli grandi PICMicro (Paolino)
Il blog elettrico di carloc (carloc)
DirtEYblooog (dirtydeeds)
Di tutto... un po' (jordan20)
AK47 (lillo)
Esperienze elettroniche (marco438)
Telecomunicazioni musicali (clavicordo)
Automazione ed Elettronica (gustavo)
Direttive per la sicurezza (ErnestoCappelletti)
EYnfo dall'Alaska (mir)
Apriamo il quadro! (attilio)
H7-25 (asdf)
Passione Elettrica (massimob)
Elettroni a spasso (guidob)
Bloguerra (guerra)






