Tutto chiarissimo, non ho ancora acquistato nulla, ho diversi mosfet a casa tipo IRF9540N, IRfZ48N, IRLZ44N ma vedendo i datasheet hanno caratteristiche molto distanti da quelli elencati da te. Per quanto riguarda il DC-DC converter ne ho visti molti tipi ma nessuno ha le masse isolate purtroppo.
Forse ho trovato qualcosa:
Description:
2 in 1 Isolated DC-DC Boost-Buck Converter
Input Voltage Range: 5-32 VDC
Output Voltage : ±12V/+24 V(MAX 700MA); ±15V/+30V(MAX 550MA)
Minimum Load Requirements: 0% (as+24 V/+30V Output), 10% (as +-12/+-15 Output)
Efficiency : 70%-88%
Quiescent current : 68mA(Input 12V)
Low Noise : 50mV
Hihg Accuracy :+/-1%
Working frequency 400KHz
Isolation (Input to Output): 1500VDC minimum (1 minute)
Isolation Capacitance: 1200pF
Short Circuit Protection
Operating ambient temperature : -40~+85 Degrees Celsius
Storage Temperature Range: -55 to +125 Degrees Celsius
Limitatore di corrente
Moderatori:
g.schgor,
IsidoroKZ
44 messaggi
• Pagina 3 di 5 • 1, 2, 3, 4, 5
0
voti
IRFZ48N va bene
55V
64 A continui
175 C
1.15 C/W
14 mohm
Potresti usarne 3 in parallelo
Prova a rifare I conti mettendo i parametri del mosfet che hai a disposizione
Per il DC-DC converter isolato (cerca DC DC isolated converter)
- https://it.aliexpress.com/item/32986631 ... web201603_
- https://www.mouser.it/Power/DC-DC-Converters/_/N-brvxe
55V
64 A continui
175 C
1.15 C/W
14 mohm
Potresti usarne 3 in parallelo
Prova a rifare I conti mettendo i parametri del mosfet che hai a disposizione
Per il DC-DC converter isolato (cerca DC DC isolated converter)
- https://it.aliexpress.com/item/32986631 ... web201603_
- https://www.mouser.it/Power/DC-DC-Converters/_/N-brvxe
0
voti

elfo ha scritto:Per il DC-DC converter isolati (cerca DC DC isolated converter)
- https://it.aliexpress.com/item/32986631 ... web201603_
- https://www.mouser.it/Power/DC-DC-Converters/_/N-brvxe
Ma questi non sono duali, non dovevano essere duali vista la presenza dell'operazionale?
Rifacendo i calcoli occorrerebbe un dissipatore per ogni mosfet da

o uno complessivo da

Ultima modifica di
bebos89 il 21 mar 2020, 17:08, modificato 2 volte in totale.
0
voti
Da quello che ho visto non c'è un converter da 14V a 15V, potrei abbassare con un resistore o con un LM7812 la tensione da 14 a 12V e poi mettere i due converter B1215S come illustrato dal tuo schema?
1
voti
Nel post [20] concludevo scrivendo:
E' quello che cominceremo a fare in questo post che sara' diviso in due parti:
- considerazioni di progetto
- operativa
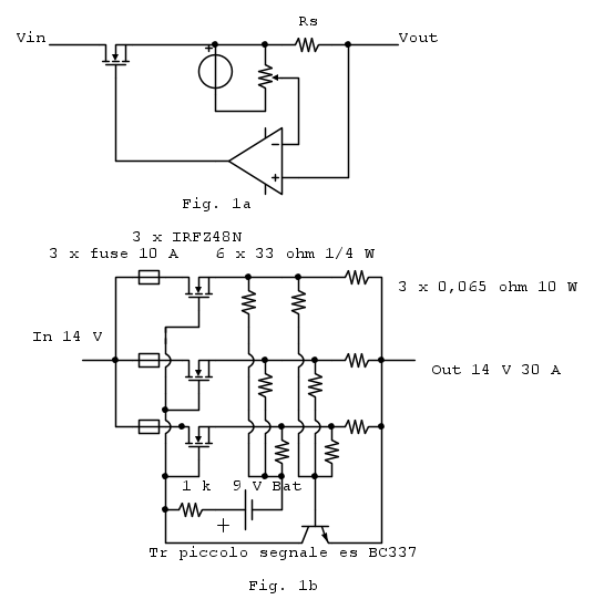
Guardiamo lo schema di principio Fig. 1a della parte di regolazione.
Senza entrare nei dettagli del funzionamento c'e' una cosa che salta subito all'occhio:
Abbiamo un loop di regolazione negativa controllata da un OP-Amp.
Questo aspetto ci da due "garanzie":
- una buona "precisione" della regolazione
- una "sicura lentezza" della regolazione
Quest'ultimo aspetto e' quello che ci interessa in questo momento.
In condizioni "normali" l'uscita dell'OP-Amp e' al livello piu' alto (il mosfet e' in piena conduzione). Se l'uscita del mosfet viene bruscamente messa in corto in quanto tempo l'OP-Amp reagisce?
E' questa "lentezza" che fa funzionare bene il circuito se il carico in uscita varia lentamente ma puo' provocare la distruzione del mosfet se il corto e' "franco e rapido".
Nella Fig.8 presa dal datasheet a pag 4
https://www.infineon.com/dgdl/irfz48npb ... 3ea972222c
si vede che il mosfet sopporta un impulso singolo da 100A @ 14V per 100 us (linea verde) e poco piu' di 20 A @ 14 V per 1 ms (linea rossa).
In sede di test del circuito vedremo le tecniche per "stressarlo" a dovere
Poiche' non sappiamo qual e' la capacita' max di erogazione della sorgente da 14 V che alimenta il circuito e non riusciamo a prevedere il tempo di reazione dell'OP-Amp (una stima prudenziale potrebbe essere tra 100 us - 1 ms) occorre prevedere una limitazione veloce anche grossolana di "ultima istanza" che intervenga per permettere alla regolazione precisa di "svegliarsi".
Questa limitazione richiama il circuito del post [8} ed e' rappresentato in Fig. 1b
Inizierei montando il circuito con un solo mosfet.
la resistenza 0.065 ohm 10 W puo' essere realizzata con il parallelo di varie resistenze.
- il mosfet deve essere montato su un disspipatore provvisorio e raffreddato magari con l'ausilio di una ventola
- il fusibile e' obbligatorio!
- inizierei mettendo un carico che assorba poco piu di 10 A e verificherei che il circuito limiti a circa 10 A senza "insistere troppo" in quanto la dissipazione del mosfet potrebbe non essere adeguata
- indosserei DPI (guanti e sorattutto occhiali) e proverei a mettere ripetutamente in corto franco l'uscita, usando cavi di sezione sovrabbondante e facendo contatto tra i cavi in modo deciso ma intermittente in modo da produrre "sfrigolio" e "stessare" il circuito.
Se il circuito sopravvive alla "tortura" procederei a completare il circuito con gli altri due mosfet e ripeterei la prova.
Nel prox post studieremo la parte di controllo
E' quello che cominceremo a fare in questo post che sara' diviso in due parti:
- considerazioni di progetto
- operativa
Guardiamo lo schema di principio Fig. 1a della parte di regolazione.
Senza entrare nei dettagli del funzionamento c'e' una cosa che salta subito all'occhio:
Abbiamo un loop di regolazione negativa controllata da un OP-Amp.
Questo aspetto ci da due "garanzie":
- una buona "precisione" della regolazione
- una "sicura lentezza" della regolazione
Quest'ultimo aspetto e' quello che ci interessa in questo momento.
In condizioni "normali" l'uscita dell'OP-Amp e' al livello piu' alto (il mosfet e' in piena conduzione). Se l'uscita del mosfet viene bruscamente messa in corto in quanto tempo l'OP-Amp reagisce?
E' questa "lentezza" che fa funzionare bene il circuito se il carico in uscita varia lentamente ma puo' provocare la distruzione del mosfet se il corto e' "franco e rapido".
Nella Fig.8 presa dal datasheet a pag 4
https://www.infineon.com/dgdl/irfz48npb ... 3ea972222c
si vede che il mosfet sopporta un impulso singolo da 100A @ 14V per 100 us (linea verde) e poco piu' di 20 A @ 14 V per 1 ms (linea rossa).
In sede di test del circuito vedremo le tecniche per "stressarlo" a dovere
Poiche' non sappiamo qual e' la capacita' max di erogazione della sorgente da 14 V che alimenta il circuito e non riusciamo a prevedere il tempo di reazione dell'OP-Amp (una stima prudenziale potrebbe essere tra 100 us - 1 ms) occorre prevedere una limitazione veloce anche grossolana di "ultima istanza" che intervenga per permettere alla regolazione precisa di "svegliarsi".
Questa limitazione richiama il circuito del post [8} ed e' rappresentato in Fig. 1b
Inizierei montando il circuito con un solo mosfet.
la resistenza 0.065 ohm 10 W puo' essere realizzata con il parallelo di varie resistenze.
- il mosfet deve essere montato su un disspipatore provvisorio e raffreddato magari con l'ausilio di una ventola
- il fusibile e' obbligatorio!
- inizierei mettendo un carico che assorba poco piu di 10 A e verificherei che il circuito limiti a circa 10 A senza "insistere troppo" in quanto la dissipazione del mosfet potrebbe non essere adeguata
- indosserei DPI (guanti e sorattutto occhiali) e proverei a mettere ripetutamente in corto franco l'uscita, usando cavi di sezione sovrabbondante e facendo contatto tra i cavi in modo deciso ma intermittente in modo da produrre "sfrigolio" e "stessare" il circuito.
Se il circuito sopravvive alla "tortura" procederei a completare il circuito con gli altri due mosfet e ripeterei la prova.
0
voti
In casa dovrei avere il materiale per fare questo primo circuito di prova, l'unico problema risiede nel poterlo testare con il generatore che si trova in un capannone nel porto (impossibile da raggiungere causa decreto legge) però potrei provarlo con una batteria da autotrazione 12V 50Ah, che a pieno carico dovrebbe sviluppare 13V circa. Potrebbe essere equivalente?
0
voti
Ho trovato delle resistenze corazzate 0.05 ohm 25W vanno bene ugualmente al posto delle 0.065 ohm o ne ordino da 0.01 ohm da mettere in serie?
Quindi modificando il circuito in Fig 1b dovrei realizzare questo prototipo? Scusa la domanda ma non capisco la funzione della batteria supplementare da 9V. Spero che il circuito sia corretto
Quindi modificando il circuito in Fig 1b dovrei realizzare questo prototipo? Scusa la domanda ma non capisco la funzione della batteria supplementare da 9V. Spero che il circuito sia corretto
0
voti
MarcoD ha scritto:No.Spero che il circuito sia corretto
Togliere la connessione fra drain e gate del MOS !!
Il circuito del post 26 è corretto.
Oddio è vero, non mi sono accorto dell'errore. Lo modifico subito
44 messaggi
• Pagina 3 di 5 • 1, 2, 3, 4, 5
Torna a Elettrotecnica generale
Chi c’è in linea
Visitano il forum: Nessuno e 40 ospiti

Elettrotecnica e non solo (admin)
Un gatto tra gli elettroni (IsidoroKZ)
Esperienza e simulazioni (g.schgor)
Moleskine di un idraulico (RenzoDF)
Il Blog di ElectroYou (webmaster)
Idee microcontrollate (TardoFreak)
PICcoli grandi PICMicro (Paolino)
Il blog elettrico di carloc (carloc)
DirtEYblooog (dirtydeeds)
Di tutto... un po' (jordan20)
AK47 (lillo)
Esperienze elettroniche (marco438)
Telecomunicazioni musicali (clavicordo)
Automazione ed Elettronica (gustavo)
Direttive per la sicurezza (ErnestoCappelletti)
EYnfo dall'Alaska (mir)
Apriamo il quadro! (attilio)
H7-25 (asdf)
Passione Elettrica (massimob)
Elettroni a spasso (guidob)
Bloguerra (guerra)








