puoi prelevarla dove vuoiPioz ha scritto:Domanda, stupida magari.
L'uscita puo' essere alimentata da un ingresso? Nel senso, i 15V di uscita =1 possono essere prelevati anche da uno degli ingressi o solo dalla Vcc?
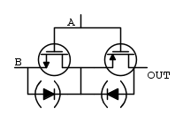
Semplificazione circuito
Moderatore:
carlomariamanenti
22 messaggi
• Pagina 2 di 3 • 1, 2, 3
0
voti
-

BrunoValente
39,6k 7 11 13 - G.Master EY

- Messaggi: 7796
- Iscritto il: 8 mag 2007, 14:48
0
voti
MartinPescatore ha scritto:
aggiungi qualche commento: come funziona? cosa è quel diodo?
-

BrunoValente
39,6k 7 11 13 - G.Master EY

- Messaggi: 7796
- Iscritto il: 8 mag 2007, 14:48
1
voti
L'ho messo tra parentesi perché come body diode non so se conta come un componente o no 
circuitalmente sono 4, fisicamente due...
circuitalmente sono 4, fisicamente due...
Ultima modifica di
MartinPescatore il 24 mar 2020, 17:39, modificato 1 volta in totale.
-

MartinPescatore
25 4 - Messaggi: 37
- Iscritto il: 24 gen 2018, 19:13
0
voti
Se B è alto l'Nmos è spento ma fa il pull- up del nodo interno con il body diode, e passa in uscita solo se A è basso. Mentre se A è anche lui alto siamo in Tri-state.
Se B è basso ed A è alto ed il pmos è bypassato dal body diode quindi ho il pull-down, mentre se A è basso il Nmos è spento e quindi di nuovo tri-state.
Spiegato molto velocemente
(Scusate per le innumerevoli modifiche ma l'avevo pensato abbastanza velocemente che già mi ero dimenticato come funzionava
)
Se B è basso ed A è alto ed il pmos è bypassato dal body diode quindi ho il pull-down, mentre se A è basso il Nmos è spento e quindi di nuovo tri-state.
Spiegato molto velocemente

(Scusate per le innumerevoli modifiche ma l'avevo pensato abbastanza velocemente che già mi ero dimenticato come funzionava
-

MartinPescatore
25 4 - Messaggi: 37
- Iscritto il: 24 gen 2018, 19:13
0
voti
Mi pare ci sia un errore nella descrizione del funzionamento, quindi mi spiace ma il milione di dollari destinato al vincitore resta qui
Non ho commentato il ragionamento di
boiler ma mi pare ci sia andato molto vicino anche lui.
Non ho commentato il ragionamento di
-

BrunoValente
39,6k 7 11 13 - G.Master EY

- Messaggi: 7796
- Iscritto il: 8 mag 2007, 14:48
0
voti
ok
MartinPescatore, la nuova versione riveduta e corretta va bene complimenti
ma purtoppo il milione di dollari resta comunque qui, c'è una clausola nel regolamento che vieta le correzioni all'ultimo minuto
ma purtoppo il milione di dollari resta comunque qui, c'è una clausola nel regolamento che vieta le correzioni all'ultimo minuto-

BrunoValente
39,6k 7 11 13 - G.Master EY

- Messaggi: 7796
- Iscritto il: 8 mag 2007, 14:48
0
voti
Quindi, per la precisione, entrambi i body diode entrano in ballo nel funzionamento.
-

BrunoValente
39,6k 7 11 13 - G.Master EY

- Messaggi: 7796
- Iscritto il: 8 mag 2007, 14:48
22 messaggi
• Pagina 2 di 3 • 1, 2, 3
Chi c’è in linea
Visitano il forum: Nessuno e 16 ospiti

Elettrotecnica e non solo (admin)
Un gatto tra gli elettroni (IsidoroKZ)
Esperienza e simulazioni (g.schgor)
Moleskine di un idraulico (RenzoDF)
Il Blog di ElectroYou (webmaster)
Idee microcontrollate (TardoFreak)
PICcoli grandi PICMicro (Paolino)
Il blog elettrico di carloc (carloc)
DirtEYblooog (dirtydeeds)
Di tutto... un po' (jordan20)
AK47 (lillo)
Esperienze elettroniche (marco438)
Telecomunicazioni musicali (clavicordo)
Automazione ed Elettronica (gustavo)
Direttive per la sicurezza (ErnestoCappelletti)
EYnfo dall'Alaska (mir)
Apriamo il quadro! (attilio)
H7-25 (asdf)
Passione Elettrica (massimob)
Elettroni a spasso (guidob)
Bloguerra (guerra)