Cos'è ElectroYou | Login Iscriviti

ElectroYou - la comunità dei professionisti del mondo elettrico

aiuto con la teoria dei grafi

Circuiti, campi elettromagnetici e teoria delle linee di trasmissione e distribuzione dell’energia elettrica

Moderatori: Foto Utenteg.schgor, Foto UtenteIsidoroKZ

2
voti

[11] Re: aiuto con la teoria dei grafi

Messaggioda Foto UtenteRenzoDF » 25 mar 2020, 15:35

spacemoses00 ha scritto:Continuo a ringraziare per la disponibilità, sinceramente non ho ben capito come si cita perciò farò una scaletta:

Devi semplicemente usare il pulsante CITA, evidenziare la parte del messaggio che vuoi citare e usare il pulsante QUOTE.

... quel"però" mi ha incuriosito eccome, ho pensato che si vuole riferire alla risoluzione del circuito ...

Sì, ma è un però bello "pesante" :D ; perché non provi a postare la sottorete sinistra semplificata, possibilmente disegnata usando FidoCadJ, che così ci ragioniamo sù?

... invece questa cosa del generatore pilotato mi sfugge completamente, o meglio, ho visto qualche esercizio in cui si metteva un generatore di corrente di valore unitario, ma mi sembravano casi particolari, potrebbe darmi delucidazioni ?

Forzando la rete con un generatore ausiliario, GIT o GIC a seconda della "convenienza", vai a determinare la resistenza equivalente semplicemente via rapporto fra tensione e corrente ai suoi morsetti. Questo è il metodo generale per determinare una resistenza (impedenza) equivalente.

... il mio problema è che non trovo esercizi spiegati in modo esaustivo risolti con i metodo dei grafi ...

Se cerchi in rete di certo ne trovi, per es. :

Codice: Seleziona tutto
https://www.elettrotecnicagestionali.it/wp-content/uploads/2019/11/Lorenza-Corti-Elettrotecnica-Lesson-3-Le-proprietà-dei-circuiti.pdf


http://www.die.ing.unibo.it/pers/fabbri/AUT/dispense/2a.pdf

http://www.die.ing.unibo.it/pers/morandi/didattica/EeT/6.%20Metodi%20di%20soluzione%20dei%20circuiti.pdf

https://getmyuni.azureedge.net/assets/main/study-material/notes/electrical-engineering_engineering_network-analysis_network-topology_notes.pdf

e, anche se non integralmente visibili, su
https://books.google.at/books?id=fIFCBA ... &q&f=false

ok l'ho fatto carta e penna e ci sono con il trasformatore, grazie.

Allora rimaniamo in attesa dello schema semplificato.

... in che senso? se ad esempio in questo esercizio a=2 come si potrebbe svolgere?

Nel senso che, detta V_0 la tensione a vuoto sula porta destra, avrai sulla porta sinistra del trasformatore aV_0, la corrente in R2 (verso destra) sarà I_2=(aV_0-V_0)/R_2, la tensione su R1 (ovvero la grandezza pilota) V_{R_1}=V_0-Vg, ... ecc.

... molto spesso infatti finivamo col risolvere esercizi integro- differenziali, è proprio li che il prof vuole quasi sempre andare a parare, come si sarebbe proceduto?

Per esempio partendo dalla corrente i3 attraverso R3, pari alla somma della corrente nel condensatore e nell'induttore, ovvero da una prima KCL

i_3=i_c+i_L=C\frac{ dv_C}{dt}+i_L,

da questa la v_3 che, sommata alla tensione v_C, uguaglia la tensione alla porta sinistra del trasformatore, ovvero una prima KVL ... e così via.
"Il circuito ha sempre ragione" (Luigi Malesani)
Avatar utente
Foto UtenteRenzoDF
55,9k 8 12 13
G.Master EY
G.Master EY
 
Messaggi: 13189
Iscritto il: 4 ott 2008, 9:55

1
voti

[12] Re: aiuto con la teoria dei grafi

Messaggioda Foto Utenteconsole6 » 25 mar 2020, 15:55

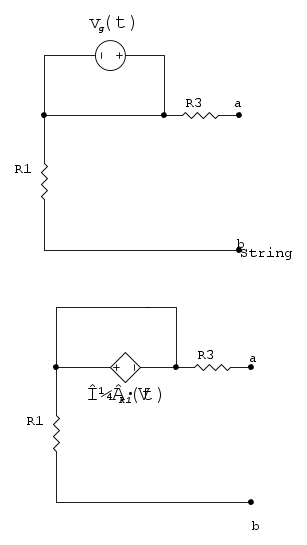
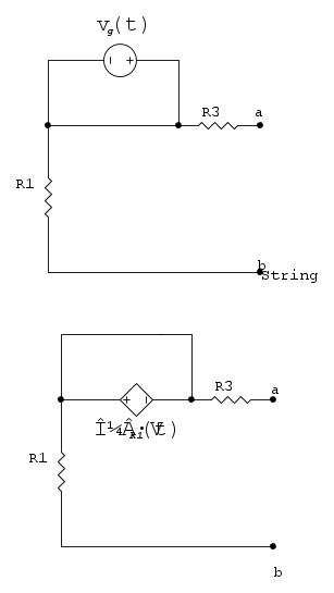
RenzoDF ha scritto:Il rapporto di trasformazione è unitario di conseguenza v1=v2, ne segue che la tensione ai morsetti di R2 è nulla e quindi R2 può essere rimossa, inoltre i1=-i2, di conseguenza possiamo rimuovere anche il trasformatore ideale andando a sostituirlo con un cortocircuito fra i morsetti superiori delle sue due porte.
...

Detto con Fido dovrebbe essere così
ƎlectroYou e ne sai di più!
Avatar utente
Foto Utenteconsole6
2.261 3 10 12
Expert EY
Expert EY
 
Messaggi: 1106
Iscritto il: 15 nov 2011, 13:08
Località: World wide

0
voti

[13] Re: aiuto con la teoria dei grafi

Messaggioda Foto Utentespacemoses00 » 25 mar 2020, 16:57

Forzando la rete con un generatore ausiliario, GIT o GIC a seconda della "convenienza", vai a determinare la resistenza equivalente semplicemente via rapporto fra tensione e corrente ai suoi morsetti. Questo è il metodo generale per determinare una resistenza (impedenza) equivalente.


mmm ok, non mi è chiaro, in tal caso dopo o in un altro topic metto l'esercizio che intendevo, comunque in ogni caso come mai si ha la necessità di fare ciò? come influenza la Req un generatore pilotato?


perché non provi a postare la sottorete sinistra semplificata


ringrazio chi lo ha già messo.


Se cerchi in rete di certo ne trovi,


si ma ne fanno pochissimi e si concentrano sempre su altri metodi, grazie ancora, ci butterò gli occhi più tardi.
Avatar utente
Foto Utentespacemoses00
30 2
 
Messaggi: 34
Iscritto il: 24 mar 2020, 20:03

2
voti

[14] Re: aiuto con la teoria dei grafi

Messaggioda Foto UtenteRenzoDF » 25 mar 2020, 17:21

spacemoses00 ha scritto:... mmm ok, non mi è chiaro, in tal caso dopo o in un altro topic metto l'esercizio che intendevo, comunque in ogni caso come mai si ha la necessità di fare ciò? come influenza la Req un generatore pilotato? ...

Se non forziamo la rete, la grandezza pilota risulterebbe nulla e di conseguenza il generatore dipendente non evidenzierebbe il suo "effetto".

spacemoses00 ha scritto:... ringrazio chi lo ha già messo.

E quindi, vista la rete semplificata, ci sono novità su quel mio "però" :?:

... considera solo la parte a sinistra di C, e prova a ricavare la tensione a vuoto. ;-)
"Il circuito ha sempre ragione" (Luigi Malesani)
Avatar utente
Foto UtenteRenzoDF
55,9k 8 12 13
G.Master EY
G.Master EY
 
Messaggi: 13189
Iscritto il: 4 ott 2008, 9:55

0
voti

[15] Re: aiuto con la teoria dei grafi

Messaggioda Foto Utentespacemoses00 » 26 mar 2020, 16:31

Mi scuso per la risposta poco repentina, ma purtroppo mi son dovuto dedicare anche ad altre materie, tuttavia per quanto riguarda il circuito, applicando il thm di thevenin e il principio di sovrapposizione degli effetti, mi viene che ha ai capi del condensatore la caduta di tensione è nulla, ciò perché passivando ogni volta il generatore non in esame, cioè sostituendolo con un corto circuito, l'effetto che abbiamo è che non si ha una caduta di tensione nel nei capi del condensatore. questo già so che è sbagliato perché vedendo a conoscenza del risultato, il prof utilizza LKT nella maglia che comprende Vg,R1,V2 con V2 si intende la tensione hai capi del secondario del trasformatore ideale, utilizzando la formula inversa che Vr1 è dato da -u(t)/2, tuttavia non si calcola la Req ma si calcola la corrente che passa in R3. e non ho per niente capito il perché... comunque per caso quel "però" si riferisce al fatto che possiamo immaginare il condensatore come un circuito aperto mentre l'Induttore come un corto circuito? perché se cosi fosse non andrebbe bene poiché il prof vuole che c'è ne "accorgiamo" quando appunto facciamo il limite che tende all'infinito.
Avatar utente
Foto Utentespacemoses00
30 2
 
Messaggi: 34
Iscritto il: 24 mar 2020, 20:03

1
voti

[16] Re: aiuto con la teoria dei grafi

Messaggioda Foto UtenteRenzoDF » 26 mar 2020, 17:55

spacemoses00 ha scritto:... applicando il thm di thevenin e il principio di sovrapposizione degli effetti, mi viene che ha ai capi del condensatore la caduta di tensione è nulla, ciò perché passivando ogni volta il generatore non in esame, cioè sostituendolo con un corto circuito, l'effetto che abbiamo è che non si ha una caduta di tensione nel nei capi del condensatore. ...

Premesso che non capisco a cosa serva la sovrapposizione degli effetti, sarei curioso di vedere come vai ad applicarla; potresti riciclare lo schema in FidoCadJ che ti è stato regalato da Foto Utenteconsole6 per farlo, che ne dici :?:

spacemoses00 ha scritto:... questo già so che è sbagliato perché vedendo a conoscenza del risultato, il prof utilizza LKT nella maglia che comprende Vg,R1,V2 ...

E sarei anche curioso di vedere come ha fatto a risolverlo il tuo professore. :-) ... ma per ora lasciamo perdere la sua soluzione.

spacemoses00 ha scritto:... ... comunque per caso quel "però" si riferisce al fatto che possiamo immaginare il condensatore come un circuito aperto mentre l'Induttore come un corto circuito? ...

No, quel "però" si riferisce al fatto che c'è un PROBLEMA bello GRANDE in quella rete.

Cerco di suggerirtelo facendoti una domanda: a vuoto, qual è il valore della corrente che attraversa R1 :?:
"Il circuito ha sempre ragione" (Luigi Malesani)
Avatar utente
Foto UtenteRenzoDF
55,9k 8 12 13
G.Master EY
G.Master EY
 
Messaggi: 13189
Iscritto il: 4 ott 2008, 9:55

1
voti

[17] Re: aiuto con la teoria dei grafi

Messaggioda Foto UtenteRenzoDF » 26 mar 2020, 18:36

... io direi che sia nulla; tu cosa dici :?:
"Il circuito ha sempre ragione" (Luigi Malesani)
Avatar utente
Foto UtenteRenzoDF
55,9k 8 12 13
G.Master EY
G.Master EY
 
Messaggi: 13189
Iscritto il: 4 ott 2008, 9:55

0
voti

[18] Re: aiuto con la teoria dei grafi

Messaggioda Foto Utentespacemoses00 » 26 mar 2020, 18:46








applicando in questo modo il principio di sovrapposizione degli effetti per poi trovarmi la Vab ai capi del condensatore, noto he no c'è alcuna ddp, se non sbaglio,
E sarei anche curioso di vedere come ha fatto a risolverlo il tuo professore. :-) ... ma per ora lasciamo perdere la sua soluzione.


certo con piacere, in ogni caso poi ho scoperto che lui implicitamente utilizza sempre il metodo del tableau sparso, come si risolverebbe in questo modo?


a vuoto, qual è il valore della corrente che attraversa R1
certo a vuoto nessuna corrente e è percorsa in quella resistenza poiché ha un morsetto scollegato e non può passare nessuna corrente
Avatar utente
Foto Utentespacemoses00
30 2
 
Messaggi: 34
Iscritto il: 24 mar 2020, 20:03

1
voti

[19] Re: aiuto con la teoria dei grafi

Messaggioda Foto UtenteRenzoDF » 26 mar 2020, 19:01

spacemoses00 ha scritto:... applicando in questo modo il principio di sovrapposizione degli effetti per poi trovarmi la Vab ai capi del condensatore, noto he no c'è alcuna ddp, se non sbaglio, ...

Scusa, ma non vedi nulla di strano in quel primo circuito parziale?

spacemoses00 ha scritto:... certo con piacere, in ogni caso poi ho scoperto che lui implicitamente utilizza sempre il metodo del tableau sparso, come si risolverebbe in questo modo? ...

Come ti dicevo, per ora direi di soprassedere sulla soluzione e sui metodi del tuo professore.

spacemoses00 ha scritto:... a vuoto nessuna corrente e è percorsa in quella resistenza poiché ha un morsetto scollegato e non può passare nessuna corrente

Esatto, e quindi, come conseguenza, quale PROBLEMONE ci troviamo ad avere? ;-)
"Il circuito ha sempre ragione" (Luigi Malesani)
Avatar utente
Foto UtenteRenzoDF
55,9k 8 12 13
G.Master EY
G.Master EY
 
Messaggi: 13189
Iscritto il: 4 ott 2008, 9:55

0
voti

[20] Re: aiuto con la teoria dei grafi

Messaggioda Foto Utentespacemoses00 » 26 mar 2020, 19:04

sinceramente non saprei proprio quale sia il problema del primo circuito, cosa non va?...



che la differenza di potenziale del generatore pilotato è zero?
Avatar utente
Foto Utentespacemoses00
30 2
 
Messaggi: 34
Iscritto il: 24 mar 2020, 20:03

PrecedenteProssimo

Torna a Elettrotecnica generale

Chi c’è in linea

Visitano il forum: Nessuno e 15 ospiti