risoluzione circuito complesso
Moderatori:
carloc,
g.schgor,
BrunoValente,
IsidoroKZ
8 messaggi
• Pagina 1 di 1
0
voti
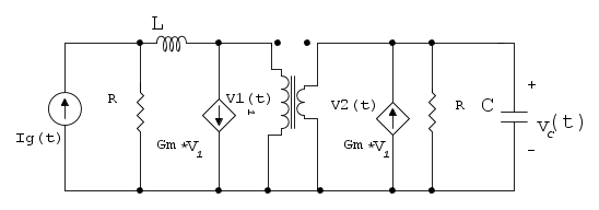
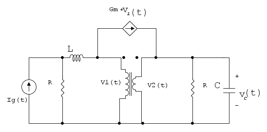
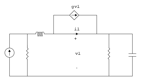
Buongiorno, qualcuno mi potrebbe gentilmente spiegare in modo semplice la risoluzione di questo circuito? ci sto sotto da troppo tempo e non ne vengo a capo, ringrazio in anticipo
-

spacemoses00
30 2 - Messaggi: 34
- Iscritto il: 24 mar 2020, 20:03
3
voti
Dato che il trasformatore ideale è a rapporto spire unitario, e che i " pallini" che identificano il senso dell'avvolgimento sono dalla stessa parte, v1(t) = v2(t).
Di questo enunciato sono meno sicuro:
Il punto v1 può venire cortocircuitato con v2, ma allora il generatore gm x v1(t) viene cortocircuitato ed è ininfluente.
Se ho voglia continuerò a meditarci sopra....
Di questo enunciato sono meno sicuro:
Il punto v1 può venire cortocircuitato con v2, ma allora il generatore gm x v1(t) viene cortocircuitato ed è ininfluente.
Se ho voglia continuerò a meditarci sopra....

0
voti
ok, gia è un inizio, ringrazio anche per la disponibilità
-

spacemoses00
30 2 - Messaggi: 34
- Iscritto il: 24 mar 2020, 20:03
0
voti
Ciao
Io risolverei il primo quesito nel seguente modo:
Tuttavia non sono sicuro che si tratti della strada corretta.
Io risolverei il primo quesito nel seguente modo:
- trovare le equazioni di stato, quindi il sistema nella forma

dove con
si indica l'operazione di derivazione rispetto al tempo. - ricavare dal sistema delle equazioni di stato l'equazione differenziale in
. - risolvere l'equazione differenziale.
Tuttavia non sono sicuro che si tratti della strada corretta.
2
voti
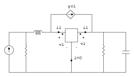
Dividi il generatore di corrente in due, uno in parallelo al primario e uno al secondario.
A questo punto puoi eliminare il trasformatore, poi eliminare il generatore pilotato.
A questo punto hai una rete semplicissima.
Se disegni il circuito con FidoCadJ ne possiamo parlare di fronte ad uno schema modificabile.
Ciao,
Pietro.
A questo punto puoi eliminare il trasformatore, poi eliminare il generatore pilotato.
A questo punto hai una rete semplicissima.
Se disegni il circuito con FidoCadJ ne possiamo parlare di fronte ad uno schema modificabile.
Ciao,
Pietro.
-

PietroBaima
90,7k 7 12 13 - G.Master EY

- Messaggi: 12206
- Iscritto il: 12 ago 2012, 1:20
- Località: Londra
4
voti
ecco qua, spero di essere stato preciso e veloce, mi potrebbe spiegare nel dettaglio il metodo di soluzione che vuole intreprendere?
-

spacemoses00
30 2 - Messaggi: 34
- Iscritto il: 24 mar 2020, 20:03
4
voti
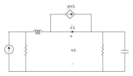
Sei stato preciso e veloce.
Diamoci del tu, come da usi e costumi del forum.
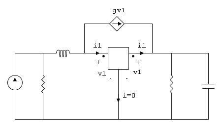
Il circuito diventa questo, dopo aver duplicato il generatore di corrente:
Questo non cambia il circuito perché non cambia le equazioni ai nodi.
Sia ai due nodi ai quali era connesso in precedenza il generatore di corrente, sia a quello in basso, perché a quel nodo viene sommata e sottratta la stessa corrente.
Appena riesci a visualizzare questo non ti dovrebbe essere difficile portare quanto è presente al secondario sul primario.
Che ne pensi?
Diamoci del tu, come da usi e costumi del forum.
Il circuito diventa questo, dopo aver duplicato il generatore di corrente:
Questo non cambia il circuito perché non cambia le equazioni ai nodi.
Sia ai due nodi ai quali era connesso in precedenza il generatore di corrente, sia a quello in basso, perché a quel nodo viene sommata e sottratta la stessa corrente.
Appena riesci a visualizzare questo non ti dovrebbe essere difficile portare quanto è presente al secondario sul primario.
Che ne pensi?
-

PietroBaima
90,7k 7 12 13 - G.Master EY

- Messaggi: 12206
- Iscritto il: 12 ago 2012, 1:20
- Località: Londra
4
voti
Alternativamente, come suggerito da
MarcoD, puoi semplificare come abbiamo fatto nel tuo precedente thread, ovvero "vedere" il trasformatore ideale con rapporto di trasformazione unitario, come un particolare tripolo degenere, equivalente ad un bipolo cortocircuito (un GIT di tensione nulla) che ha per terminali i morsetti superiori delle due porte del trasformatore
e di conseguenza ottenere il seguente circuito equivalente
che, al fine di rispondere alle richieste del problema, si può semplificare nel seguente
e di conseguenza ottenere il seguente circuito equivalente
che, al fine di rispondere alle richieste del problema, si può semplificare nel seguente
"Il circuito ha sempre ragione" (Luigi Malesani)
8 messaggi
• Pagina 1 di 1
Chi c’è in linea
Visitano il forum: Nessuno e 247 ospiti

Elettrotecnica e non solo (admin)
Un gatto tra gli elettroni (IsidoroKZ)
Esperienza e simulazioni (g.schgor)
Moleskine di un idraulico (RenzoDF)
Il Blog di ElectroYou (webmaster)
Idee microcontrollate (TardoFreak)
PICcoli grandi PICMicro (Paolino)
Il blog elettrico di carloc (carloc)
DirtEYblooog (dirtydeeds)
Di tutto... un po' (jordan20)
AK47 (lillo)
Esperienze elettroniche (marco438)
Telecomunicazioni musicali (clavicordo)
Automazione ed Elettronica (gustavo)
Direttive per la sicurezza (ErnestoCappelletti)
EYnfo dall'Alaska (mir)
Apriamo il quadro! (attilio)
H7-25 (asdf)
Passione Elettrica (massimob)
Elettroni a spasso (guidob)
Bloguerra (guerra)



pigreco]=π




