Thevenin: come determinare il circuito equivalente
Moderatori:
g.schgor,
IsidoroKZ
31 messaggi
• Pagina 2 di 4 • 1, 2, 3, 4
1
voti
Questo significa che il docente ha sbagliato.
-

PietroBaima
90,7k 7 12 13 - G.Master EY

- Messaggi: 12206
- Iscritto il: 12 ago 2012, 1:20
- Località: Londra
0
voti
PietroBaima ha scritto:Questo significa che il docente ha sbagliato.
Presumo quindi che l'errore sia nel come è stato disegnato il circuito, non nei risultati.
2
voti
Secondo me l'errore sta nel fatto che il tuo docente non sa usare i pallini correttamente 
Però io se trovassi un testo del genere, all'esame, non perderei occasione per risolverlo come l'ho risolto più sopra.
Però io se trovassi un testo del genere, all'esame, non perderei occasione per risolverlo come l'ho risolto più sopra.
-

PietroBaima
90,7k 7 12 13 - G.Master EY

- Messaggi: 12206
- Iscritto il: 12 ago 2012, 1:20
- Località: Londra
0
voti
Questo potrebbe essere un problema.
Ricordo però che con i suggerimenti
g.schgor nel thread cestinato ero giunto ad un risultato corretto, salvo un errore nell'unità di misura della resistenza equivalente (che potrebbe essere un errore del docente nello scrivere).
Ricordo però che con i suggerimenti
1
voti
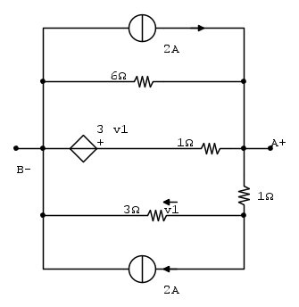
Se invece, in regime stazionario, il circuito è questo:
Lo ridisegnerei in questo modo:
Poi userei Millman per la tensione a vuoto:

Dove V1 è (nuovamente con Millman):

Dal sistema tiri fuori
Quando hai digerito questa passiamo alla Req
Lo ridisegnerei in questo modo:
Poi userei Millman per la tensione a vuoto:

Dove V1 è (nuovamente con Millman):

Dal sistema tiri fuori

Quando hai digerito questa passiamo alla Req
-

PietroBaima
90,7k 7 12 13 - G.Master EY

- Messaggi: 12206
- Iscritto il: 12 ago 2012, 1:20
- Località: Londra
2
voti
PietroBaima ha scritto:Questo significa che il docente ha sbagliato.
Non c’è verso Pietro,
"Il circuito ha sempre ragione" (Luigi Malesani)
1
voti
Fabio884 ha scritto:Questo potrebbe essere un problema.
Ricordo però che con i suggerimentig.schgor nel thread cestinato ero giunto ad un risultato corretto, salvo un errore nell'unità di misura della resistenza equivalente (che potrebbe essere un errore del docente nello scrivere).
Sì, avevi usato un metodo diverso.
Imparare una materia non significa utilizzare sempre lo stesso metodo, ma sforzarsi di vedere l'esercizio in tanti modi diversi.
Tu non ascolti quanto ti dicono gli altri: io ti avevo detto che l'unità di misura era corretta, perché l'unità di misura della resistenza è l'ohm.
Casomai tu volevi dire che il valore ti veniva su una scala diversa da quella trovata dal professore.
-

PietroBaima
90,7k 7 12 13 - G.Master EY

- Messaggi: 12206
- Iscritto il: 12 ago 2012, 1:20
- Località: Londra
1
voti
Me ne sto lentamente convincendo
-

PietroBaima
90,7k 7 12 13 - G.Master EY

- Messaggi: 12206
- Iscritto il: 12 ago 2012, 1:20
- Località: Londra
2
voti
PietroBaima ha scritto:...Tu non ascolti quanto ti dicono gli altri: ...
Me ne ero accorto pur’io
viewtopic.php?f=39&t=79848&hilit=+Fabio884#p836109
"Il circuito ha sempre ragione" (Luigi Malesani)
31 messaggi
• Pagina 2 di 4 • 1, 2, 3, 4
Torna a Elettrotecnica generale
Chi c’è in linea
Visitano il forum: Google Adsense [Bot] e 28 ospiti

Elettrotecnica e non solo (admin)
Un gatto tra gli elettroni (IsidoroKZ)
Esperienza e simulazioni (g.schgor)
Moleskine di un idraulico (RenzoDF)
Il Blog di ElectroYou (webmaster)
Idee microcontrollate (TardoFreak)
PICcoli grandi PICMicro (Paolino)
Il blog elettrico di carloc (carloc)
DirtEYblooog (dirtydeeds)
Di tutto... un po' (jordan20)
AK47 (lillo)
Esperienze elettroniche (marco438)
Telecomunicazioni musicali (clavicordo)
Automazione ed Elettronica (gustavo)
Direttive per la sicurezza (ErnestoCappelletti)
EYnfo dall'Alaska (mir)
Apriamo il quadro! (attilio)
H7-25 (asdf)
Passione Elettrica (massimob)
Elettroni a spasso (guidob)
Bloguerra (guerra)
pigreco]=π




