Cos'è ElectroYou | Login Iscriviti

ElectroYou - la comunità dei professionisti del mondo elettrico

Consigli quadro elettrico

Progettazione, esercizio, manutenzione, sicurezza, leggi, normative...

Moderatori: Foto Utentesebago, Foto UtenteMASSIMO-G, Foto Utentelillo, Foto UtenteMike

0
voti

[31] Re: Consigli quadro elettrico

Messaggioda Foto UtenteLiano » 2 apr 2020, 14:41

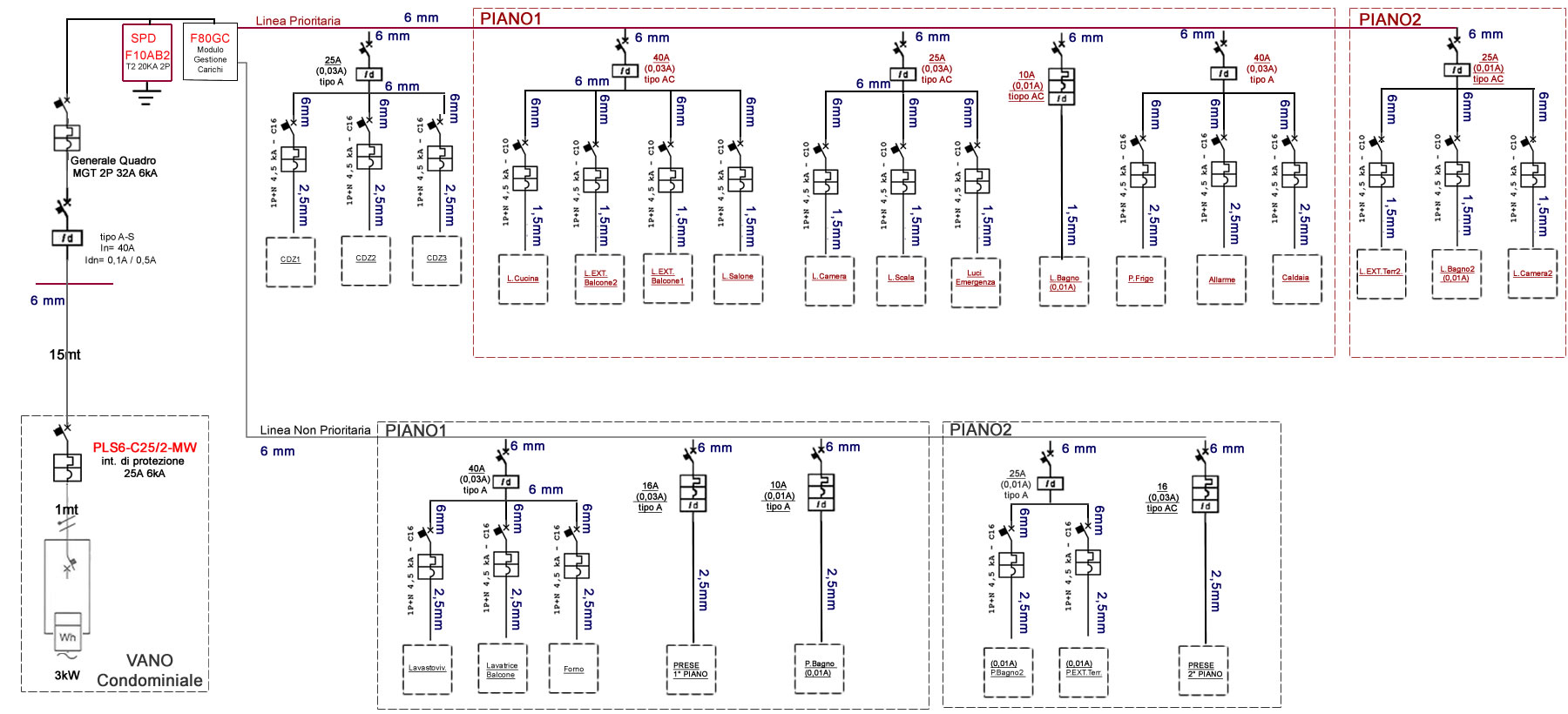
Danielino ha scritto:Come gestisci le prese di servizio? Insomma, per attaccare l'aspirapolvere o il ferro da stiro .. Vedo un solo interruttore "Prese 1°piano". E al 2°?


Così potrebbe andare ?? :roll:

Comunque nell'abitazione dove mi trovo ora, c'è un solo differenziale da 40 con 12 Magnetotermici (alcuni da 16, alcuna da 10 ed altri da 20), ogni tanto salta :lol: , ma funziona. Forse è più una fissazione mia quella di voler suddividere il tutto, probabilmente per nulla necessario. :ok:
Allegati
schema_new.jpg
schema
Avatar utente
Foto UtenteLiano
5 3
 
Messaggi: 30
Iscritto il: 27 mar 2020, 14:08

0
voti

[32] Re: Consigli quadro elettrico

Messaggioda Foto UtenteDanielino » 2 apr 2020, 15:37

Anche nello schema nuovo, non capisco come gestisci le prese, dicendo di non avere scatole di derivazione ... parti dalla protezione nel quadro e dove vai? Alla prima presa? E le altre sono tutte in parallelo tra di loro?
[Studiamoci il problema, non peggioriamo la situazione tirando ad indovinare.]
[Non mi interessa per cosa è stato progettato, mi interessa che cosa può fare!]
Avatar utente
Foto UtenteDanielino
1.051 5 12
Expert EY
Expert EY
 
Messaggi: 276
Iscritto il: 20 feb 2013, 22:26

0
voti

[33] Re: Consigli quadro elettrico

Messaggioda Foto UtenteLiano » 2 apr 2020, 16:17

Danielino ha scritto:Anche nello schema nuovo, non capisco come gestisci le prese, dicendo di non avere scatole di derivazione ... parti dalla protezione nel quadro e dove vai? Alla prima presa? E le altre sono tutte in parallelo tra di loro?



Ecco, una cosa del genere.( morsettiera da 100A nel quadro). Rischio di dare fuoco a qualcosa così??
Allegati
prese.jpg
prese
prese.jpg (27.46 KiB) Osservato 6980 volte
Avatar utente
Foto UtenteLiano
5 3
 
Messaggi: 30
Iscritto il: 27 mar 2020, 14:08

0
voti

[34] Re: Consigli quadro elettrico

Messaggioda Foto UtenteDanielino » 2 apr 2020, 16:18

Ok, adesso mi è più chiaro cosa intendi fare.
Caspita ma devi avere un quadro bello grosso!! :mrgreen: :mrgreen: ... e soprattutto una marea di corrugati ..
[Studiamoci il problema, non peggioriamo la situazione tirando ad indovinare.]
[Non mi interessa per cosa è stato progettato, mi interessa che cosa può fare!]
Avatar utente
Foto UtenteDanielino
1.051 5 12
Expert EY
Expert EY
 
Messaggi: 276
Iscritto il: 20 feb 2013, 22:26

0
voti

[35] Re: Consigli quadro elettrico

Messaggioda Foto UtenteLiano » 2 apr 2020, 16:24

Danielino ha scritto:Ok, adesso mi è più chiaro cosa intendi fare.
Caspita ma devi avere un quadro bello grosso!! :mrgreen: :mrgreen: ... e soprattutto una marea di corrugati ..


il quadro è questo : https://www.gewiss.com/ww/it/products/experience-catalogue/catalogs/series/product/power/47-cvx-160-e-range-wall-mounting-distribution-boards-up-to-160-a-with-extractable-frame/GW47012E
e mi chiedo se può essere usato per impianti civili; le norme non le conosco, ma da quello che ho capito ci sono delle regole da rispettare. Per i corrugati sì! Al momento c'è un rovo :ok:
Avatar utente
Foto UtenteLiano
5 3
 
Messaggi: 30
Iscritto il: 27 mar 2020, 14:08

0
voti

[36] Re: Consigli quadro elettrico

Messaggioda Foto UtenteDanielino » 2 apr 2020, 17:10

Non è un quadro da incasso .. come esci con i conduttori dal quadro per entrare nei corrugati?
[Studiamoci il problema, non peggioriamo la situazione tirando ad indovinare.]
[Non mi interessa per cosa è stato progettato, mi interessa che cosa può fare!]
Avatar utente
Foto UtenteDanielino
1.051 5 12
Expert EY
Expert EY
 
Messaggi: 276
Iscritto il: 20 feb 2013, 22:26

0
voti

[37] Re: Consigli quadro elettrico

Messaggioda Foto UtenteLiano » 2 apr 2020, 17:31

Il quadro verrà fissato in una nicchia di cartongesso (rosa -ignifugo), il quadro ha 4 fori rettangolari, uno sopra, uno sotto e due ai lati. I corrugati sono a filo parete ed entrerebbero da quei fori. Da muro arrivano solo i 3 cavi dal contattore.
Avatar utente
Foto UtenteLiano
5 3
 
Messaggi: 30
Iscritto il: 27 mar 2020, 14:08

0
voti

[38] Re: Consigli quadro elettrico

Messaggioda Foto Utentegianzap » 2 apr 2020, 21:54

Quale occulto postulato fisico impedisce che si danneggi un solo cavo?? :D
Avatar utente
Foto Utentegianzap
227 2 3 9
Frequentatore
Frequentatore
 
Messaggi: 177
Iscritto il: 3 apr 2013, 13:17

0
voti

[39] Re: Consigli quadro elettrico

Messaggioda Foto UtenteLiano » 2 apr 2020, 22:08

gianzap ha scritto:Quale occulto postulato fisico impedisce che si danneggi un solo cavo?? :D


Per la legge di Murphy ...tutto può essere.... #-o
Avatar utente
Foto UtenteLiano
5 3
 
Messaggi: 30
Iscritto il: 27 mar 2020, 14:08

-3
voti

[40] Re: Consigli quadro elettrico

Messaggioda Foto Utentegianzap » 2 apr 2020, 23:04

Ti dico io quale è il problema,quando siamo noi a dover applicare le norme facciamo un po' a modo nostro,quando lo fanno gli altri li bacchettiamo per dimostrare che siamo migliori,e il forum diventa un ring in cui uno sfoggia il suo ego...e i topic?a parte qualcuno ci sono domande e risposte che non farebbe o darebbe mia figlia che ha 3 anni...ma vi rendete conto??? Io ogni volta che torno in questo forum come in altri con tutte le mie buone intenzioni dopo qualche giorno mi chiedo chi me lo fa fare il login...ma stiamo scherzando?? abbiamo la libertà di parola quasi tutti ormai questo non significa che la dobbiamo usare per dire scemenze.. possibile che nemmeno i disastri e le disgrazie che viviamo cambiano in meglio il nostro stupido modo di pensare?
Avatar utente
Foto Utentegianzap
227 2 3 9
Frequentatore
Frequentatore
 
Messaggi: 177
Iscritto il: 3 apr 2013, 13:17

PrecedenteProssimo

Torna a Impianti, sicurezza e quadristica

Chi c’è in linea

Visitano il forum: Nessuno e 36 ospiti