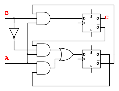
g.schgor ha scritto:Interessa lo schema con FlipFlops?
A me si!
Metterò gli occhiali anch'io...
Moderatori:
carloc,
g.schgor,
BrunoValente,
IsidoroKZ
g.schgor ha scritto:Interessa lo schema con FlipFlops?
PietroBaima ha scritto:Non sono io che non guardo oltre la punta del mio naso, ma è in letteratura che le macchine asincrone siano intrinsecamente meno affidabili di quelle sincrone.
Poi per me puoi realizzarla come vuoi.
Il tuo circuito è intrinsecamente meno affidabile di una macchina sincrona.
g.schgor ha scritto:Interessa lo schema con FlipFlops?
Atomo ha scritto:Non metto in dubbio quello che dice la letteratura… ma alcune volte la pratica e il contesto può fare la differenza![]()
Atomo ha scritto:Comunque sicuramente quest'ultima soluzione "semplificata" è migliorabile e perfezionabile... proprio per questo volevo una semplice opinione dal forum...![]()


Insisto, la soluzione non è semplificata, è peggiore.
Atomo ha scritto:Non sono della tua stessa opinione, ma spero, dalle premesse che ho fatto, che hai capito che il mio intento non è fare polemiche…![]()
Atomo ha scritto:Grazie per i consigli…
Atomo ha scritto:Scusami, come collegheresti la resistenza su emettitore di Q2 e pin trigger del NE555?


Puoi benissimo essere scettico e fare uno studio statistico del comportamento delle macchine asincrone per stabilire se sia più robusta una macchina asincrona o no. Ben vengano questi studi.
Atomo ha scritto:Per le resistenze verso GND vanno bene un valore di 470K?
dovrebbe fare il suo lavoro.
credo andrebbero bene solo per un 555 CMOS.Atomo ha scritto:Mentre per la resistenza in serie tra il discharge del 555 e C1, che valore mi consigli?
. Possiamo metterla di 330
che darebbero una Tau di 33ms.

Quindi questo dipende dal fatto che tu abbia un 555 CMOS oppure uno a BJT.
Visitano il forum: Nessuno e 186 ospiti